电脑桌面
添加小米粒文库到电脑桌面
安装后可以在桌面快捷访问

旋进旋涡流量计VIP免费

旋进旋涡流量计_第1页
1/15
旋进旋涡流量计_第2页
2/15
旋进旋涡流量计_第3页
3/15
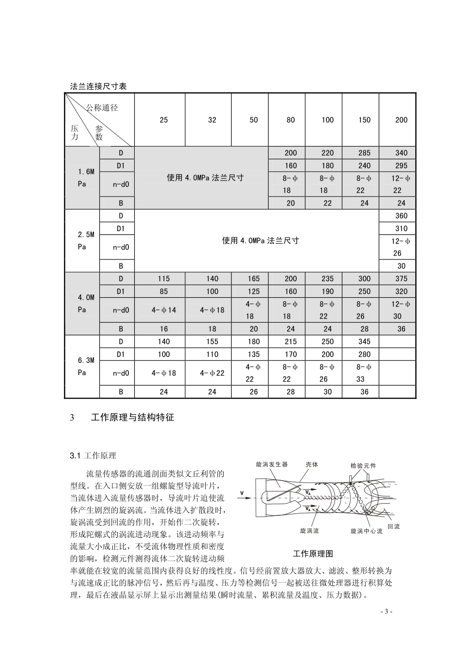
昆山恒思博自动化科技有限公司HSBLUHW系列旋进旋涡流量计1概述1.1产品主要特点HSBLUHW系列旋进旋涡流量计,是我公司开发研制的具有国内领先水平的新型气体流量仪表。HSBLUHW系列旋进旋涡流量计有如下特点:无机械可动部件,耐腐蚀,稳定可靠,寿命长,长期运行无须特殊维护;采用16位电脑芯片,集成度高,体积小,性能好,整机功能强;智能型流量计集流量探头、微处理器、压力、温度传感器于一体,采取内置式组合,使结构更加紧凑,可直接测量流体的流量、压力和温度,并自动实时跟踪补偿和压缩因子修正;采用双检测技术可有效地提高检测信号强度,并抑制由管线振动引起的干扰;采用国内领先的智能抗震技术,有效的抑制了震动和压力波动造成的干扰信号;采用汉字点阵显示屏,显示位数多,读数直观方便,可直接显示工作状态下的体积流量、标准状态下的体积流量、总量,以及介质压力、温度等参数;采用EEPROM技术,参数设置方便,可永久保存,并可保存最长达一年的历史数据;转换器可输出频率脉冲、4~20mA模拟信号,并具有RS485接口,可直接与微机联网,传输距离可达1.2km;配合本公司的FM型数据采集器,可通过因特网或者电话网络进行远程数据传输压力、温度信号为变送器输入方式,互换性强;整机功耗低,可用内电池供电,也可外接电源。1.2主要用途HSBLUHW系列旋进旋涡流量计可广泛应用于石油、化工、电力、冶金、城市供气等行业测量各种气体流量,是目前油田和城市天然气输配计量和贸易计量的首选产品。1.3使用环境条件环境温度:-30℃~+55℃相对湿度:5%~95%大气压力:86KPa~106KPa1.4工作条件介质温度范围:-20℃~+70℃公称压力:1.6、2.5、4.0、6.3MPa2工作原理2.1组成旋进旋涡流量计由传感器和转换器两部分构成。-2-2.2外形尺寸图外形尺寸(mm)表体材质公称通径DN(mm)公称压力(MPa)表体长度L高度H不锈钢铝合金重量(kg)1.6/2.5/4.0200367√√7256.3200378√101.6/2.5/4.0230383√√9326.3230402√121.6/2.5/4.0230403√11506.3260421√141.6330438√112.5/4.0330438√18806.3330446√211.6410468√142.5/4.0410475√181006.3410483√331.6585542√212.5/4.0585549√521506.3585572√721.6700618√412.5700626√1172004.0700634√127法兰连接尺寸符合下列标准1.6~4.0MPa(DN25~DN150)GB/T9113.1-20001.6、2.5MPa(DN200)GB/T9113.1-20004.0MPa(DN200)GB/T9119-20006.3MPa(DN25~DN150)GB/T9115.2-20000D1n-d0bD连接法兰-3-法兰连接尺寸表3工作原理与结构特征3.1工作原理流量传感器的流通剖面类似文丘利管的型线。在入口侧安放一组螺旋型导流叶片,当流体进入流量传感器时,导流叶片迫使流体产生剧烈的旋涡流。当流体进入扩散段时,旋涡流受到回流的作用,开始作二次旋转,形成陀螺式的涡流进动现象。该进动频率与流量大小成正比,不受流体物理性质和密度的影响,检测元件测得流体二次旋转进动频率就能在较宽的流量范围内获得良好的线性度。信号经前置放大器放大、滤波、整形转换为与流速成正比的脉冲信号,然后再与温度、压力等检测信号一起被送往微处理器进行积算处理,最后在液晶显示屏上显示出测量结果(瞬时流量、累积流量及温度、压力数据)。25325080100150200D200220285340D1160180240295n-d08-φ188-φ188-φ2212-φ221.6MPaB使用4.0MPa法兰尺寸20222424D360D1310n-d012-φ262.5MPaB使用4.0MPa法兰尺寸30D115140165200235300375D185100125160190250320n-d04-φ144-φ184-φ188-φ188-φ228-φ2612-φ304.0MPaB16182024242836D140155180215250345D1100110135170200280n-d04-φ184-φ224-φ228-φ228-φ268-φ336.3MPaB242426283036公称通径压力参数工作原理图-4-3.2流量计结构旋进旋涡流量计结构紧凑,主要由壳体、旋涡发生体、传感器(温度、压力、流量)、整流器、支架和转换器构成。4技术性能4.1执行标准流量计执行JJG198-94《速度式流量计检定规程》。4.2基本技术参数主要技术参数*说明:A、B用以区别相同通径不同流量范围。防爆标志流量计为隔爆型,其防爆标志为ExdⅡBT4和ExdⅡCT4~T6(不含乙炔)。接线口出线接口为M20×1.5内螺纹。电...

1、当您付费下载文档后,您只拥有了使用权限,并不意味着购买了版权,文档只能用于自身使用,不得用于其他商业用途(如 [转卖]进行直接盈利或[编辑后售卖]进行间接盈利)。
2、本站所有内容均由合作方或网友上传,本站不对文档的完整性、权威性及其观点立场正确性做任何保证或承诺!文档内容仅供研究参考,付费前请自行鉴别。
3、如文档内容存在违规,或者侵犯商业秘密、侵犯著作权等,请点击“违规举报”。

碎片内容

旋进旋涡流量计

您可能关注的文档

确认删除?
VIP
微信客服
  • 扫码咨询
会员Q群
  • 会员专属群点击这里加入QQ群
客服邮箱
回到顶部