电脑桌面
添加小米粒文库到电脑桌面
安装后可以在桌面快捷访问

四川省渠道工程选用表VIP免费

四川省渠道工程选用表_第1页
1/34
四川省渠道工程选用表_第2页
2/34
四川省渠道工程选用表_第3页
3/34
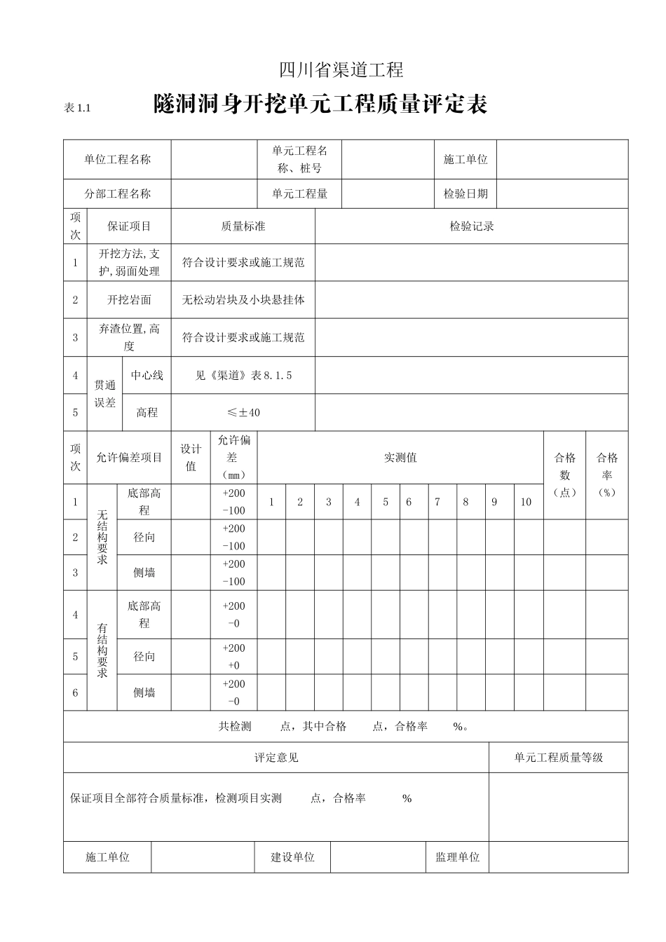
四川省渠道工程表02基础(隐蔽)工程验收报告单单位工程名称分部工程名称单元工程名称施工单位高程(m)设计实测几何尺寸设计实测施工队检验情况及意见1、基础处理2、取样情况3、施工排水4、质量评份意见及等级质检员:施工企业质检机构意见1、检查意见2、质量评定意见及等级质检处(科):设计单位意见1、检查意见2、质量评定意见及等级设计代表:勘测单位意见1、检查意见2、质量评定意见及等级勘测代表:建设单位意见1、检查意见2、质量评定意见及等级代表:监理单位意见1、检查意见2、质量评定意见及等级监理:监督站(项目站)意见1、检查意见2、质量评定意见及等级代表:填表日期:年月日四川省渠道工程表1.1隧洞洞身开挖单元工程质量评定表单位工程名称单元工程名称、桩号施工单位分部工程名称单元工程量检验日期项次保证项目质量标准检验记录1开挖方法,支护,弱面处理符合设计要求或施工规范2开挖岩面无松动岩块及小块悬挂体3弃渣位置,高度符合设计要求或施工规范4贯通误差中心线见《渠道》表8.1.55高程≤±40项次允许偏差项目设计值允许偏差(mm)实测值合格数(点)合格率(%)1无结构要求底部高程+200-100123456789102径向+200-1003侧墙+200-1004有结构要求底部高程+200-05径向+200+06侧墙+200-0共检测点,其中合格点,合格率%。评定意见单元工程质量等级保证项目全部符合质量标准,检测项目实测点,合格率%施工单位建设单位监理单位四川省渠道工程表1.2土渠开挖单元工程质量评定表单位工程名称单元工程名称、桩号萝施工单位分部工程名称单元工程量检验日期项次保证项目质量标准检验记录1地基清理和处理符合设计要求。建基面内无草皮、树根、乱石、坟墓及其他建筑。泉眼、水井、洞穴已按设计要求处理基槽开挖符合施工技术要求及设计要求,其它已按要求处理2取样检验符合设计3岸坡坡度符合设计4截水槽(墙)嵌入基岩深度及岩面排水符合设计要求5预留保护层开挖后不及时砌筑或回填时,预留0.2~0.3m厚保护层符合规定6弃土位置及高度符合设计要求符合设计要求项次充许偏差项目设计值充许偏差(mm)实测值合格数(点)合格率(%)12456789101渠底部程0-202渠底宽度±(10~30)3中心桩位置±(10~30)4表面平整度(10~30)5渠道上口宽±(10~30)6堤项高程±(10~30)7堤顶宽度±(30~50)共检测50点,其中合格37点,合格率74%评定意见单元工程质量等级保证项目全部符合质量标准,检测项目实测点,合格率%注:当渠底宽≥5m,边坡长度≥3m时取大值,反之,取小值。施工单位建设单位监理单位四川省渠道工程表1.4岩基开挖单元工程质量评定表单位工程名称单元工程名称、桩号施工单位分部工程名称单元工程量检验日期年月日项次保证项目质量标准检验记录1保护层开挖方法采用浅孔、密孔、少药量火炮爆破或人工开挖2建期面无松动岩块,裂隙光面,陡坎类角3裂隙密集带及软弱夹层按设计处理,并实地测绘编录4弃碴位置及堆高符合设计要求项次充许偏差项目质量标准检验记录质量等级合格优良合格优良1裂隙节理及岩溶洞穴处理方法基本符合设计要求处理方法符合设计要求项次充许偏差项目设计值(m)充许偏差(mm)实测值合格数(点)合格率(%)1245679101砼或砌石基础的基坑坑长或宽≤10m+150-502>10m+200-1003基坑底部高程+100-504坑开挖平整度2005铪类基础的基坑坑长或宽≤10m+10006>10m+20007基坑底部高程+20008坑开挖平整度100共检测点,其中合格点,合格率%评定意见单元工程质量等级保证项目全部符合质量标准,基本项目达到标准,检测项目实测点,合格率%施工单位建设单位监理单位四川省省渠道工程表1.5软基开挖单元工程质量评定表单位工程名称单元工程名称、桩号施工单位分部工程名称单元工程量检验日期年月日项次保证项目质量标准检验记录1地基清理和处理符合设计要求。建基面内无草皮、树根、乱石、坟墓及其它建筑。泉眼、水井、洞穴已按要求处理2取样检验符合设计3截水槽(墙)符合设计4预留保护层嵌入基础深度及岩面排水符合设计要求5预留保护层开挖后不及时砌筑或回填时,预留0.2~0.3m厚保护层6弃土位置及高度符合设计要求项目充许偏差项目设计值(m)充许偏差(mm)实测值合格数(...

1、当您付费下载文档后,您只拥有了使用权限,并不意味着购买了版权,文档只能用于自身使用,不得用于其他商业用途(如 [转卖]进行直接盈利或[编辑后售卖]进行间接盈利)。
2、本站所有内容均由合作方或网友上传,本站不对文档的完整性、权威性及其观点立场正确性做任何保证或承诺!文档内容仅供研究参考,付费前请自行鉴别。
3、如文档内容存在违规,或者侵犯商业秘密、侵犯著作权等,请点击“违规举报”。

碎片内容

四川省渠道工程选用表

您可能关注的文档

确认删除?
VIP
微信客服
  • 扫码咨询
会员Q群
  • 会员专属群点击这里加入QQ群
客服邮箱
回到顶部