电脑桌面
添加小米粒文库到电脑桌面
安装后可以在桌面快捷访问

螺纹认识及检验VIP免费

螺纹认识及检验_第1页
1/9
螺纹认识及检验_第2页
2/9
螺纹认识及检验_第3页
3/9
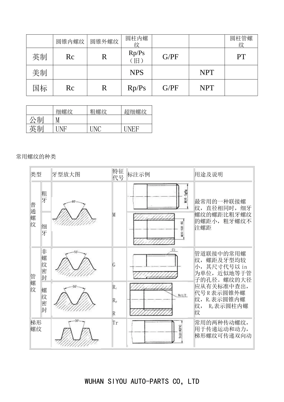
螺纹认识及检验QC001武汉市四友汽车零部件有限责任公司螺纹认识及检验要求2013年5月18日批准2013年__月__日执行螺纹/螺钉检验及螺纹使用知识1.螺纹孔检验工具:螺纹塞规---通规通,止规止。1.1螺钉、螺栓紧固后,螺纹尾端外露长度一般不得小于1.5扣。螺钉连接有效长度一般不能小于3扣。1.2紧固螺钉、螺母时,应有防松措施。对于是沉头螺钉的在螺母端装弹垫和平垫。在软、脆材料的工作面上(如纸胶板等)不允许直接垫弹簧垫圈紧固,应安装平垫。在弹簧垫圈质量符合国家标准要求时,允许用起子旋紧紧固件,工具要匹配(见表1),目检以弹簧垫圈切口被压平为准。用电批旋紧固件时,应根据螺钉、螺母的直径调整适当的扭矩进行,不得将螺钉十字槽拧伤,调整依据见表3。检验时用扭矩扳手检测。根据螺钉、螺母的直径;旋紧材质的不同,用扭矩测试仪对扭矩扳手进行校验,见表2。对于长期使用某一力矩值时,每天都应做例行校验。表1起子匹配选用规格槽号规格(mm)适用螺钉范围备注ⅠФ5×75Ф5×125M2-M2.5木柄式型号为SM型ⅡФ6×125Ф6×150M3-M4M5ⅢФ8×200Ф8×250M6-M8塑料柄型号为SS型ⅣФ10×250Ф10×300M10-M12表2扭矩扳手校验表单位为kgf.cm螺纹公称尺寸拧入件材质及相应锁紧力矩塑胶件、铝板、铜板钢低预紧力中预紧力高预紧力M33610.815M48162830M515305472M6205090120WUHANSIYOUAUTO-PARTSCO,LTD用途用于一般零件的紧固用于机架与插箱的紧固用于有振动、较重零件的紧固表3电批旋力与紧固件的关系型号适合螺钉力矩范围(N.cm)本体重量(Kg)本体长度(mm)软骨直径(mm)US-10TAUS-10TBM220~500.271966.35US-20TAUS-20TBM350~1000.42231US-30TAUS-30TBM480~1600.57245US-40TAUS-40TBM5160~2800.70257US-50TM6350~5501.052531.3在零件、部件上拧紧紧固件时,应按对称交叉分步紧固,以免发生构件变形和接触不良的现象。1.4沉头螺钉紧固后,其头部应与被紧固零件的表面保持平整。不得凸起,但允许稍低于零件表面。(对小于M4的螺钉不低于零件表面0.3mm,大于M5的螺钉不低于零件表面0.5mm.。)销的定位和固定应在零部件调整好以后进行。装配园柱销、园锥销时,两端突出或沉入长度应大致匀称,其突出部份与邻近零件之间应保持足够的距离,以防止相对运动时彼此碰撞。园锥销突出表面的长度不得超过小端直径。螺纹孔由于工艺上难以避免的原因,造成与螺钉不相配时,允许回丝,并随即涂以防锈剂。2.螺牙2.1定义螺纹:在圆柱或圆锥表面上,沿着螺旋线所形成的具有规定牙形的连续凸起。内螺纹:在圆柱或圆锥内表面上所形成的螺纹。外螺纹:在圆柱或圆锥外表面上所形成的螺纹。有效螺纹:由完整螺纹和不完整螺纹组成的螺纹,不包括螺尾。公称直径:代表螺纹尺寸的直径。大径:与外螺纹牙顶或内螺纹牙底相切的假想圆柱或圆锥的直径。用d(外螺纹)或D(内螺纹)表示。中径:一个假想圆柱或圆锥的直径,该圆柱或圆锥的母线通过牙形上沟槽和凸起宽度相等的地方。该假想圆柱或圆锥称为中径圆柱或中径圆锥。中径用d2(外螺纹)或D2(内螺纹)表示。小径:与外螺纹牙底或内螺纹牙顶相切的假想圆柱或圆锥的直径。用d1(外螺纹)或D1(内螺纹)表示。螺距:相邻两牙在中径线上对应两点间的轴向距离。螺纹精度:由螺纹公差带和旋合长度共同组成的衡量螺纹质量的综合指标。旋向:螺纹有右旋和左旋两种。内外螺纹旋合时,顺时针旋入的为右旋,逆时针旋入的为左旋。2.2分类螺纹密封(55°)非螺纹密封(55°)60°,1°47″55°1°47″圆柱管螺纹圆锥管螺纹WUHANSIYOUAUTO-PARTSCO,LTD圆柱内螺纹圆柱管螺纹圆锥内螺纹圆锥外螺纹英制RcRRp/Ps(旧)G/PFPT美制NPSNPT国标RcRRp/PsG/PFNPT细螺纹粗螺纹超细螺纹公制M英制UNFUNCUNEF常用螺纹的种类类型牙型放大图特征代号标注示例用途及说明普通螺纹粗牙M最常用的一种联接螺纹,直径相同时,细牙螺纹的螺距比粗牙螺纹的螺距小,粗牙螺纹不注螺距细牙管螺纹非螺纹密封G管道联接中的常用螺纹,螺距及牙型均较小,其尺寸代号以in为单位,近似地等于管子的孔径。螺纹的大径应从有关标准中查出,代号R表示圆锥外螺纹,Rc表示圆锥内螺纹,Rp表示圆柱内...

1、当您付费下载文档后,您只拥有了使用权限,并不意味着购买了版权,文档只能用于自身使用,不得用于其他商业用途(如 [转卖]进行直接盈利或[编辑后售卖]进行间接盈利)。
2、本站所有内容均由合作方或网友上传,本站不对文档的完整性、权威性及其观点立场正确性做任何保证或承诺!文档内容仅供研究参考,付费前请自行鉴别。
3、如文档内容存在违规,或者侵犯商业秘密、侵犯著作权等,请点击“违规举报”。

碎片内容

螺纹认识及检验

海纳百川+ 关注
实名认证
内容提供者

热爱教学事业,对互联网知识分享很感兴趣

确认删除?
VIP
微信客服
  • 扫码咨询
会员Q群
  • 会员专属群点击这里加入QQ群
客服邮箱
回到顶部