电脑桌面
添加小米粒文库到电脑桌面
安装后可以在桌面快捷访问

风淋室使用说明书VIP免费

风淋室使用说明书_第1页
1/9
风淋室使用说明书_第2页
2/9
风淋室使用说明书_第3页
3/9
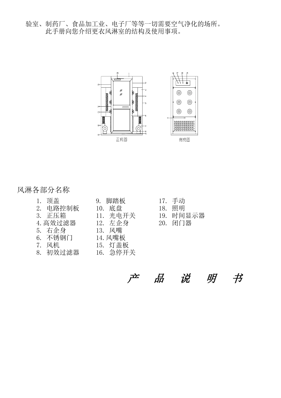
风淋室使用说明书产品说明书简介:感谢您购买本公司更衣风淋室,更衣风淋室是防止污染空气进入洁净区的装置.其原理是利用高速洁净气流吹除进入洁净室人员更衣过程中衣物表面附着的灰尘颗粒。同时,由于洁净室的两扇门是不同时开启的,可以兼起气闸作用,控制外部污染空气进入洁净区。本设备广泛应用于半导体元器件生产工厂、生物实验室、制药厂、食品加工业、电子厂等等一切需要空气净化的场所。此手册向您介绍更衣风淋室的结构及使用事项。风淋各部分名称1.顶盖9.脚踏板17.手动2.电路控制板10.底盘18.照明3.正压箱11.光电开关19.时间显示器4.高效过滤器12.左企身20.闭门器5.右企身13.风嘴6.不锈钢门14.风嘴板7.风机15.灯盖板8.初效过滤器16.急停开关产品说明书技术指标:型号单人双吹风淋室外部尺寸WxLxH1240x1000x2180内部尺寸W1xL1xH1790x860x1880风速(m/s)≥22风机规格型号Dsx-240消耗功率(Kw)0.75*1电源电压(VAC)380日光灯(W)20*1风嘴数目(个)12高效过滤器尺寸(mm)数量过滤效率610x610x1201pcs99.99%@0.5μm初效过滤器效率45%初效过滤器用料铝合金框箱体材质冷板材质[注]:以上仅为部分技术参数。产品说明书一.概述风淋室自控系统主要用于风淋室、货淋室及风淋通道的自动控制。可自动实现内、外门的互锁与解锁;照明的启停;人体自动感应以及风机的启停等功能。产品在自动流程时有相关语音提示,并具有风淋时间、前后门解锁延时时间、照明延时间可调等灵活功能。二.主板面膜示意图及按键说明风淋室面膜示意图A、风淋室控制面板按键说明:1、急停按键:任何时候按下急停按键,红色急停指示灯亮,并自动断开除照明外的所有输出,再次按下时,系统恢复到初始状态。此按键主要用于内外门不能解锁、风淋不能自动关闭及其它需维护时。2、风淋按键:在内外门关闭后,按下手动按键,系统即转入风淋过程。此按键主要用于门磁、红外失灵或风机维护检修时。3、照明按键:使用“照明”按键,可开关风淋室内照明灯。此按键主要用于门磁失灵或灯具检修时。4、上、下调按键:在风淋开始前或结束后,通过上、下调键调节风淋延时时间;在进入内部参数设置时进行调节或选项。B、常规风淋室工作流程:1.进入洁净区:1.1进入洁净区的人员打开外门时,内门电锁自动上锁以防风淋室内未净化空气流入洁净区,风淋室照明灯点亮,门外工作指示灯亮。1.2进入风淋室关上外门后,语音提示:“你好,请站在感应区内”。系统红外探头开始检测是否有人,如检测到有人,系统即转入风淋过程。1.3风淋前内外门上锁,风机启动开始风淋,同时,风淋倒计时开始计时。语音提示:“正在工作,请转动身体360度”。1.4如系统在外门关后规定时间内检测不到风淋室有人,返回待机状态。1.5风淋过程中,有人按动上调、下调、及照明开关时,语音将提示:“正在工作,请不要随便触摸开关”。1.6风淋过程中,有人按急停开关时将结束风淋。再次按急停键可取消急停状态。1.7风淋结束后,内门解锁,语音提示:“吹淋完毕,请从后门退出”。1.8人员走出风淋室并关上内门后,系统返回初始状态,等待下一次使用。1.9如风淋完成,内门解锁后。里面的人员在规定时间没有离开风淋室,系统默认人可能已离开,自动返回待机状态。1.10照明灯点亮后,规定时间内没有被再次触发,则自动熄灭。2.离开洁净区:2.1打开内门,外门电锁自锁,风淋室照明灯点亮,工作指示灯亮;2.2人走进风淋室,关上内门,系统开始检测是否有人在风淋室,如规定时间内检测到无人,内外门解锁;2.3如检测到有人,系统待人员打开外门时,内门上锁,当关上外门后,系统返回初始状态;2.4如遇特殊情况,人员可以选择返回洁净区,系统待人员打开内门,外门上电自锁,当关上内门后,系统返回初始状态;2.5外门开后,如规定时间内检测不到有人,若此时先打开外门,系统即转入进入洁净区流程;若此时先打开内门,系统则转入离开洁净区流程.2.6照明灯点亮后,设定时间内没有被再次触发,则自动熄灭。C、风淋室指示灯与数码管显示说明:1、风淋倒计时:双位红色数码管显示,工作时用于显示风淋时间设定值及风淋剩余时间,进行设定菜单时,用于菜单参数显示;4、风淋灯...

1、当您付费下载文档后,您只拥有了使用权限,并不意味着购买了版权,文档只能用于自身使用,不得用于其他商业用途(如 [转卖]进行直接盈利或[编辑后售卖]进行间接盈利)。
2、本站所有内容均由合作方或网友上传,本站不对文档的完整性、权威性及其观点立场正确性做任何保证或承诺!文档内容仅供研究参考,付费前请自行鉴别。
3、如文档内容存在违规,或者侵犯商业秘密、侵犯著作权等,请点击“违规举报”。

碎片内容

风淋室使用说明书

您可能关注的文档

确认删除?
VIP
微信客服
  • 扫码咨询
会员Q群
  • 会员专属群点击这里加入QQ群
客服邮箱
回到顶部