电脑桌面
添加小米粒文库到电脑桌面
安装后可以在桌面快捷访问

碳酸盐台地沉积VIP免费

碳酸盐台地沉积_第1页
1/6
碳酸盐台地沉积_第2页
2/6
碳酸盐台地沉积_第3页
3/6
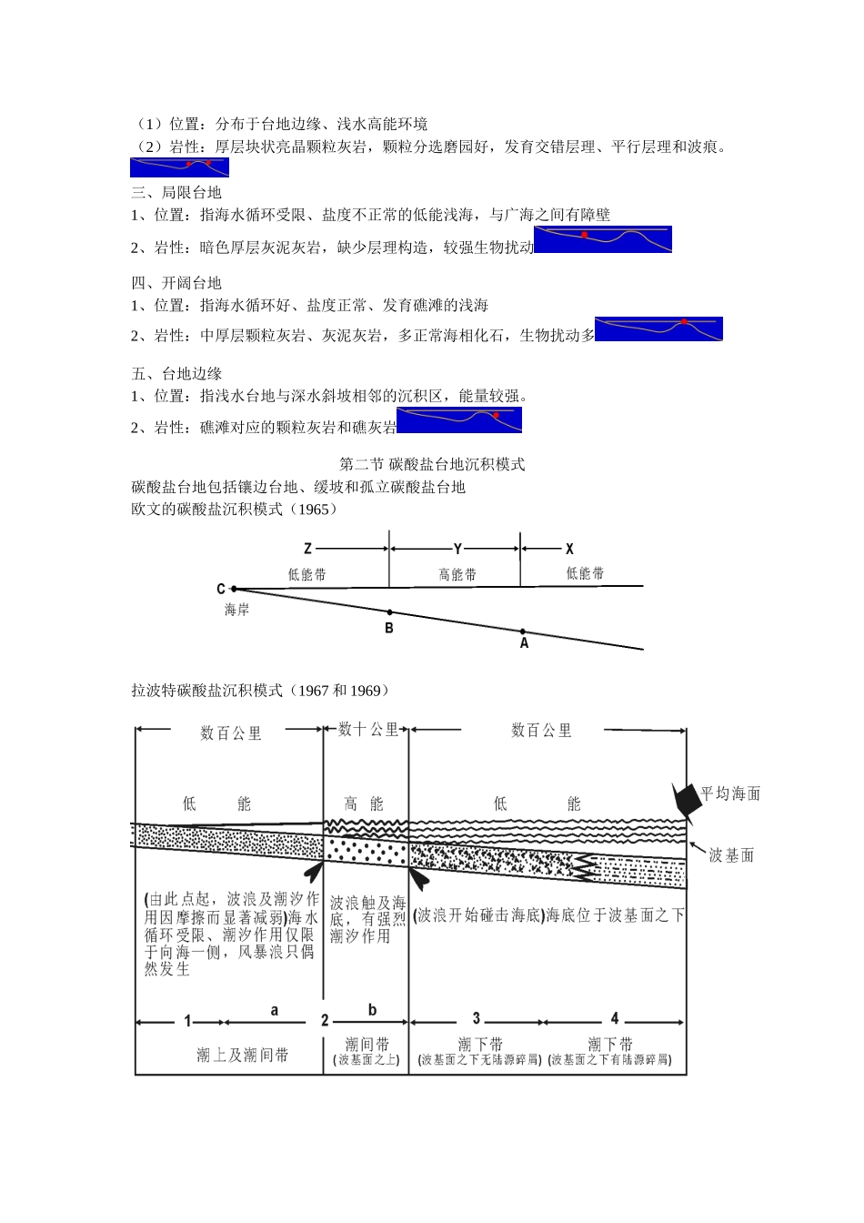
第十三章碳酸盐台地沉积环境第一节沉积环境类型和特征碳酸盐台地:原指地形平坦的浅水碳酸盐沉积环境。现指所有碳酸盐沉积环境(不考虑地形是否平坦)。包括潮坪、生物礁、浅滩、局限台地、开阔台地等一、潮坪指潮汐周期性影响的岸边平坦沉积环境1、潮上带1)位置:平均高潮线以上,低能环境2)岩性:灰泥和泥晶白云岩,层薄色浅;潮湿环境多藻席,干旱环境多石膏3)构造:泥裂、鸟眼,水平纹层和叠层石2、潮间带1)位置:平均高、低潮线之间,较低能环境2)岩性:灰泥和颗粒灰岩,层薄色浅;柱状和波状叠层石3)构造:交错层理、生物扰动、水平纹理及泥裂3、潮下带1)位置:平均低潮线之下,低能或高能环境2)低能潮下带(小潮差):暗色颗粒质灰泥岩,强烈生物扰动,层理不发育,多正常海相化石3)高能潮下带(中大潮差):厚层颗粒灰岩,分选、磨园好,多波痕和交错层理二、生物礁和浅滩1、生物礁2、浅滩是指沉积水体浅、能量高、沉积颗粒灰岩为主的沉积环境。包括:裙滩、堤滩、点滩和台缘滩2、浅滩1)裙滩(岸滩)(1)位置:位于地形坡度较大的无泻湖的海岸地区,波浪作用较强。(2)岩性:中厚层亮晶颗粒灰岩,颗粒分选磨园好,发育交错层理。2)堤滩(障壁滩)(1)位置:位于有泻湖的海岸地区,外侧为开阔海,呈堤状障壁平行岸线延伸(2)岩性:中厚层亮晶颗粒灰岩,颗粒分选磨园好,发育向上规模变小的交错层理。3)点滩(1)位置:零星分布于台地内部的、与局部水下隆起相关的浅滩(2)岩性:中厚层亮晶颗粒灰岩,颗粒分选磨园好,发育交错层理、波痕。4)台缘滩(1)位置:分布于台地边缘、浅水高能环境(2)岩性:厚层块状亮晶颗粒灰岩,颗粒分选磨园好,发育交错层理、平行层理和波痕。三、局限台地1、位置:指海水循环受限、盐度不正常的低能浅海,与广海之间有障壁2、岩性:暗色厚层灰泥灰岩,缺少层理构造,较强生物扰动四、开阔台地1、位置:指海水循环好、盐度正常、发育礁滩的浅海2、岩性:中厚层颗粒灰岩、灰泥灰岩,多正常海相化石,生物扰动多五、台地边缘1、位置:指浅水台地与深水斜坡相邻的沉积区,能量较强。2、岩性:礁滩对应的颗粒灰岩和礁灰岩第二节碳酸盐台地沉积模式碳酸盐台地包括镶边台地、缓坡和孤立碳酸盐台地欧文的碳酸盐沉积模式(1965)拉波特碳酸盐沉积模式(1967和1969)威尔逊的碳酸盐沉积模式(1975)(九个亚相和24个微相)一、碳酸盐缓坡1、概念指海底向广海方向平缓倾斜的(小于1度)、无明显坡折的、沉积水体逐渐变深的沉积环境(陆表海)碳酸盐岩缓坡的概念碳酸盐岩缓坡(ramp)是指介于滨线和大陆斜坡之间的平缓斜坡,其没有明显的斜坡坡折或陆棚边缘,缓坡的平均坡度小于0.1°。2、缓坡类型-据剖面形态划分1)均匀缓坡2)远端变陡缓坡1)均匀缓坡的沉积环境划分◇均匀缓坡的沉积特点①内缓坡◎含叠层石藻和蒸发岩的潮缘和萨巴哈相◎受生物扰动的层状灰泥岩泻湖相◎具交错层理的滨岸相②中缓坡中缓坡介于正常浪基面与风暴面(SWB)之间,海底受风暴浪影响较大,发育粒序层理和丘状交错层理的粗碎屑风暴岩和泥灰岩③外缓坡外缓坡介于风暴浪基面与密度跃层(PC)之间,可出现与风暴作用有关的沉积作用,形成分散的、具粒序的浊流沉积和泥灰岩沉积缓坡盆地常以纹层状粉屑碳酸盐岩、生物扰动灰质泥岩等沉积为特征。2)远端变陡缓坡二、镶边台地1、概念指具有高能外部边缘的浅水台地,与深水盆地之间存在陡斜坡。台地边缘发育高能障壁礁滩,其向陆为低能泻湖◎盆地边缘的区域性碳酸盐台地和缓坡;◎盆地边缘的区域性前积台地和滩;◎浅海台地或孤立台地☆碳酸盐镶边台地的类型2、镶边台地类型—-考虑海平面升降速率沉积型,过路型和侵蚀型3、沉积型边缘的台地类型垂向和侧向加积,发育6种沉积类型1)潮坪-泻湖◎颗粒质灰泥灰岩和泥灰岩,可有点礁;◎海平面下降发育潮坪;◎海平面上升发育泻湖和礁2)台地边缘内侧滩◎生物碎屑灰岩或鲕粒灰岩,可有点礁;◎交错层理多;◎向陆方向颗粒减少,灰泥增多3)台地边缘外侧礁◎发育块状造礁和枝状造礁生物;◎可有礁的碎屑和生物碎屑4)礁前斜坡◎常见滑塌成因的砂砾碎屑;◎随水深增加,灰...

1、当您付费下载文档后,您只拥有了使用权限,并不意味着购买了版权,文档只能用于自身使用,不得用于其他商业用途(如 [转卖]进行直接盈利或[编辑后售卖]进行间接盈利)。
2、本站所有内容均由合作方或网友上传,本站不对文档的完整性、权威性及其观点立场正确性做任何保证或承诺!文档内容仅供研究参考,付费前请自行鉴别。
3、如文档内容存在违规,或者侵犯商业秘密、侵犯著作权等,请点击“违规举报”。

碎片内容

碳酸盐台地沉积

确认删除?
VIP
微信客服
  • 扫码咨询
会员Q群
  • 会员专属群点击这里加入QQ群
客服邮箱
回到顶部