电脑桌面
添加小米粒文库到电脑桌面
安装后可以在桌面快捷访问

母线的安装及验收标准VIP免费

母线的安装及验收标准_第1页
1/7
母线的安装及验收标准_第2页
2/7
母线的安装及验收标准_第3页
3/7
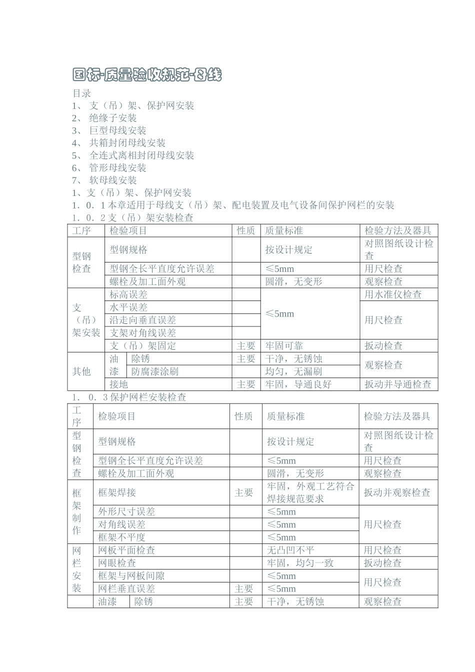
国标-质量验收规范-母线目录1、支(吊)架、保护网安装2、绝缘子安装3、巨型母线安装4、共箱封闭母线安装5、全连式离相封闭母线安装6、管形母线安装7、软母线安装1、支(吊)架、保护网安装1.0.1本章适用于母线支(吊)架、配电装置及电气设备间保护网栏的安装1.0.2支(吊)架安装检查工序检验项目性质质量标准检验方法及器具型钢检查型钢规格按设计规定对照图纸设计检查型钢全长平直度允许误差≤5mm用尺检查螺栓及加工面外观圆滑,无变形观察检查支(吊)架安装标高误差≤5mm用水准仪检查水平误差用尺检查沿走向垂直误差支架对角线误差支(吊)架固定主要牢固可靠扳动检查其他油漆除锈主要干净,无锈蚀观察检查防腐漆涂刷均匀,无漏刷接地主要牢固,导通良好扳动并导通检查1.0.3保护网栏安装检查工序检验项目性质质量标准检验方法及器具型钢检查型钢规格按设计规定对照图纸设计检查型钢全长平直度允许误差≤5mm用尺检查螺栓及加工面外观圆滑,无变形观察检查框架制作框架焊接主要牢固,外观工艺符合焊接规范要求扳动并观察检查外形尺寸误差≤5mm用尺检查对角线误差≤5mm框架不平度≤5mm网栏安装网板平面检查无凸凹不平用尺检查网眼检查牢固,均匀一致扳动检查框架与网板间隙≤5mm用尺检查网栏垂直误差主要≤5mm油漆除锈主要干净,无锈蚀观察检查其他防腐漆涂刷均匀,无漏刷接地网栏接地主要用软导线可靠接地扳动并导通检查框架接地牢固,导通良好2绝缘子安装2.0.1本节适用于悬式绝缘子串、支柱式绝缘子及穿墙套管等的安装2.0.2悬式绝缘子串安装检查工序检验项目性质质量标准检验方法及器具外观检查规格型号核对按设计规定观察检查瓷件外观主要光洁,完整无裂纹瓷铁胶合处检查主要粘合牢固连接金具及附件齐全,完好弹簧销检查弹性充足扳动检查均压环及屏蔽罩检查完整,无变形观察检查绝缘子串安装绝缘子装配前试验主要合格检查试验报告连接螺栓、销钉、弹簧销等贯穿方向一致观察检查球头挂环、碗头挂板及锁紧销间配合灵活,无卡阻扳动检查连接金具防松措施检查主要防松螺母紧固,开口销张开观察检查悬式绝缘子串允许倾斜角度(无设计时)≤5°观察检查绝缘子串并联时每串所受张力主要均匀绝缘子串吊装前整体检查清洁,装配正确,碗口朝上2.0.3支柱绝缘子安装检查工序检验项目性质质量标准检验方法及器具外观检查瓷件外观主要光洁,完整无裂纹观察检查瓷铁胶合处检查粘合牢固,无缝隙绝缘子安装绝缘子底座水平误差≤5mm用尺检查母线支线段内各支柱绝缘子中心线误差主要≤2mm用尺检查叠状支柱绝缘子垂直误差纯瓷绝缘子与金属接触面间垫圈厚度主要≥1.5mm绝缘子固定主要螺栓齐全,紧固用扳手检查接地线排列方向一致观察检查接地与接地网连接主要牢固,导通良好扳动并导通检查2.0.4穿墙套管的安装检查工序检验项目性质质量标准检验方法及器具外观检查瓷件外观主要光洁,完整无裂纹观察检查瓷铁胶合处检查主要粘合牢固,无缝隙套管安装预留孔径与套管嵌入部分配合>5mm用尺检查混凝土安装板最大厚度≤50mm1500A及以上套管固定钢板不构成闭合磁路观察检查法兰位置垂直安装法兰应向上水平安装法兰应在外600A及以上套管端部金属夹板夹板材料主要非磁性材料观察检查厚度≥3mm与母线等电位连接主要牢固可靠观察检查充油套管密封检查主要无渗漏观察检查油位指示主要正常连接螺栓主要齐全,紧固用扳手检查接地端子及未用的电压抽取端子主要可靠接地扳动并导通接地3矩形母线的安装3.0.1本章适用于交、直流矩形母线及槽型母线的安装3.0.2矩形母线的安装检查工序检验项目性质质量标准检验方法及器具母线加工配置外观检查表面检查光洁,无裂纹褶皱观察检查外形检查平直无变形扭曲螺接面加工搭接面长度主要按GBJ149-1990规定对照规范用尺检查螺孔布置及规格主要螺孔间中心距误差±0.5mm用尺检查端面外观平直、光洁,无尖角毛刺观察检查接触面平直度平整无局部凹陷钢尺靠测接触面断面减少量主要铜≤3%,铝≤5%用游标卡尺检查母线弯制允许最小弯曲半径主要按GBJ149-1990规定对照规范用样板检查弯曲始点至接头边缘最小距离≥50mm用尺检查弯曲始点至母线支持器边缘距离≥50mm;≤0.25支...

1、当您付费下载文档后,您只拥有了使用权限,并不意味着购买了版权,文档只能用于自身使用,不得用于其他商业用途(如 [转卖]进行直接盈利或[编辑后售卖]进行间接盈利)。
2、本站所有内容均由合作方或网友上传,本站不对文档的完整性、权威性及其观点立场正确性做任何保证或承诺!文档内容仅供研究参考,付费前请自行鉴别。
3、如文档内容存在违规,或者侵犯商业秘密、侵犯著作权等,请点击“违规举报”。

碎片内容

母线的安装及验收标准

您可能关注的文档

确认删除?
VIP
微信客服
  • 扫码咨询
会员Q群
  • 会员专属群点击这里加入QQ群
客服邮箱
回到顶部