电脑桌面
添加小米粒文库到电脑桌面
安装后可以在桌面快捷访问

高地降温效应与构造_气候旋回VIP免费

高地降温效应与构造_气候旋回_第1页
1/6
高地降温效应与构造_气候旋回_第2页
2/6
高地降温效应与构造_气候旋回_第3页
3/6
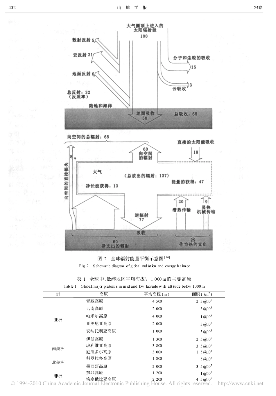
25卷第4期400~405页2007年7月山地学报JOURNALOFMOUNTAINSCIENCEVo.l25,No.4pp400~405July,2007收稿日期(Receiveddate):2006-12-01;改回日期(Accepted):2007-05-08。基金项目(Foundationitem):国家自然科学基金(40599421,40271015)[NaturalScienceFoundationofChina(No.40599421,40271015)]作者简介(Biography):张信宝(1946-),男,汉,江苏镇江人,研究员,博士生导师,主要从事土壤侵蚀与水土保持研究。Emai:lzxbao@imde.ac.cn[ZhangXinbao(1946-),Male,Professor&Doctoradviser;Mainresearchfield:soilerosionandconservation.]文章编号:1008-2786-(2007)4-400-06高地降温效应与构造-气候旋回张信宝1,2,贺秀斌1,汪阳春1,张云奇1,3(11中国科学院水利部成都山地灾害与环境研究所,四川成都610041;21中国科学院地球环境研究所黄土与第四纪地质国家重点实验室,陕西西安710075;31中国科学学院研究生院,北京100049)摘要:基于辐射平衡的原理,提出/高地降温效应0假说,阐明高原隆升与全球气候变冷的机制。地球如同被玻璃(大气层)包裹的、接受太阳辐射的球体,这层玻璃易于太阳短波的透入,不易于地面长波的散出,起到了很好的保温作用。玻璃越厚,保温效果越好,地球表面的热能量水平越高,地面温度也越高;反之,地面温度越低。估算了青藏高原和同纬度长江中下游平原之间的逆辐射量差值,用以表征高原隆升的逆辐射量减少值,进而又估算了全球高原隆升的逆辐射量减少值及占地球接受太阳辐射总量的比例。/高地降温效应0假说可以较好的解释寒武纪以来三次重大的构造运动-地貌演化-气候变化过程。构造运动形成高大山系和高原,引起全球降温,气候变冷;随着隆升的山系和高地逐渐被侵蚀为低地,地球表面变得平坦,全球大气层的温室效应增强,全球复又升温,气候变暖。青藏高原的形成,如同地球开了一个散热的/天窗0,对新生代以来全球的持续降温作出了重要的贡献。关键词:高地;降温效应;地球;构造;地貌;气候中图分类号:P90,X14文献标识码:A已有的研究表明,地质历史时期存在构造-气候旋回,寒武纪以来的全球三次重大的气候变冷事件均对应于重要的构造运动,如古生代冈瓦拉大陆有冰川发育的奥陶纪、志留纪冷期和石炭纪、二叠纪冷期分别对应于加里东运动和海西运动,中生代以来的全球降温对应于喜马拉雅运动(图1)[1]。除宇宙成因假说外,一些学者提出了构造运动影响全球气候变化的假说。如汤懋苍的大气热机效率变化说认为[2-4],造山运动形成的大起伏地形,有利于高效大气环流系统(高原季风)的形成,导致全球热机效率增大,极赤温差加大,极地和高纬大降温,出现大冰期。Ruddiman和Raymo的隆升区化学风化说认为,造山运动形成的隆升区侵蚀强烈,硅酸盐化学风化消耗大量的CO2,导致大气CO2含量降低,大气层的温室效应功能减弱,全球气候变冷[5-9]。本文基于辐射平衡的原理,提出/高地降温效应0假说,阐明高原隆升与全球气候变冷的机制。文章估算了青藏高原和同纬度长江中下游平原之间的逆辐射量差值,用以表征高原隆升的逆辐射量减少值,进而又估算了全球高原隆升的逆辐射量减少值及占地球接受太阳辐射总量的比例,最后用/高地降温效应0假说解释了显生界以来三次重大的构造运动-地貌演化-气候变化过程。1基本原理地球表生过程是靠太阳辐射能维持的,来自地球内部的热能同太阳的辐射能相比微不足道。地球表面接受的太阳能和向空间辐射出去的能量相等时,地球的热能量水平不变,全球整体温度稳定。前者大于后者时,地球的热能量水平增加,全球平均温度升高;后者大于前者时,地球的热能量水平减少,全球平均温度降低。地球热能量水平高时的气候应较水平低时的温暖。全球的辐射能量平衡见图图1寒武纪以来蒸发岩和冰川的最大值[1]Fig.1MaximumvaluesofevaporateandglacierssinceCambrianPeriod2[10]。太阳辐射能以短波形式从大气圈层顶部进入地球表面,全球总量以100计,地面(陆地+海洋表面)吸收的占50%;总反射损失(散射、云、地面)占32%,总吸收损失(分子、尘埃、云)占18%。分子、尘埃和云吸收的辐射能随这些物质沉降到地面被地面吸收,因此地面的总吸收能量占从大气圈层顶部进入的太阳辐射能的68%。地面拥有的热能通过长波辐射不断耗散到大气上层,不分昼夜持续进...

1、当您付费下载文档后,您只拥有了使用权限,并不意味着购买了版权,文档只能用于自身使用,不得用于其他商业用途(如 [转卖]进行直接盈利或[编辑后售卖]进行间接盈利)。
2、本站所有内容均由合作方或网友上传,本站不对文档的完整性、权威性及其观点立场正确性做任何保证或承诺!文档内容仅供研究参考,付费前请自行鉴别。
3、如文档内容存在违规,或者侵犯商业秘密、侵犯著作权等,请点击“违规举报”。

碎片内容

高地降温效应与构造_气候旋回

海纳百川+ 关注
实名认证
内容提供者

热爱教学事业,对互联网知识分享很感兴趣

确认删除?
VIP
微信客服
  • 扫码咨询
会员Q群
  • 会员专属群点击这里加入QQ群
客服邮箱
回到顶部