电脑桌面
添加小米粒文库到电脑桌面
安装后可以在桌面快捷访问

自动喷淋系统计算VIP免费

自动喷淋系统计算_第1页
1/9
自动喷淋系统计算_第2页
2/9
自动喷淋系统计算_第3页
3/9
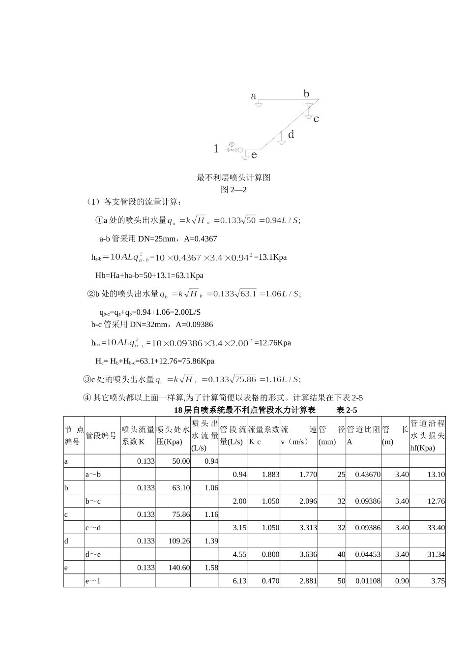
自动喷淋系统计算1、设计数据设计喷水强度qp=6L/min·m2,计算作用面积160m2,最不利点喷头出口压力p=50kpa.。室内最高温度40℃,采用68℃温级玻璃球吊顶型(或边墙型)d=15闭式喷头。一个喷头的最大保护面积为12.5m2。布置在电梯前的走廊上。在走廊上单排设置喷头,其实际的作用面积为22.5m2轻危险级、中级场所中配水支管配水管到控制在标准喷头数表2-4公称直径(mm)控制的标准喷头数(只)轻危险级中危险级25113233405450108651812804832100—642、流量计算(1)理论设计流量:(2)一个放火分区的实际作用面积的计流量:3、喷头布置的间距计算:(1)一个喷头最大保护半径,A=12.5m2R==1.9m(2)走廊最宽为1.5m,所以b=0.75m喷头的最大间距为:S===3.4m(3)喷头的个数:n==个4、水力计算最不利层自喷各支管段的计算根据图2--2最不利层喷头计算图图2—2(1)各支管段的流量计算:①a处的喷头出水量a-b管采用DN=25mm,A=0.4367ha-b===13.1KpaHb=Ha+ha-b=50+13.1=63.1Kpa②b处的喷头出水量qb-c=qa+qb=0.94+1.06=2.00L/Sb-c管采用DN=32mm,A=0.09386hb-c===12.76KpaHc=Hb+Hb-c=63.1+12.76=75.86Kpa③c处的喷头出水量④其它喷头都以上面一样算,为了计算简便以表格的形式。计算结果在下表2-518层自喷系统最不利点管段水力计算表表2-5节点编号管段编号喷头流量系数K喷头处水压(Kpa)喷头出水流量(L/s)管段流量(L/s)流量系数Kc流速v(m/s)管径(mm)管道比阻A管长(m)管道沿程水头损失hf(Kpa)a0.13350.000.94a~b0.941.8831.770250.436703.4013.10b0.13363.101.06b~c2.001.0502.096320.093863.4012.76c0.13375.861.16c~d3.151.0503.313320.093863.4033.40d0.133109.261.39d~e4.550.8003.636400.044533.4031.34e0.133140.601.58e~16.130.4702.881500.011080.903.751144.35∑94.350(2)首层自喷系统支管水力计算计算根据图2-2,结果在表2-6首层喷头计算图图2-2首层自喷系统支管水力计算表表2-6节点编号管段编号喷头流量系数K喷头处水压(Kpa)喷头出水流量(L/s)管段流量(L/s)流量系数Kc流速v(m/s)管径(mm)管道比阻A管长(m)管道沿程水头损失hf(Kpa)a0.13350.000.94a~b0.941.8831.770250.436703.4013.10b0.13363.101.06b~c2.001.0502.096320.093863.4012.76c0.13375.861.16c~d3.151.0503.313320.093863.4033.40d0.133109.261.39d~e4.550.8003.636400.044533.6033.19e0.133142.451.59e~66.140.4702.886500.011080.502.106144.55∑94.55010.13350.000.941~20.941.8831.770250.436703.0011.5820.13361.581.042~31.981.0502.083320.093863.0011.0430.13372.621.133~43.111.0503.266320.093860.302.7040.13375.324~53.110.8002.488320.044533.4030.8650.133106.185~66.800.4703.196500.011082.1010.766116.94∑66.940由上面结果得知首层最不利点在a处L/Sq总=6.14+7.56=13.7L/s压力为:144.55Kpa(3)立管计算:立管为了配水的均匀,一律采用管径DN=125mm,A=0.00008623;计算图为2-3图2-3①h1-2===0.097KpaH2=H1+h1-2+hz=144.35+0.097+30=174.397Kpaq2===6.74L/s②q2-3=q1+q2=6.13+6.74=12.87K/sh2-3===0.43KpaH3=H2+h2-3+hz=397+0.43+30=204.83Kpa③Q3===7.3L/sQ3-4=q1+q2+q3=6.13+6.74+7.3=20.17L/s④===1.26在设计范围(1.15~~1.30)之间,所以系统的设计流量为:Qs=20.17L/s⑤计算达到了设计的系统流量就以设计流量来推算下层的压力。计算各层压力Hi=计算结果在表反映表2-7自动喷水灭火系统立管计算表2-7节点编号管段编号管比阻A管长(m)管径(mm)高差(m)管段流量(L/s)管道沿程水头损失hf(Kpa)节点压力(Kpa)1144.301~20.000086233.00125.003.006.130.102174.402~30.000086233.00125.003.0012.870.433204.833~40.000086233.00125.003.0020.171.054235.884~50.000086233.00125.003.0020.171.055266.935~60.000086233.00125.003.0020.171.056297.986~70.000086233.00125.003.0020.171.057329.047~80.000086233.00125.003.0020.171.058360.098~90.000086233.00125.003.0020.171.059391.149~100.000086233.00125.003.0020.171.0510422.1910~110.000086233.0012...

1、当您付费下载文档后,您只拥有了使用权限,并不意味着购买了版权,文档只能用于自身使用,不得用于其他商业用途(如 [转卖]进行直接盈利或[编辑后售卖]进行间接盈利)。
2、本站所有内容均由合作方或网友上传,本站不对文档的完整性、权威性及其观点立场正确性做任何保证或承诺!文档内容仅供研究参考,付费前请自行鉴别。
3、如文档内容存在违规,或者侵犯商业秘密、侵犯著作权等,请点击“违规举报”。

碎片内容

自动喷淋系统计算

确认删除?
VIP
微信客服
  • 扫码咨询
会员Q群
  • 会员专属群点击这里加入QQ群
客服邮箱
回到顶部