电脑桌面
添加小米粒文库到电脑桌面
安装后可以在桌面快捷访问

液压控制系统习题课1VIP免费

液压控制系统习题课1_第1页
1/7
液压控制系统习题课1_第2页
2/7
液压控制系统习题课1_第3页
3/7
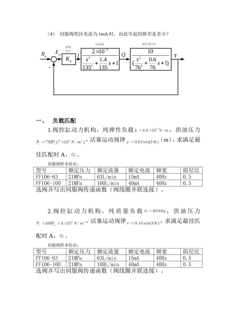
《液压控制系统》大作业题目1:某机械的回转部分采用液压伺服控制系统,其动力元件为电液伺服阀控制对称液压缸形式。已知回转部分的转动惯量=600,液压缸直线运动转换为旋转运动的传动比=0.5(m)。液压缸行程为200mm。选取工作压力为14MPa。(1)油缸作正弦运动:Y=0.05Sin(10t)m;画做出负载轨迹;(2)选取满足最佳匹配要求的电液伺服阀额定空载流量Qo和液压缸活塞有效面积A。(3)选取电液伺服阀,写出电液伺服阀的传递函数。(4)取=700*106Pa,计算液压固有频率;伺服阀样本给出:型号额定压力额定流量额定电流FF106-6321MPa63L/min15mA40HzFF106-10021MPa100L/min40mA40Hz选阀并写出伺服阀传递函数(阀线圈并联连接)。题目2:某俯仰控制机构采用电液伺服阀控制对称液压缸形式的位置控制系统,已知俯仰机构的转动惯量=700,液压缸直线运动转换为旋转运动的传动比=0.25m。要求液压缸的最大行程为L=±100mm。选工作压力为12MPa,要求给出:(1)油缸作正弦运动:Y=0.02Sin(10t)(m/s),做出负载轨迹;(2)选取满足最佳匹配要求的电液伺服阀额定空载流量Qo和液压缸活塞有效面积A。(3)选取电液伺服阀,写出电液伺服阀的传递函数。(4)取=700*106Pa,计算液压固有频率;题目3:某电液位置控制系统,采用电液伺服阀控制对称液压缸,系统的供油压力为14MPa,负载等效质量=4000Kg。要求液压缸实现幅值为40mm,频率为2Hz的正弦运动,求:(1)做出负载轨迹;(2)选取满足最佳匹配要求的电液伺服阀额定空载流量Qo和液压缸活塞有效面积A。(3)选取电液伺服阀,写出电液伺服阀的传递函数。(4)取=700*106Pa,计算液压固有频率;题目4:如图所示为一四通阀控制对称液压缸的动力机构,负载由两个等效质量和一个弹簧相串联组成。要求:(1)自定义需要用到的物理量,列写描述系统特性的动态特性方程;(2)绘制以Xv为输入,Yo为输出的方块图,推导传递函数;题目5:下图为某电液位置控制系统的方块图,要求:(1)写出传递函数;(2)绘制系统的开环Bode图;(3)确定系统的幅值裕量;(4)求出系统做0.02m/s等速度运动时的位置误差;(5)伺服阀死区电流为1mA时,由此引起的静差是多少?A/m;m3/S.A;1/m2Rad/S题目6:如图所示的电液位置控制系统,要求:(1)确定系统处于临界稳定的伺服放大器增益;(2)幅值裕量为6dB时的值。写出传递函数,绘制系统的开环Bode图(3)求出系统做0.02m/s等速度运动时的位置误差;(4)伺服阀死区电流为1mA时,由此引起的静差是多少?一、负载匹配1.阀控缸动力机构,纯弹性负载,供油压力,活塞运动规律(m),求满足最佳匹配时A、。伺服阀样本给出:型号额定压力额定流量额定电流频宽阻尼比FF106-6321MPa63L/min15mA40Hz0.5FF106-10021MPa100L/min40mA40Hz0.5选阀并写出伺服阀传递函数(阀线圈并联连接)。2.阀控缸动力机构,纯质量负载,供油压力,活塞运动规律,求满足最佳匹配时A、。伺服阀样本给出:型号额定压力额定流量额定电流频宽阻尼比FF106-6321MPa63L/min15mA40Hz0.5FF106-10021MPa100L/min40mA40Hz0.5选阀并写出伺服阀传递函数(阀线圈并联连接)。二、阀计算1.已知电液伺服阀供油压力时空载额定流量,求供油压力、负载压力时的负载流量。2.已知电液伺服阀当负载压力为供油压力时,负载流量为,求负载压力为供油压力时的负载流量。3.已知阀压降时伺服阀的额定流量,求供油压力时额定空载流量。三、推导题2.动力机构死区F引起系统静态误差。3.正开口四通阀无因次稳态特性方程推导。4.液压弹簧刚度推导。5.负载折算。6.负载折算。7.、、变化时,动力机构特性曲线如何变化。8.已知,画出博德图,分析增大,博德图如何变化。9、动力机构如图所示,列写动态方程,画出以Xv为出入量,Y2为干扰量,Y1为输出量的传递函数方块图。(15分)10、典型电液位置控制系统开环传递函数如下:画出博德图(幅频、相频都画)并求出稳定条件。(10分)四、概念1.提高、措施2.何为正阻尼长度?3.液压控制阀主要有几种?4.液压控制系统主要优缺点?5.液压动力机构主要有几种形式?6.伺服阀线圈几种接法7.阀控、泵控动力机构主要特点8.为何理解为动态弹簧9....

1、当您付费下载文档后,您只拥有了使用权限,并不意味着购买了版权,文档只能用于自身使用,不得用于其他商业用途(如 [转卖]进行直接盈利或[编辑后售卖]进行间接盈利)。
2、本站所有内容均由合作方或网友上传,本站不对文档的完整性、权威性及其观点立场正确性做任何保证或承诺!文档内容仅供研究参考,付费前请自行鉴别。
3、如文档内容存在违规,或者侵犯商业秘密、侵犯著作权等,请点击“违规举报”。

碎片内容

液压控制系统习题课1

您可能关注的文档

确认删除?
VIP
微信客服
  • 扫码咨询
会员Q群
  • 会员专属群点击这里加入QQ群
客服邮箱
回到顶部