电脑桌面
添加小米粒文库到电脑桌面
安装后可以在桌面快捷访问

医药洁净厂房风量平衡技术浅析VIP免费

医药洁净厂房风量平衡技术浅析_第1页
1/14
医药洁净厂房风量平衡技术浅析_第2页
2/14
医药洁净厂房风量平衡技术浅析_第3页
3/14
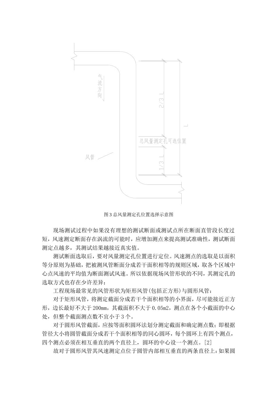
医药洁净厂房风量平衡技术浅析【摘要】医药洁净厂房风量的精确平衡直接影响到洁净室换气次数,关系到洁净室的自净能力和洁净度,进而影响到产品良品率及安全性。风量(或换气次数)在GMP、FDA等认证中是必测项目,直接关系到净化系统能否正常运行。本文主要从常规医药洁净厂房风量平衡调试方面,探讨总结风量平衡方法,提高调试效率;其方法适用于医药洁净厂房净化系统的送风量、回风量、新风量及排风量的平衡测试。【关键词】洁净厂房;风量平衡;风量测试1.引言医药洁净厂房以其净化系统风口多、房间多、系统复杂及系统稳定性差的特点困扰现场调试人员和厂务维护人员,对其净化系统进行综合性能调试需要具备较强的实践经验,要想提高其调试、维护效率,需要系统的分析整理并需要扎实的理论知识作支撑。而净化行业有关设计、施工部分的研究论著、参考文献相当丰富,涉及调试方面的参考资料却鲜有出现,所以我们在这里以某药厂净化空调系统送风量平衡为参考,对净化空调系统综合性能调试的重要环节风量平衡过程做一个剖析,进行经验总结,归纳调试模式。风量平衡测试包括整个洁净厂房的空调系统,风量平衡涵盖空调系统总送风量、回风量、新风量的平衡,以及系统内部各个风口之间风量的调整与测试,使其满足设计风量与房间换气次数要求。风口(或高效风口)作为通风空调系统的末端设备,同时也是洁净厂房中净化系统末端设备。医药洁净厂房净化系统末端采用了高效过滤器送风,过滤安装于静压箱内,静压箱与净化空调系统的送风支管相连接。要想做到空调系统内部风口之间的风量平衡,首先必须做到各个送风支管之间的风量平衡,而平衡的前提是对风量的准确测量,否则就是盲动。洁净厂房因需要防止交叉污染,房间也因其不同功能进行设置与分割,所以医药洁净厂房具有房间多、风量要求精确、压差梯度等级要求高等特点。实际测试过程中,净化空调系统高效送风口的截面风速并非想象中的均匀,因此要准确的进行风量平衡不仅需要先进的测量仪器,同时还要具备系统的平衡技术。风量平衡过程由总风量测定孔位置选取、总风量调试、风口风量调试和风阀位置标记等过程组成,依据净化空调系统的特点,我们称之为风量平衡技术。首先依据设计图纸对系统进行检查,了解现场是否存在变更情况,确保机组运行正常,送风、回风、排风阀门设定在固定位置;其次用热敏式风速仪进行总风量的调整;再次,在完成各个高效送风口送风量摸底测试的基础上,有预见性的调整相应风阀开度,对系统支管风量平衡的同时,完成风口风量平衡工作;最后重新测试各个风口风量以及空调系统总送、回风量及新风量。在平衡过程中,要对流体的“此起彼伏”现象有预见性,灵活运用测量仪器,减少反复调整、测试次数。测试过程中使用电子式风量罩,完全覆盖整个高效送风口,实时读取风量数据,确保被测风量受控于允许波动范围内。2.风量平衡流程医药洁净厂房风量平衡流程见图1:图1医药洁净厂风量平衡流程图调试过程所采用的测量仪器设备见表1:序号设备名称量程单位数量用途备注1热敏风速仪0~50m/s台1总风量测定测定风管风速2风量罩42~4250m3/h台1风口风量测定直接测试风口风量3对讲机/台3调试通讯用4标识牌若干表1风量平衡测试所用仪器2.1总风量测试测定孔位置选取净化空调系统总风量测定:分别测定送、回风主管风速与测试断面截面面积通过其乘积计算得出总风量:L=v*s*3600式中L----风管送风量/回风量,m3/hs----风管的测定截面面积,m2v----测试断面平均风速,m/s所以合理选择测试断面是精确测定送、回风总量的前提,测定孔位置选择流程如图2:图2总风量测定孔位置选择流程图测试断面的选取与测试断面截面积的测定是测试的前期准备工作,测试断面选择原则是尽量选择气流均匀、前后一定距离范围内无局部阻力部件的直管段上尽量保证被测断面风速的均匀性与稳定性。总风量测定截面位置选择,测量端面应位于大于或等于局部阻力管件前3倍管径或长边长,局部阻力管件后5倍管径或长边长的部位[1]。但在现场实际操作中,并不一定存在如此理想的测量端面,所以可以依据现场情况,尽量离上游局部阻力部件(如弯头)距离远点,可根据图3选择测定孔...

1、当您付费下载文档后,您只拥有了使用权限,并不意味着购买了版权,文档只能用于自身使用,不得用于其他商业用途(如 [转卖]进行直接盈利或[编辑后售卖]进行间接盈利)。
2、本站所有内容均由合作方或网友上传,本站不对文档的完整性、权威性及其观点立场正确性做任何保证或承诺!文档内容仅供研究参考,付费前请自行鉴别。
3、如文档内容存在违规,或者侵犯商业秘密、侵犯著作权等,请点击“违规举报”。

碎片内容

医药洁净厂房风量平衡技术浅析

您可能关注的文档

确认删除?
VIP
微信客服
  • 扫码咨询
会员Q群
  • 会员专属群点击这里加入QQ群
客服邮箱
回到顶部