电脑桌面
添加小米粒文库到电脑桌面
安装后可以在桌面快捷访问

工地例会汇报材料VIP免费

工地例会汇报材料_第1页
1/3
工地例会汇报材料_第2页
2/3
工地例会汇报材料_第3页
3/3
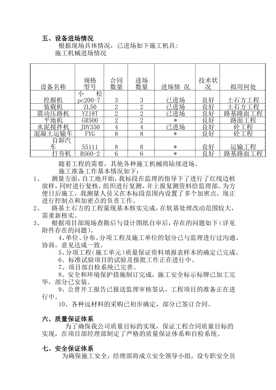
第一次工地例会汇报材料汇报单位:一、工程规模乡镇联网路改建工程全长11.45公里,采用参照四级公路及农村公路标准,6.5m路基设计速度20km/h;4.5m路基设计速度15km/h,回头弯的设计速度采用10km/h,K0+000~K7+970段路基宽度6.5m,K7+970~K11+450路基宽度4.5m,均为水泥混凝土路面。总工期为300日历天。二、主要工程量挖方7636m³,填方(片碎石)3740m³,浆砌片石边沟12749m,浆砌片石暗沟120m,新建水泥混凝土路面67535.5㎡,路面刻纹67535.5㎡,水泥稳定碎石基层56100.5㎡,级配碎石调平层56160.5㎡,土路肩加固2287.00m³,新建和重建涵洞220m/32道,护肩墙2296.7m³,护栏2980m,标志标牌172块,平交18处。三、组织机构在业主和驻地监理的领导下,我标段已成立了相应管理机构,项目部组建完成。四、驻地建设情况汇报1、我标段自中标后,施工管理人员陆续进场,到目前我标段已进行了红线边桩放样、控制点的复测、初步料源查勘情况及市场行情等一系列工作。在指挥的要求下,我标段已进行了主要设备进场,进行了施工前期准备工作,落实临时用地、临时用电后,加紧安排建设事宜。2、驻地建设方面,根据实际情况,我标段采用租用工地附近以前建设水库使用的民房,进行了简单装修,分别作项目部的办公、食堂和宿舍。现已建设完成。3、主要施工人员现已到位,个别人员有提哦啊恒,正准备上报指挥部、监理部批准。具体人员到位情况如下:项目部主要人员到位情况序号姓名在本项目负责情况联系电话项目经理项目副经理项目副经理项目技术负责人质量负责人工程材料计划科综合办质检员质检员技术员技术员安全员安全员五、设备进场情况根据现场具体情况,已进场如下施工机具:施工机械进场情况随着工程的需要,其他各种施工机械将陆续进场。施工准备工作基本情况如下:1、测量方面,自工地开始,我标段在监理的指导下了进行了红线边桩放样,同时进行复核,组织进行复测,并上报复测资料给监理部。为方便日后施工,我测量人员又在本标段范围内设置了多个加密点,现正进行控制点和加密点的负责工作。2、路基土石方的工程量现基本核实完成,在软基处理改动范围较大,需重新核实。3、根据项目部现场查勘后与设计图纸自审后,存在的问题如下(详见附件存在的问题)。4、单位、分布、分项工程及施工单位的划分已与监理进行过沟通、协商,意见达成一致。5、分项工程(施工单元)质量保证资料填报表样本的确定已完成。6、标准试验项目的试验及报批工作正在进行中。7、项目部自检系统已完善。8、安全和环境保护措施制订完成,施工安全标示标牌已加工完毕,部分已安装。9、公曾开工报告已报送监理审核签认,工程项目的准备正在进行中。10、各种远材料的采购已初步确定,部分已签订合同。六、质量保证体系为了确保我公司质量目标的实现,保证工程合同质量目标的实现,在项目部经理部制定了严格的质量保证体系和自检系统。七、安全保证体系为确保施工安全,经理部将成立安全领导小组,设专职安全员设备名称规格型号合同数量进场数量进场情况技术状况拟用何处挖掘机小松pc200-733已进场良好土石方工程装载机ZL5022已进场良好土石方工程震动压路机YZ18T22已进场良好路基路面工程平地机GR50022*良好路面工程水泥搅拌机JDY35044已进场良好砼工程混凝土运输车FYG88*良好砼工程自卸汽车5511188*良好运输工程打夯机BS60-266*良好路基路面工程2名,兼职安全员4名,负责安全工作的实施。监理健全的的安全保证体系,确保施工的安全。安全保证体系和安全领导小组见附图。存在的问题湖北清江路桥关于屏山县农村公路联网改建工程二标段图纸自审后现有以下问题急需设计处理1、需增设涵管的地方K0+450增设300mm涵管、K2+584增设300mm涵管、K2+751增设300mm涵管、K5+570增设300mm涵管、K6+615增设300mm涵管(需9米长,此段为交叉口)。2、路面宽度不够的地方K3+350后段(K3+350~K7+790)所有路面不够,本身4.5m,两边多处有房屋,路面无法做足K0+950之后路面不够右边是悬崖,左边是花岗岩石,路面本身3mK3+000处桥栏杆至桥冒石发生严重位移3、全段坐标点无法找到,交点桩号一半以上无法找到。4、K3+100处有个暗沟不通(不...

1、当您付费下载文档后,您只拥有了使用权限,并不意味着购买了版权,文档只能用于自身使用,不得用于其他商业用途(如 [转卖]进行直接盈利或[编辑后售卖]进行间接盈利)。
2、本站所有内容均由合作方或网友上传,本站不对文档的完整性、权威性及其观点立场正确性做任何保证或承诺!文档内容仅供研究参考,付费前请自行鉴别。
3、如文档内容存在违规,或者侵犯商业秘密、侵犯著作权等,请点击“违规举报”。

碎片内容

工地例会汇报材料

您可能关注的文档

确认删除?
VIP
微信客服
  • 扫码咨询
会员Q群
  • 会员专属群点击这里加入QQ群
客服邮箱
回到顶部