电脑桌面
添加小米粒文库到电脑桌面
安装后可以在桌面快捷访问

综合吊架交底VIP免费

综合吊架交底_第1页
1/9
综合吊架交底_第2页
2/9
综合吊架交底_第3页
3/9
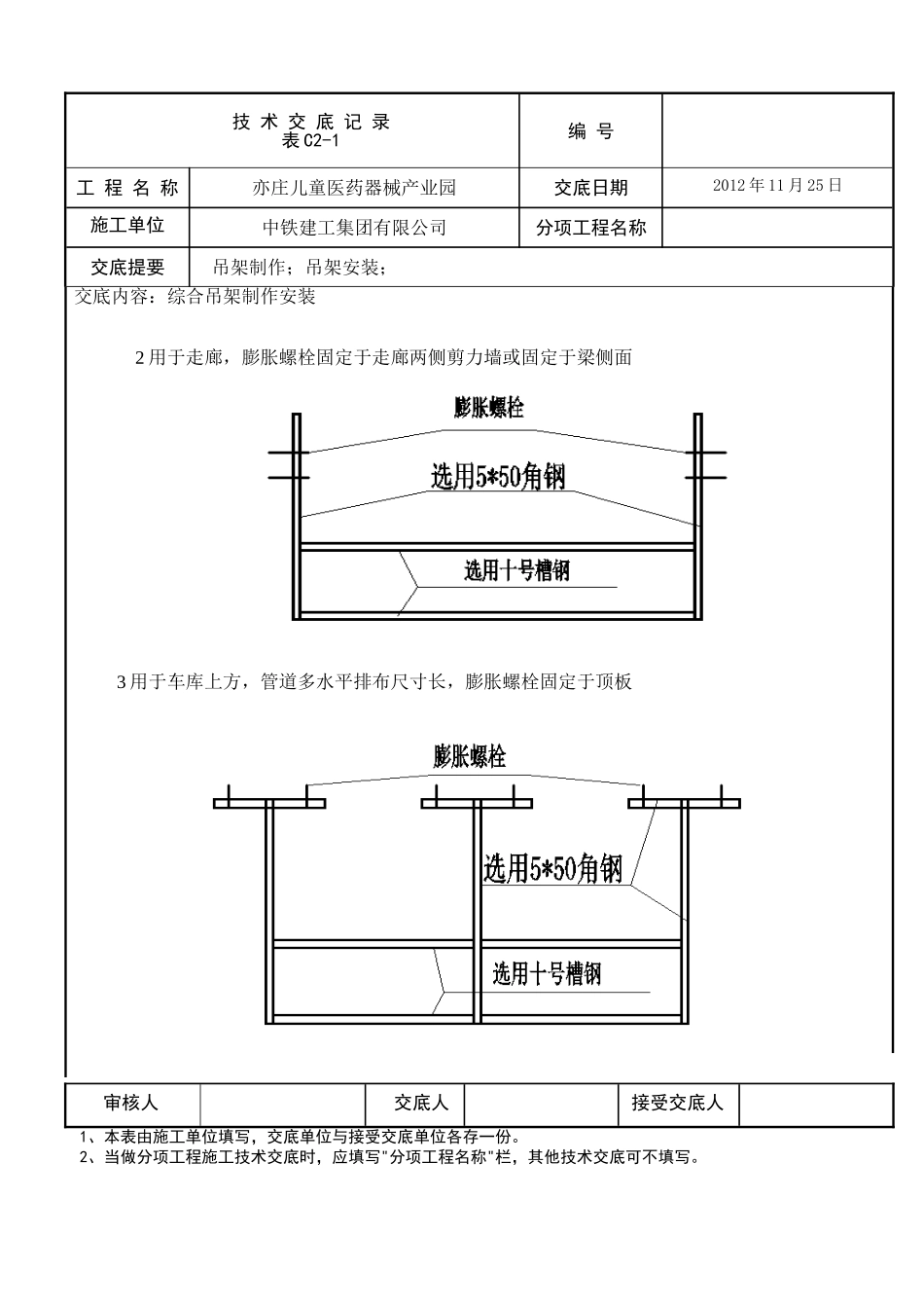
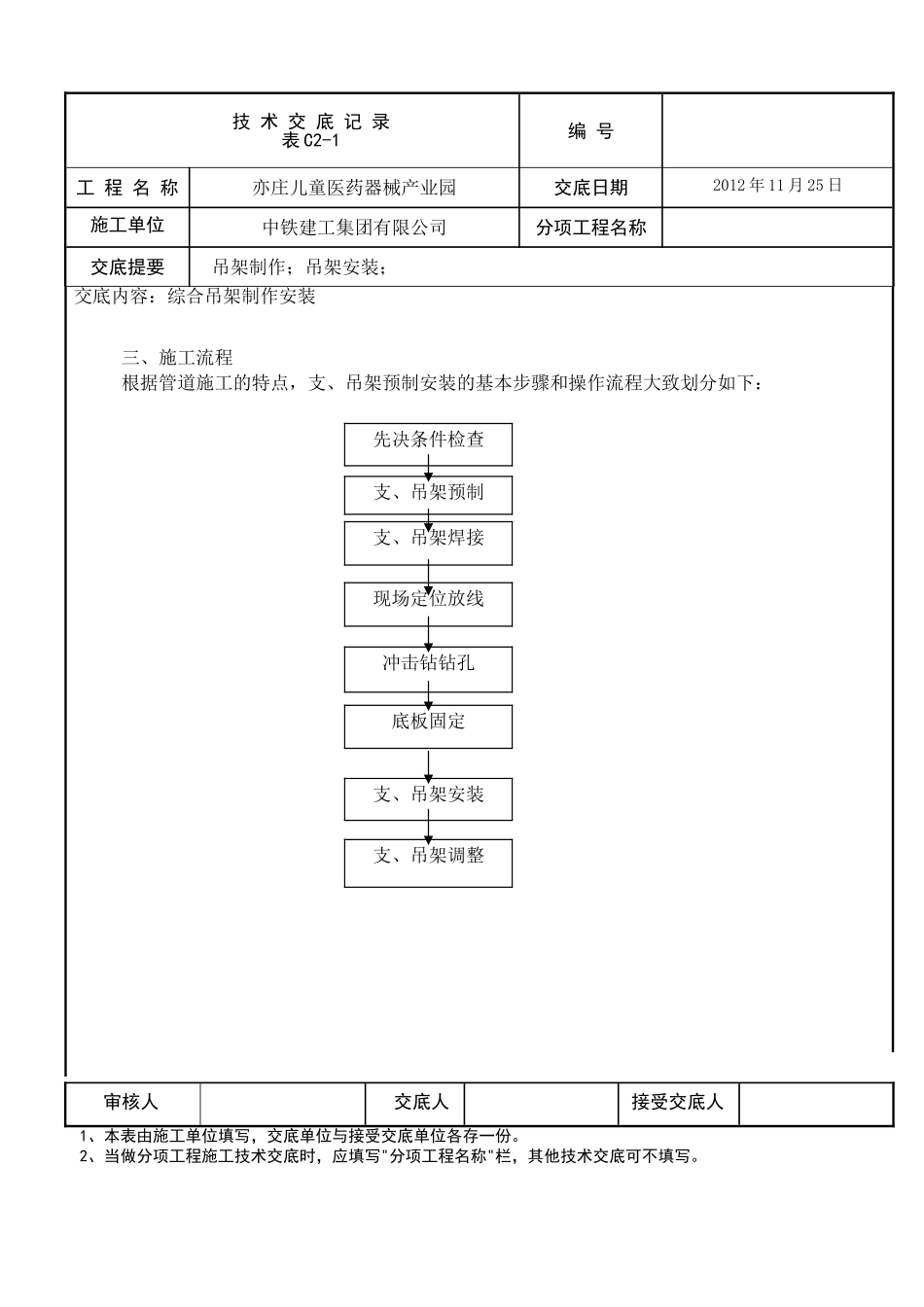
技术交底记录表C2-1编号工程名称亦庄儿童医药器械产业园交底日期2012年11月25日施工单位中铁建工集团有限公司分项工程名称交底提要吊架制作;吊架安装;交底内容:综合吊架制作安装一、施工准备:1技术准备:熟悉各专业图纸,了解各专业管道分布情况。2专业工程师对所有管道进行汇总,画出管道分布图,确定吊架尺寸。3材料要求:10#槽钢、5*50角钢、电焊条、防锈漆、膨胀螺栓及一些测量工具,主要材料原材料报验资料齐全。4主要机具和检测工具:电焊机、切割锯、氧气乙炔、手锤、电钻等。二、吊架形式:1用于走廊,走廊两侧无剪力墙,膨胀螺栓固定于顶板。审核人交底人接受交底人1、本表由施工单位填写,交底单位与接受交底单位各存一份。2、当做分项工程施工技术交底时,应填写"分项工程名称"栏,其他技术交底可不填写。技术交底记录表C2-1编号工程名称亦庄儿童医药器械产业园交底日期2012年11月25日施工单位中铁建工集团有限公司分项工程名称交底提要吊架制作;吊架安装;交底内容:综合吊架制作安装2用于走廊,膨胀螺栓固定于走廊两侧剪力墙或固定于梁侧面3用于车库上方,管道多水平排布尺寸长,膨胀螺栓固定于顶板审核人交底人接受交底人1、本表由施工单位填写,交底单位与接受交底单位各存一份。2、当做分项工程施工技术交底时,应填写"分项工程名称"栏,其他技术交底可不填写。技术交底记录表C2-1编号工程名称亦庄儿童医药器械产业园交底日期2012年11月25日施工单位中铁建工集团有限公司分项工程名称交底提要吊架制作;吊架安装;交底内容:综合吊架制作安装三、施工流程根据管道施工的特点,支、吊架预制安装的基本步骤和操作流程大致划分如下:审核人交底人接受交底人1、本表由施工单位填写,交底单位与接受交底单位各存一份。2、当做分项工程施工技术交底时,应填写"分项工程名称"栏,其他技术交底可不填写。先决条件检查支、吊架预制支、吊架焊接现场定位放线冲击钻钻孔底板固定支、吊架安装支、吊架调整技术交底记录表C2-1编号工程名称亦庄儿童医药器械产业园交底日期2012年11月25日施工单位中铁建工集团有限公司分项工程名称交底提要吊架制作;吊架安装;交底内容:综合吊架制作安装四、制作安装技术要求4.1材料准备支、吊架所用材料、安装件和附着件应是设计图纸规定的材质、规格和型号,并有供货商提供的合格证,且经外观检查合格,不合格者不得使用。4.2支、吊架预制4.2.1支、吊架预制所用的碳钢材料采用砂轮机切割、锯割,所有切割的切口均需打磨平整。4.2.2支、吊架预制所用的槽钢、角钢等材料,如有弯曲,应调直,如果是扭曲或折弯的材料,扭曲和折弯部分应予切除。4.2.3支、吊架无论是单个部件或两个以上部件组成,每个部件不可拼接,必须拼接时,应该用连接板过渡,连接板的尺寸应能保证焊缝长度≥100mm。4.2.4预制支、吊架的根部构件应留有调节余量,该余量应有标志,以便在安装现场按需要进行切割调整。4.2.5支、吊架预制加工完毕后,应及时进行手工除锈或喷砂除锈、并按设计要求涂刷底漆(不锈钢部件除外)。4.2.6所有的支、吊架预制完毕,应按设计要求或规范要求进行符合性检查和质量检查,确保预制的支、吊架正确无误。4.3支、吊架的焊接审核人交底人接受交底人1、本表由施工单位填写,交底单位与接受交底单位各存一份。2、当做分项工程施工技术交底时,应填写"分项工程名称"栏,其他技术交底可不填写。技术交底记录表C2-1编号工程名称亦庄儿童医药器械产业园交底日期2012年11月25日施工单位中铁建工集团有限公司分项工程名称交底提要吊架制作;吊架安装;交底内容:综合吊架制作安装4.3.1支、吊架的焊接应由合格焊工施焊,焊缝不得有漏焊、欠焊或焊接裂缝等缺陷。4.3.2支、吊架的焊接材料,应与支、吊架的材质相匹配。4.3.3支、吊架焊完后应立即除去渣皮、飞溅物,将焊缝表面清理干净。4.3.4支、吊架与管道焊接时,不得将管子烧穿或有咬边现象。(用于固定支架)4.4现场的定位放线4.4.1支、吊架的安装应在预制部件完工且符合技术要求,待安装区域土建施工完毕,预埋件(如果有)预埋良好。4.4.2室内管道的支架,首先应根据设计要求定出固定支架和补偿器...

1、当您付费下载文档后,您只拥有了使用权限,并不意味着购买了版权,文档只能用于自身使用,不得用于其他商业用途(如 [转卖]进行直接盈利或[编辑后售卖]进行间接盈利)。
2、本站所有内容均由合作方或网友上传,本站不对文档的完整性、权威性及其观点立场正确性做任何保证或承诺!文档内容仅供研究参考,付费前请自行鉴别。
3、如文档内容存在违规,或者侵犯商业秘密、侵犯著作权等,请点击“违规举报”。

碎片内容

综合吊架交底

您可能关注的文档

确认删除?
VIP
微信客服
  • 扫码咨询
会员Q群
  • 会员专属群点击这里加入QQ群
客服邮箱
回到顶部