电脑桌面
添加小米粒文库到电脑桌面
安装后可以在桌面快捷访问

供应商审核计划及评分记录表VIP免费

供应商审核计划及评分记录表_第1页
1/13
供应商审核计划及评分记录表_第2页
2/13
供应商审核计划及评分记录表_第3页
3/13
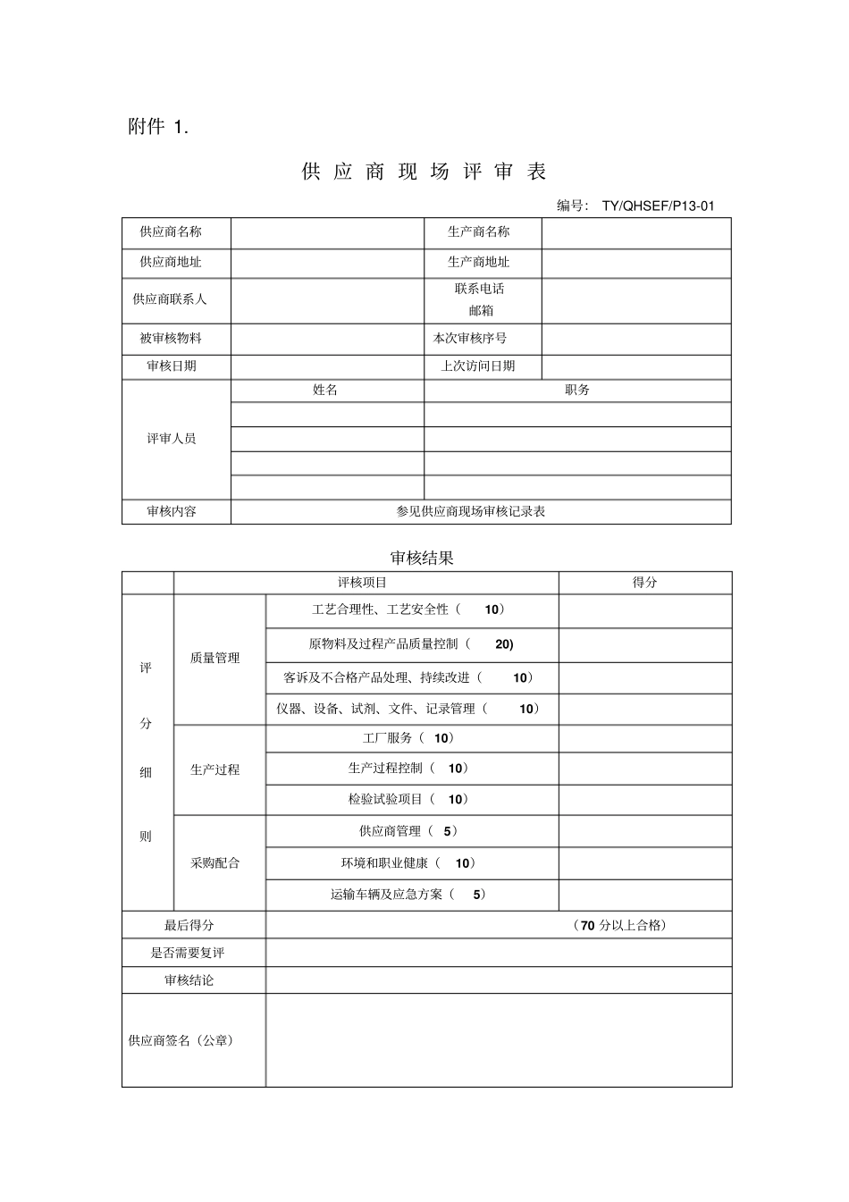
2014年下半年审核计划一、审核对象我公司所有合格供应商及新开发供应商。二、审核目的1.通过此次审核,证实供应商在质量管理体系的运行是否符合我公司的要求;2.针对此次审核中暴露出来的供应商在体系、过程和产品存在的缺陷和问题,要求其制定有效的纠正预防措施并予以执行,提高供应商体系运行的有效性和效率,为产品质量的稳定和提升提供有力的质量管理体系保证。三、审核评分依据此审核评分主要依据质量管理、生产现场管理及采购配合三方面进行。详见附件1.四、审核时间及组织2014年下半年审核对象共4个,大致安排如下:考察时间考察对象提供产品审核组成员备注2014.7供应、质检、生产2014.8供应、质检、生产2014.10供应、质检、生产2014.12供应、质检、生产五、审核的记录及结论审核组成员在现场审核时应做好记录,审核完毕后得出审核结论,以确定是否能继续保持合格供应商资格或是否能成为合格供应商。附件1.供应商现场评审表编号:TY/QHSEF/P13-01供应商名称生产商名称供应商地址生产商地址供应商联系人联系电话邮箱被审核物料本次审核序号审核日期上次访问日期评审人员姓名职务审核内容参见供应商现场审核记录表审核结果评核项目得分评分细则质量管理工艺合理性、工艺安全性(10)原物料及过程产品质量控制(20)客诉及不合格产品处理、持续改进(10)仪器、设备、试剂、文件、记录管理(10)生产过程工厂服务(10)生产过程控制(10)检验试验项目(10)采购配合供应商管理(5)环境和职业健康(10)运输车辆及应急方案(5)最后得分(70分以上合格)是否需要复评审核结论供应商签名(公章)供应商现场审核记录表序号审核项目审核内容审核记录1质量管理(50分)工艺合理性、工艺安全性(10分)能否提供生产的工艺流程图?2生产线是否安装有磁选器/磁力棒装置?3生产线是否安装有金属探测器?4对金属探测器是否有规定的检测方法,检测块的大小,以及多久校准一次金属探测器?5加工过程中中间体的检查及标准是否有明确规定?6生产过程发生偏差时,纠偏措施是否有明确的书面指导?7是否对厂房设施、设备进行维护保养?8现行的质量数据能否发现异常并能进行分析?9是否有专门的检测部门,实验室已认证到何种水平?10是否有明确规定需要检查和校准的仪器?(包括生产线上以及在实验室中的仪器)11质量管理(50分)原物料及过程产品质量控制(20分)成品放行是否得到有效控制?12是否有人负责HACCP的协调和执行?是否有建立HACCP小组?小组成员是否经过HACCP方法的培训?13HACCP计划中,是否有考虑微生物污染的控制?(沙门氏菌、李斯特杆菌、致病大肠杆菌)14致病菌取样频次?取样方法?15采用何种校验方法进行校验,是否有相应的记录?16最近一次体系的审核日期?17有没有组织正式的内审?频率怎样?18批的划分原则,是否能追溯每批产品的数据?19追溯这些信息需要多长时间?对于原料,能追溯到哪种程度?20返工产品是否可追溯?21首批产品的质量是否重点控制?22是否有4M变更的流程程序?23原料进厂检查是否实施?是否有相关的检查标准及指导书?24检查是否由指定人员实施?是否有参照方法、判断标准?25仓库检查体制是否完善,出库检查体制是否可以追溯?26仓库是否有专门的仓库管理人员?是否按照先进先出、近效期先出的原则管理仓库?27是否有对库存量的适当控制?是否每日确认现存产品数量?28原料、包装物、化学品、成品是否有特定的储存间?29是否有特定的储存条件?(温度,湿度)30是否有相应的洁净区管理办法?31质量管理(50分)客诉及不合格产品处理、持续改进(10分)不合格品是否有处理程序并按程序处理?32是否有让步放行的程序?33对质量投诉是否及时纠正?实施的对策有效吗?34是否保存有有关质量投诉的内容、原因、对策的记录?35原料不合格时怎么处置?是否有相应的程序及解决方法?36仓库对合格品与不合格品是否区别管理?37产品运输中,其包装及贮存条件是否适当,保证产品不会变质或受到污染?38洁净区有对外来异物的风险评估么?39对新员工有入职培训计划吗?40公司有没有年度培训计划,并按计划执行?41质量管理(50分)仪器、设备、试剂、文件、记录管...

1、当您付费下载文档后,您只拥有了使用权限,并不意味着购买了版权,文档只能用于自身使用,不得用于其他商业用途(如 [转卖]进行直接盈利或[编辑后售卖]进行间接盈利)。
2、本站所有内容均由合作方或网友上传,本站不对文档的完整性、权威性及其观点立场正确性做任何保证或承诺!文档内容仅供研究参考,付费前请自行鉴别。
3、如文档内容存在违规,或者侵犯商业秘密、侵犯著作权等,请点击“违规举报”。

碎片内容

供应商审核计划及评分记录表

您可能关注的文档

确认删除?
VIP
微信客服
  • 扫码咨询
会员Q群
  • 会员专属群点击这里加入QQ群
客服邮箱
回到顶部