电脑桌面
添加小米粒文库到电脑桌面
安装后可以在桌面快捷访问

供应商评价标准表VIP免费

供应商评价标准表_第1页
1/2
供应商评价标准表_第2页
2/2
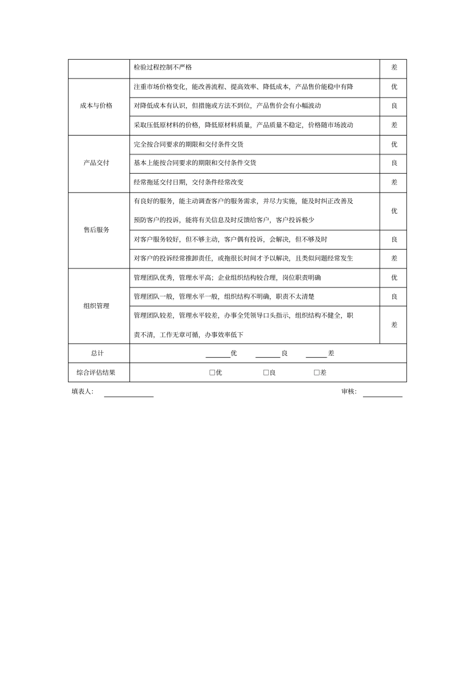
供应商评价标准表编号:评价日期:年月日供应商名称地址产品/服务项目联系人电话评价项评价标准得分技术方面有自我设计、开发主要产品的能力,有一套完善的产品设计开发控制制度优仅能开发较简单的产品或产品中的部分零件,设计控制制度不太规范和严密良无产品设计与开发能力,仅能按照本公司提供的图样或样品进行制造差生产工艺主要工序均有相关作业指导手册,现场文件均受到控制,人员均按标准操作优工序作业指导文件不够全面,并更新不及时,人员不完全按标准操作良无工艺性的文件作为操作依据,全凭口头指挥操作,或凭工人经验操作差设备维护与保养有完整的设备管理办法,采购、操作、维护和保养等均能够有效控制,不同设备进行不同级别的保养,设备经常处于完好状态优对重要设备有保养计划,但设备管理办法不够全面,不能经常保证设备处于完好状态,有因设备损坏而停工的现象发生良无任何设备管理制度,出了大问题才进行维修,经常影响生产差生产现场管理有完整、正规的现场管理办法,例如,自检、互检、巡检制度优有一些规定,但执行力不够导致产能偏差较大,或出现漏检等情况良无正规管理办法,仅凭组长、领班口头盲目指挥生产,质量很难得到保证差质量管理体系有成文的质量管理体系,结构较完善,体系能有效运行,质量手册和程序文件的规定能认真执行优有文件化的质量管理体系,但不完善,体系基本上能够运行,质量手册和程序文件的规定不够严格良无文件化的质量管理体系,只有一些习惯性做法或口头程序差检验过程控制主要检验过程能够严格控制,检验员严格按规定操作,检验结果有专人校核优关键检验过程能够控制,但有时不能严格按文件操作,检验结果由检验员一人填写良检验过程控制不严格差成本与价格注重市场价格变化,能改善流程、提高效率、降低成本,产品售价能稳中有降优对降低成本有认识,但措施或方法不到位,产品售价会有小幅波动良采取压低原材料的价格,降低原材料质量,产品质量不稳定,价格随市场波动差产品交付完全按合同要求的期限和交付条件交货优基本上能按合同要求的期限和交付条件交货良经常拖延交付日期,交付条件经常改变差售后服务有良好的服务,能主动调查客户的服务需求,并尽力实施,能及时纠正改善及预防客户的投诉,能将有关信息及时反馈给客户,客户投诉极少优对客户服务较好,但不够主动,客户偶有投诉,会解决,但不够及时良对客户的投诉经常推卸责任,或拖很长时间才予以解决,且类似问题经常发生差组织管理管理团队优秀,管理水平高;企业组织结构较合理,岗位职责明确优管理团队一般,管理水平一般,组织结构不明确,职责不太清楚良管理团队较差,管理水平较差,办事全凭领导口头指示,组织结构不健全,职责不清,工作无章可循,办事效率低下差总计优良差综合评估结果□优□良□差填表人:审核:

1、当您付费下载文档后,您只拥有了使用权限,并不意味着购买了版权,文档只能用于自身使用,不得用于其他商业用途(如 [转卖]进行直接盈利或[编辑后售卖]进行间接盈利)。
2、本站所有内容均由合作方或网友上传,本站不对文档的完整性、权威性及其观点立场正确性做任何保证或承诺!文档内容仅供研究参考,付费前请自行鉴别。
3、如文档内容存在违规,或者侵犯商业秘密、侵犯著作权等,请点击“违规举报”。

碎片内容

供应商评价标准表

您可能关注的文档

确认删除?
VIP
微信客服
  • 扫码咨询
会员Q群
  • 会员专属群点击这里加入QQ群
客服邮箱
回到顶部