电脑桌面
添加小米粒文库到电脑桌面
安装后可以在桌面快捷访问

保安工作实施方案VIP专享VIP免费

保安工作实施方案_第1页
1/5
保安工作实施方案_第2页
2/5
保安工作实施方案_第3页
3/5
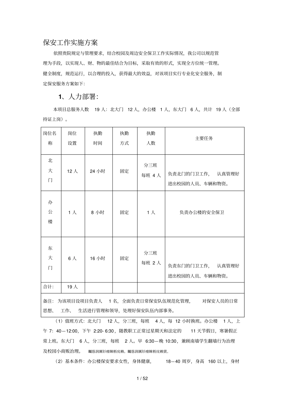
1/52保安工作实施方案依照贵院规定与管理要求,结合校园及周边安全保卫工作实际情况,我公司以规范管理为手段,以实现人、财、物的最佳结合为目标,采取有效的形式,实现全方位统一管理。健全制度,规范运行,以合理的投入,获得最大的效益,对该项目实行专业化安全服务,制定保安服务方案如下:1、人力部署:本项目总服务人数19人:北大门12人,办公楼1人,东大门6人,共计19人(全部持证上岗)。岗位名称岗位设置执勤时间执勤方式执勤人数主要任务北大门12人24小时固定分三班每班4人负责北门的门卫工作,认真管理好进出校园的人员、车辆和物资。办公楼1人8小时固定1人负责办公楼的安全保卫东大门6人16小时固定分三班每班2人负责东门的门卫工作,认真管理好进出校园的人员、车辆和物资。合计:19人备注:为该项目设项目负责人1名,全面负责日常保安队伍规范化管理,对保安人员的日常思想、工作、生活进行管理和领导,处理好保安队伍内部事务。(1)值班方式:北大门12人,分三班,每班4人,每12小时换班。办公楼1人,上午7:40—12:00,下午2:20-6:30,随教职工正常过星期天和法定的11天节假日,寒暑假正常上班。东大门6人,分三班,每班2人。早6:30—晚10:30,兼顾南墙学生翻墙行为治理及校园小商贩治理。矚慫润厲钐瘗睞枥庑赖。矚慫润厲钐瘗睞枥庑赖賃。(2)基本条件:办公楼保安要求女性,身体健康,18—40周岁,身高160以上,身材2/52匀称,相貌较好,初中及以上文化程度。其余18人均要求男性,身体健康,18—50周岁,身高165以上,初中及以上文化程度。男女均要求无违法犯罪记录。聞創沟燴鐺險爱氇谴净。聞創沟燴鐺險爱氇谴净祸。(3)拟派项目人员一览表序号姓名性别年龄学历证件号从业资格证备注项目负责人吴进刚男36豫0920XX001073保安从业资格证复员军人1陈康康男23豫0920XX001621保安从业资格证复员军人2李同森男19中专豫0920XX001707保安从业资格证3石歧杰男27豫0920XX001431保安从业资格证复员军人4张奇伟男26高中豫0920XX001712保安从业资格证复员军人5何帅港男20豫0920XX002111保安从业资格证6程浩杰男20豫0920XX001885保安从业资格证7孔令闻男21高中豫0920XX001778保安从业资格证8赵江洪男26豫0920XX001627保安从业资格证9魏来举男32豫0920XX002179保安从业资格证10吉国良男23豫0920XX001511保安从业资格证11宋少鹏男23豫0920XX002103保安从业资格证12马世宁男22豫0920XX002157保安从业资格证13李壮壮男23豫0920XX001082保安从业资格证14张旭男22豫0920XX001624保安从业资格证15程冬冬男23豫0920XX001877保安从业资格证16史世论男20豫0920XX001854保安从业资格证17施善钊男20豫0920XX002219保安从业资格证18王朝松男29豫0920XX001450保安从业资格证19李凤梅女38豫0920XX000708保安从业资格证2、岗位职责与工作要求1)项目负责人职责项目负责人代表公司全面负责保安队伍的日常管理事务,严格队伍纪律管理,奖优罚劣;承担保安违规违纪连带责任;实行人性化管理,关心队员的疾苦和思想动态,充分调动队员积极性,努力保证队伍稳定;传达落实学校的服务要求与管理规定,组织实施并不断完善校园安全保卫整体方案;结合学校发展实际情况,适时做出岗位调整,完善各岗位职责;有针对性地开展安全教育和警示;定期向保卫处汇报工作开展情况及治安信息,重大情况3/52随时报告;配合学校处理校区内违规事件;组织开展保安业务培训和预案演练,制订校园内重大活动的安全保卫方案;建立健全录用保安人员档案资料。负责安排保安的日常工作,督促检查在岗人员履行岗位职责情况,纠正队员违规违纪行为日常管理不流于形式,形成良好风气,妥善保管好学校提供的设备器材,严格交接班制度。残骛楼諍锩瀨濟溆塹籟。残骛楼諍锩瀨濟溆塹籟婭。2)、班长职责1、班长是保安员的榜样和直接领导,为此,必须以身作则。具有良好的军政素质和较高的业务水平,能沉着冷静,及时正确地处理各类勤务纠纷和突发事件,并能及时做到上传下达,请示汇报,信息畅通。酽锕极額閉镇桧猪訣锥。酽锕极額閉镇桧猪訣锥顧。2、班长对本班保安员负全部责任,保证本班岗按时上下岗,队容严整,按规定着装,带...

1、当您付费下载文档后,您只拥有了使用权限,并不意味着购买了版权,文档只能用于自身使用,不得用于其他商业用途(如 [转卖]进行直接盈利或[编辑后售卖]进行间接盈利)。
2、本站所有内容均由合作方或网友上传,本站不对文档的完整性、权威性及其观点立场正确性做任何保证或承诺!文档内容仅供研究参考,付费前请自行鉴别。
3、如文档内容存在违规,或者侵犯商业秘密、侵犯著作权等,请点击“违规举报”。

碎片内容

保安工作实施方案

确认删除?
VIP
微信客服
  • 扫码咨询
会员Q群
  • 会员专属群点击这里加入QQ群
客服邮箱
回到顶部