电脑桌面
添加小米粒文库到电脑桌面
安装后可以在桌面快捷访问

公共建筑节能标准VIP免费

公共建筑节能标准_第1页
1/4
公共建筑节能标准_第2页
2/4
公共建筑节能标准_第3页
3/4
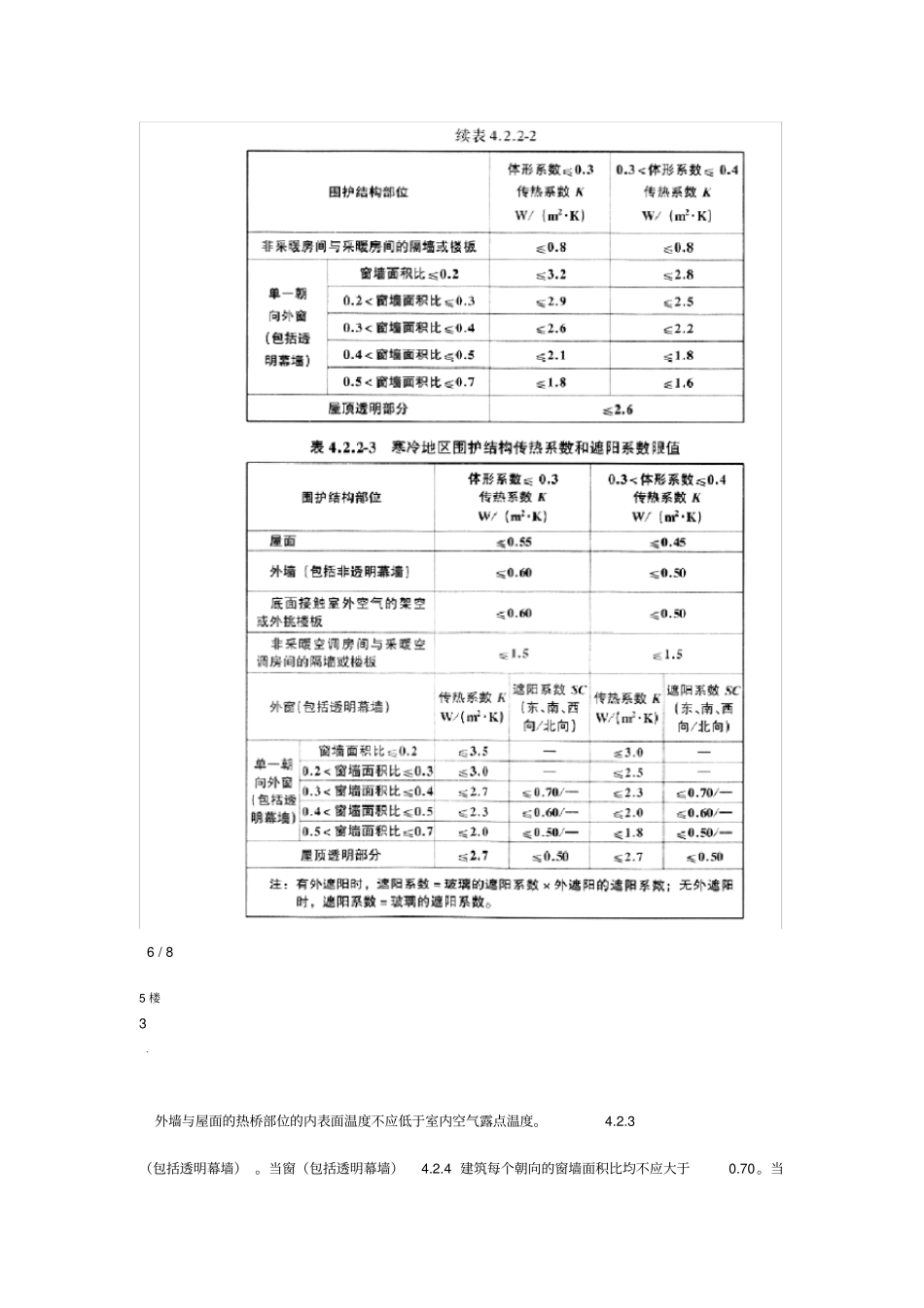
4建筑与建筑热工设计4.1一般规定4.1.1建筑总平面的布置和设计,宜利用冬季日照并避开冬季主导风向,利用夏季自然通风。建筑的主朝向宜选择本地区最佳朝向或接近最佳朝向。4.1.2严寒、寒冷地区建筑的体形系数应小于或等于0.40。当不能满足本条文的规定时,必须按本标准第4.3节的规定进行权衡判断。4.2围护结构热工设计4.2.1各城市的建筑气候分区应按表4.2.1确定。1/84.2.2根据建筑所处城市的建筑气候分区,围护结构的热工性能应分别符合表4.2.2-1、表4.2.2-2、表4.2.2-3、表4.2.2-4、表4.2.2-5以及表4.2.2-6的规定,其中外墙的传热系数为包括结构性热桥在内的平均值Km。当建筑所处城市属于温和地区时,应判断该城市的气象条件与表4.2.1中的哪个城市最接近,围护结构的热工性能应符合那个城市所属气候分区的规定。当本条文的规定不能满足时,必须按本标准第4.3节的规定进行权衡判断。2/83/84/85/86/85楼3外墙与屋面的热桥部位的内表面温度不应低于室内空气露点温度。4.2.3(包括透明幕墙)。当窗(包括透明幕墙)4.2.4建筑每个朝向的窗墙面积比均不应大于0.70。当不能满足0.4时,玻璃(或其他透明材料)的可见光透射比不应小于墙面积比小于0.40节的规定进行权衡判断。本条文的规定时,必须按本标准第4.3夏热冬暖地区、夏热冬冷地区的建筑以及寒冷地区中制冷负荷大的建筑,外窗(包括4.2.5A确定。透明幕墙)宜设置外部遮阳,外部遮阳的遮阳系数按本标准附录,当不能满足本条文的规定时,必须屋顶透明部分的面积不应大于屋顶总面积的4.2.620%4.3按本标准第节的规定进行权衡判断。7/84.2.7建筑中庭夏季应利用通风降温,必要时设置机械排风装置。4.2.8外窗的可开启面积不应小于窗面积的30%;透明幕墙应具有可开启部分或设有通风换气装置。4.2.9严寒地区建筑的外门应设门斗,寒冷地区建筑的外门宜设门斗或应采取其他减少冷风渗透的措施。其他地区建筑外门也应采取保温隔热节能措施。4.2.10外窗的气密性不应低于《建筑外窗气密性能分级及其检测方法》GB7107规定的4级。4.2.11透明幕墙的气密性不应低于《建筑幕墙物理性能分级》GB/T15225规定的3级。4.3围护结构热工性能的权衡判断4.3.1首先计算参照建筑在规定条件下的全年采暖和空气调节能耗,然后计算所设计建筑在相同条件下的全年采暖和空气调节能耗,当所设计建筑的采暖和空气调节能耗不大于参照建筑的采暖和空气调节能耗时,判定围护结构的总体热工性能符合节能要求。当所设计建筑的采暖和空气调节能耗大于参照建筑的采暖和空气调节能耗时,应调整设计参数重新计算,直至所设计建筑的采暖和空气调节能耗不大于参照建筑的采暖和空气调节能耗。4.3.2参照建筑的形状、大小、朝向、内部的空间划分和使用功能应与所设计建筑完全一致。在严寒和寒冷地区,当所设计建筑的体形系数大于本标准第4.1.2条的规定时,参照建筑的每面外墙均应按比例缩小,使参照建筑的体形系数符合本标准第4.1.2条的规定。当所设计建筑的窗墙面积比大于本标准第4.2.4条的规定时,参照建筑的每个窗户(透明幕墙)均应按比例缩小,使参照建筑的窗墙面积比符合本标准第4.2.4条的规定。当所设计建筑的屋顶透明部分的面积大于本标准第4.2.6条的规定时,参照建筑的屋顶透明部分的面积应按比例缩小,使参照建筑的屋顶透明部分的面积符合本标准第4.2.6条的规定。4.3.3参照建筑外围护结构的热工性能参数取值应完全符合本标准第4.2.2条的规定。4.3.4所设计建筑和参照建筑全年采暖和空气调节能耗的计算必须按照本标准附录B的规定进行。8/8

1、当您付费下载文档后,您只拥有了使用权限,并不意味着购买了版权,文档只能用于自身使用,不得用于其他商业用途(如 [转卖]进行直接盈利或[编辑后售卖]进行间接盈利)。
2、本站所有内容均由合作方或网友上传,本站不对文档的完整性、权威性及其观点立场正确性做任何保证或承诺!文档内容仅供研究参考,付费前请自行鉴别。
3、如文档内容存在违规,或者侵犯商业秘密、侵犯著作权等,请点击“违规举报”。

碎片内容

公共建筑节能标准

您可能关注的文档

确认删除?
VIP
微信客服
  • 扫码咨询
会员Q群
  • 会员专属群点击这里加入QQ群
客服邮箱
回到顶部