电脑桌面
添加小米粒文库到电脑桌面
安装后可以在桌面快捷访问

公路预应力钢筋课程设计VIP免费

公路预应力钢筋课程设计_第1页
1/27
公路预应力钢筋课程设计_第2页
2/27
公路预应力钢筋课程设计_第3页
3/27
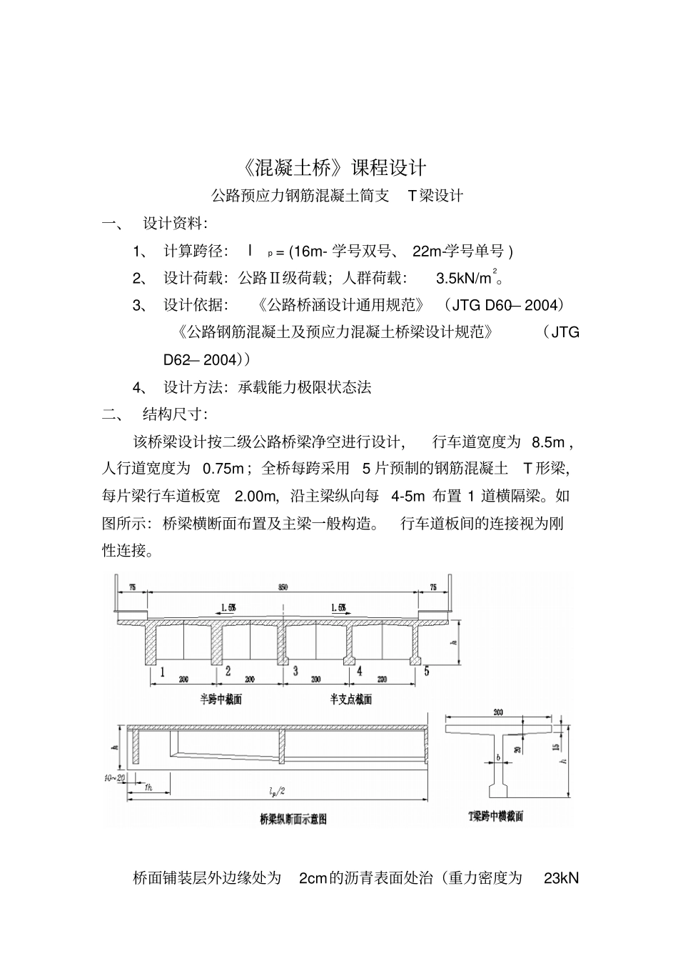
《混凝土桥》课程设计公路预应力钢筋混凝土简支T梁设计一、设计资料:1、计算跨径:lp=(16m-学号双号、22m-学号单号)2、设计荷载:公路Ⅱ级荷载;人群荷载:3.5kN/m2。3、设计依据:《公路桥涵设计通用规范》(JTGD60—2004)《公路钢筋混凝土及预应力混凝土桥梁设计规范》(JTGD62—2004))4、设计方法:承载能力极限状态法二、结构尺寸:该桥梁设计按二级公路桥梁净空进行设计,行车道宽度为8.5m,人行道宽度为0.75m;全桥每跨采用5片预制的钢筋混凝土T形梁,每片梁行车道板宽2.00m,沿主梁纵向每4-5m布置1道横隔梁。如图所示:桥梁横断面布置及主梁一般构造。行车道板间的连接视为刚性连接。桥面铺装层外边缘处为2cm的沥青表面处治(重力密度为23kN/m3)和6cm厚的混凝土三角垫层(重力密度为25kN/m3),桥面横坡1.5%。人行道重力取13kN/m,为了简化计算,将人行道、栏杆和桥面铺装的重力(g1)平均分配给每根主梁。结构中每片中主梁上有10块横隔板预制块,边主梁上有5块横隔梁预制块。将其产生的重力(中主梁g2,边主梁g′2)沿主梁纵向均匀分摊给各主梁,预制横隔梁的重力密度为26kN/m3。主梁重力以g3计,其重力密度取值为26kN/m3。总自重:中主梁:g=g1+g2+g3边主梁:g‘=g1+g2’+g3三、设计内容及要求:设计内容:1、计算桥面板内力(最大弯矩和剪力);2、计算主梁内力(跨中弯矩和剪力及支座处最大剪力),进行配筋与强度检算;设计要求:1、本课程设计须按教务对课程设计的排版格式要求,形成电子文档,并打印成文本上交,同时电子文档也须上交,可以手写。2、本课程设计第16周上完课后准时上交,迟交与不交者均无设计成绩且取消本课程的考试资格。目录一、主梁尺寸设计1、主梁高度2、梁肋厚度3、翼缘板的厚度4、马蹄尺寸5、横隔梁间距及厚度二、桥面板内力计算1、恒载及内力计算(按纵向1米宽的板条进行计算)2、车辆荷载产生的内力3、荷载组合(承载能力极限状态内力组合)三、主梁内力计算1、恒载内力计算2、恒载集度计算表3、主梁恒载内力4、活载内力计算(1)计算基频(2)计算主梁的荷载横向分布系数1)按杠杆原理法计算各梁支点处的荷载横向分布系数2)利用偏心受压法计算各主梁的跨中汽车荷载横向分布系数(3)荷载横向分布系数汇总(4)简支梁控制截面内力影响线及影响线面积(5)公路—Ⅱ级荷载和人群荷载产生的内力计算及其内力组合四、截面校核1、检验截面效率指标ρ2、挠度验算一、主梁尺寸设计1、主梁高度根据《公路桥涵设计通用规范》(JTGD60-2004),公路普通钢筋混凝土梁高跨比的经济范围约为1/11~1/16;预应力混凝土梁的高跨比为1/15~1/25,当建筑高度不受限制时,增大梁高往往是较经济的方案,因为增大梁高可以节省预应力钢束的用量,同时梁高增加一般只是腹板加高,而混凝土用量增加不多。随跨度增大而取较小值,本课程设计采用900mm(1400/15.6)的主梁高度2、梁肋厚度常用的梁肋厚度为15cm-18cm,视梁内主筋的直径和钢筋骨架的片数而定。当腹板内有预应力箍筋时,厚度不得小于腹板高度的1/20,无预应力箍筋时,不得小于1/15,经综合考虑,本课程设计采用梁肋厚度150mm3、翼缘板的厚度根据受力特点,翼缘板的厚度通常都做成变厚度的,即端部较薄,向根部逐渐加厚,为了保证翼缘板与梁肋联结的整体性,翼缘板与梁肋衔接处的厚度不应小于主梁高度的1/12。对铁路桥梁,板与梗腋相交处厚度不得小于梁高的1/10。本课程设计中,翼缘板厚度已给定4、马蹄尺寸马蹄尺寸基本由布置预应力钢束的需要确定的,设计实践表明,马蹄的总面积占总面积的10%-20%为宜。根据《公路钢筋混凝土及预应力混凝土桥涵设计规范》对钢束净距及预留管道的构造要求,初步拟定马蹄宽度为310mm,高度为120mm,马蹄与腹板交接处作三角过渡,高度80mm,以减小局部预应力,马蹄面积占总面积11.5%。中梁支点,跨中截面形式如下图所示5、横隔梁间距及厚度《公路钢筋混凝土及预应力混凝土桥梁设计规范》中规定两横隔梁之间间距不得大于10m,沿主梁纵向每4-5m布置1道横隔梁,结构中每片中主梁上有10块横隔板预制块,边主梁上有5块横隔梁预制块。将其产生的重力(中主梁g2,边主梁g′2)沿主梁纵...

1、当您付费下载文档后,您只拥有了使用权限,并不意味着购买了版权,文档只能用于自身使用,不得用于其他商业用途(如 [转卖]进行直接盈利或[编辑后售卖]进行间接盈利)。
2、本站所有内容均由合作方或网友上传,本站不对文档的完整性、权威性及其观点立场正确性做任何保证或承诺!文档内容仅供研究参考,付费前请自行鉴别。
3、如文档内容存在违规,或者侵犯商业秘密、侵犯著作权等,请点击“违规举报”。

碎片内容

公路预应力钢筋课程设计

确认删除?
VIP
微信客服
  • 扫码咨询
会员Q群
  • 会员专属群点击这里加入QQ群
客服邮箱
回到顶部