电脑桌面
添加小米粒文库到电脑桌面
安装后可以在桌面快捷访问

机床数控技术MOOC习题总结VIP免费

机床数控技术MOOC习题总结_第1页
1/10
机床数控技术MOOC习题总结_第2页
2/10
机床数控技术MOOC习题总结_第3页
3/10
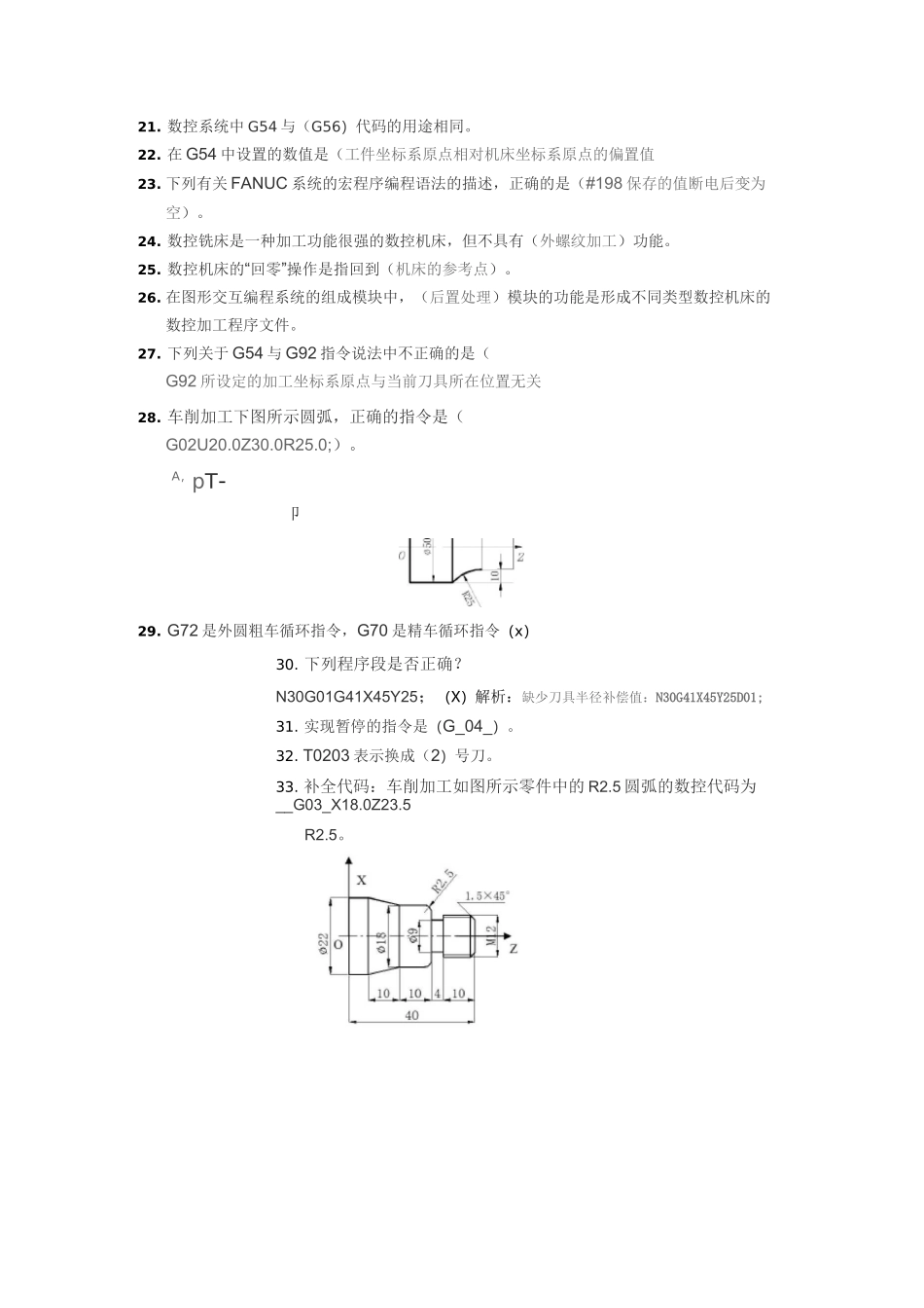
数控机床习题集锦1.(立铣刀)的刀位点是刀头底面的中心2.数控机床上加工零件时,程序执行的起始点,称为(对刀点)3.在数控车床中,若工件坐标系的Z轴与车床主轴的轴线重合,工件坐标系原点处于工件右端面中心,起刀点坐标为(X=120,Z=90),当机床执行数控指令GOOX50Z0时的实际刀具路径为(从起刀点经过点(X=50,Z=55)再到终点(X=50,Z=0)的一条折线)。解析:执行车床执行G00指令时,XZ轴均以最大的速度运动,因此此时轨迹为一条45度的折线,当其中一轴到达终点时,未达到终点的另一轴将继续向终点运动。注意X轴坐标要以直径值表示。4.(位置环控制)不属于数控机床的PLC功能5.设H01二6mm,则G91G43G01Z-15H01F100执行后,实际移动量为(9mm)。6.直线、圆弧类零件的轮廓一般由直线和圆弧组成,相邻直线或圆弧的交点或切点称为(基点。7.在满足允许的编程误差条件下,用若干直线段或圆弧段去逼近给定的非圆曲线,相邻逼近线段的交点或切点称为(节点)。8.数控铣床的机械原点,一般是由制造厂商设定。⑴9•恒线速控制的原理是当工件的直径越大,工件转速越慢。(“)10.同一工件,无论用数控机床加工还是用普通机床加工,其工序都一样。(x)11.用直线逼近非圆曲线时,可采用弦线逼近,其计算节点的方法主要有等间距法、等步长法和等误差法,其中等步长法生成的零件程序最短(x)12.进给路线的确定一是要考虑加工精度,二是要实现最短的进给路线(“)13.对刀的目的就是确定工件坐标系的原点在机床坐标系中的位置。(“)14.在数控加工中,刀具补偿功能除对刀具半径进行补偿外,在用同一把刀进行粗、精加工时,还可进行加工余量的补偿,设刀具半径为r,精加工时半径方向余量为△,则最后一次粗加工走刀的半径补偿量为(「+△15.在凹槽加工中,可获得较好加工效果的走刀路线是(先行切再环切)16.用08mm的刀具进行轮廓的粗、精加工,要求精加工余量为0.2,则粗加工刀具补偿量为(4.2mm)。17.用弦线逼近非圆曲线时,所用直线段数目最少的方法是(等误差法)。18.由于车刀刀尖是一个点,因此编制数控车削程序时不需要对刀具半径进行补偿。(x)19.编写数控加工程序时,首先要设定机床坐标系(x)解析:编写数控加工程序时,首先要设定工件坐标系,以便编程。要确定工件坐标系的原点在机床坐标系中的位置,是通过对刀来实现的。回参考点的目的是确定机床坐标系。机床坐标系实际上通常是处于一个固定的位置,由厂家设定,用户不能更改。20.高速加工的机床不仅指要有高的主轴转速,与主轴转速相匹配的高进给速度,还必须具备高的进给加速度(“)21.数控系统中G54与(G56)代码的用途相同。22.在G54中设置的数值是(工件坐标系原点相对机床坐标系原点的偏置值23.下列有关FANUC系统的宏程序编程语法的描述,正确的是(#198保存的值断电后变为空)。24.数控铣床是一种加工功能很强的数控机床,但不具有(外螺纹加工)功能。25.数控机床的“回零”操作是指回到(机床的参考点)。26.在图形交互编程系统的组成模块中,(后置处理)模块的功能是形成不同类型数控机床的数控加工程序文件。27.下列关于G54与G92指令说法中不正确的是(G92所设定的加工坐标系原点与当前刀具所在位置无关28.车削加工下图所示圆弧,正确的指令是(G02U20.0Z30.0R25.0;)。A,pT-卩29.G72是外圆粗车循环指令,G70是精车循环指令(x)30.下列程序段是否正确?N30G01G41X45Y25;(X)解析:缺少刀具半径补偿值:N30G41X45Y25D01;31.实现暂停的指令是(G_04_)。32.T0203表示换成(2)号刀。33.补全代码:车削加工如图所示零件中的R2.5圆弧的数控代码为__G03_X18.0Z23.5R2.5。34.补全代码:车削加工如图所示零件中的R2.5圆弧的数控代码为G92X11.54Z27.035.使用孔加工循环指令时,为了在孔加工完成后返回到R平面,应配合使用G__99—指令。36.数控车削时,N10G90X35.0Z20.0F50指令含义为(轴径35的单一外圆柱切削循环加工37.用宏程序编程加工如图所示零件,若铣刀半径为6mm,则下列程序中空缺的代码应为()。38.O1000;G54G90G0G17G40;39.S2000M03;Z5;G65P9010X-150Y-50;G65P9010X-150Y50;G0Z100;M30;09010;G90G...

1、当您付费下载文档后,您只拥有了使用权限,并不意味着购买了版权,文档只能用于自身使用,不得用于其他商业用途(如 [转卖]进行直接盈利或[编辑后售卖]进行间接盈利)。
2、本站所有内容均由合作方或网友上传,本站不对文档的完整性、权威性及其观点立场正确性做任何保证或承诺!文档内容仅供研究参考,付费前请自行鉴别。
3、如文档内容存在违规,或者侵犯商业秘密、侵犯著作权等,请点击“违规举报”。

碎片内容

机床数控技术MOOC习题总结

确认删除?
VIP
微信客服
  • 扫码咨询
会员Q群
  • 会员专属群点击这里加入QQ群
客服邮箱
回到顶部