电脑桌面
添加小米粒文库到电脑桌面
安装后可以在桌面快捷访问

冷链物流中心冷库砌体工程施工方案VIP免费

冷链物流中心冷库砌体工程施工方案_第1页
1/13
冷链物流中心冷库砌体工程施工方案_第2页
2/13
冷链物流中心冷库砌体工程施工方案_第3页
3/13
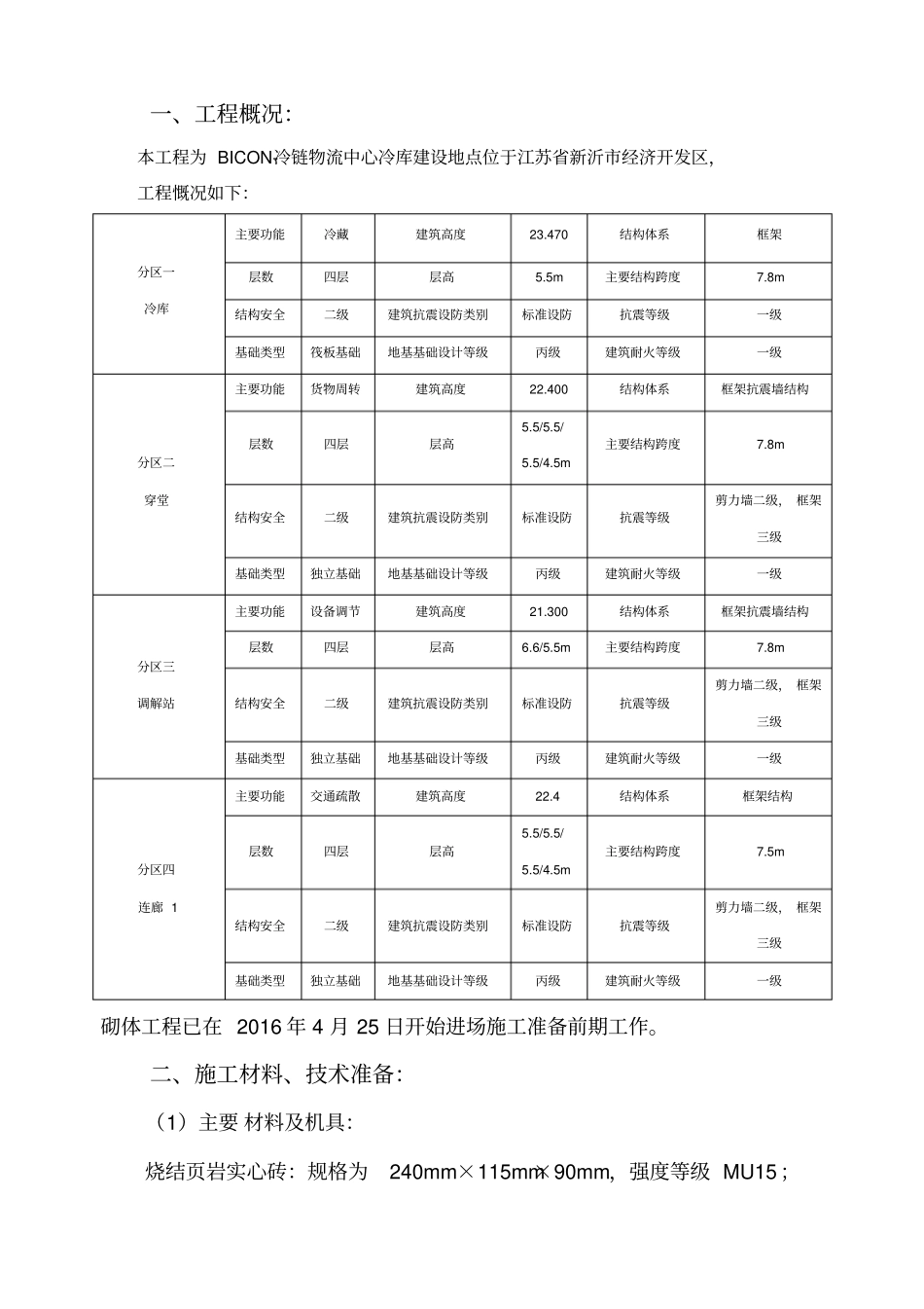
一、工程概况:本工程为BICON-冷链物流中心冷库建设地点位于江苏省新沂市经济开发区,工程慨况如下:分区一冷库主要功能冷藏建筑高度23.470结构体系框架层数四层层高5.5m主要结构跨度7.8m结构安全二级建筑抗震设防类别标准设防抗震等级一级基础类型筏板基础地基基础设计等级丙级建筑耐火等级一级分区二穿堂主要功能货物周转建筑高度22.400结构体系框架抗震墙结构层数四层层高5.5/5.5/5.5/4.5m主要结构跨度7.8m结构安全二级建筑抗震设防类别标准设防抗震等级剪力墙二级,框架三级基础类型独立基础地基基础设计等级丙级建筑耐火等级一级分区三调解站主要功能设备调节建筑高度21.300结构体系框架抗震墙结构层数四层层高6.6/5.5m主要结构跨度7.8m结构安全二级建筑抗震设防类别标准设防抗震等级剪力墙二级,框架三级基础类型独立基础地基基础设计等级丙级建筑耐火等级一级分区四连廊1主要功能交通疏散建筑高度22.4结构体系框架结构层数四层层高5.5/5.5/5.5/4.5m主要结构跨度7.5m结构安全二级建筑抗震设防类别标准设防抗震等级剪力墙二级,框架三级基础类型独立基础地基基础设计等级丙级建筑耐火等级一级砌体工程已在2016年4月25日开始进场施工准备前期工作。二、施工材料、技术准备:(1)主要材料及机具:烧结页岩实心砖:规格为240mm×115mm×90mm,强度等级MU15;烧结页岩多孔砖:规格为240mm×115mm×90mm,强度等级不低于MU10,产品龄期应超过28天;各项指标均须符合设计要求,并应规格一致;有出厂证明、试验单,材料进场时规格尺寸超差明显,应予更换材料。水泥:选用32.5级矿渣硅酸盐水泥,不使用过期或受潮结块水泥。水泥进场使用前,应分批对其强度、安定性进行复验,检验批应以同一生产厂家,同一编号为一批。当在使用中对水泥质量有怀疑或水泥出厂超过三个月时,应复查试验,并按其结果使用。不同品种的水泥,不得混合使用;砂:中砂,应过5mm孔径的筛,配制M5及其以上的砂浆,砂的含泥量不超过5%,并不得含有草根等杂物;石灰膏:按比例配制搅拌,机械搅拌时间不少于3分钟;其它材料:砼预制块、预埋件等。主要机具:搅拌机、小推车、线坠、钢卷尺、灰槽、水桶、砖夹子、小线、扫帚、铁抹子、铁锹等。(2)技术准备:1、合理提出劳动及材料、机具的使用计划。2、砌筑前应先将楼地面清扫干净、洒水湿润,并在基层上弹好墙线和其他尺寸线,应立好皮数杆,同时办理验线签字手续。3、砌筑施工前应结合砌体和砌块的特点、设计图纸要求及现场具体条件,准备好施工机具,做好施工平面布置并配备专业工长负责砌体工程的施工任务、人员的安排、现场安全文明管理、工序交叉衔接施工,按设计要求和质量安全标准编制专项书面技术交底。4、砌块排列时,必须根据设计图纸和砌块尺寸、垂直灰缝的宽度、水平灰缝的厚度等计算砌块的皮数以保证墙体的尺寸,开始砌筑时先要进行摆砖排出灰缝宽度,摆砖时应注意门窗位置,同时要考虑窗间墙的组砌方法,以及七分头、半砖砌块等砌在何处为好,使各皮砖的竖缝相互错开。5、专职质量检查人员应在施工过程中进行质量旁站监督检查,进行质量验收,对满足质量要求的部位进行标识,每施工完一道工序均需向监理部门报验,经验合格后方能进行下道工序。6、班组砌筑工人要求中,高级工不少于20%,中级工不少于50%和30%的一般技工组成砌体作业队伍。三、工艺流程和施工技术要点:(1)、工艺流程:合格合格不合格不合格合格合格不合格定位放线,配置砂浆验线砌块排列,校正检查竖缝灌砂浆,勒缝验收(2)施工前应先砌筑样板墙,待监理验收合格后,方可大量砌筑;(3)严格执行施工工艺的操作程序和施工技术质量标准;砌筑时,应先砌筑转角砌块,然后再砌中间砌块,要砌一皮、校一皮,皮皮应拉线控制砌体标高和墙面平整度,砌块排列尽量不镶砖或少镶砖,必须镶砖时,应用整砖平砌,且尽量分散,镶砌砖的强度不应小于砌块强度等级;(4)烧结页岩实心砖试验检测的各项指标必须符合砌体规定的技术性能标准,砌筑前按墙段实量尺寸和砖块规格尺寸进排列摆块,烧结页岩砖的水平及竖直灰缝均应控制在8mm~12mm,灰缝应横平竖直,砂浆饱满。(5)砖块砌筑时应逐皮均匀...

1、当您付费下载文档后,您只拥有了使用权限,并不意味着购买了版权,文档只能用于自身使用,不得用于其他商业用途(如 [转卖]进行直接盈利或[编辑后售卖]进行间接盈利)。
2、本站所有内容均由合作方或网友上传,本站不对文档的完整性、权威性及其观点立场正确性做任何保证或承诺!文档内容仅供研究参考,付费前请自行鉴别。
3、如文档内容存在违规,或者侵犯商业秘密、侵犯著作权等,请点击“违规举报”。

碎片内容

冷链物流中心冷库砌体工程施工方案

您可能关注的文档

确认删除?
VIP
微信客服
  • 扫码咨询
会员Q群
  • 会员专属群点击这里加入QQ群
客服邮箱
回到顶部