电脑桌面
添加小米粒文库到电脑桌面
安装后可以在桌面快捷访问

力学试验大全VIP专享VIP免费

力学试验大全_第1页
1/21
力学试验大全_第2页
2/21
力学试验大全_第3页
3/21
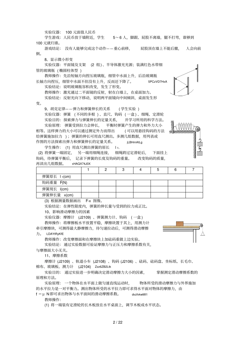
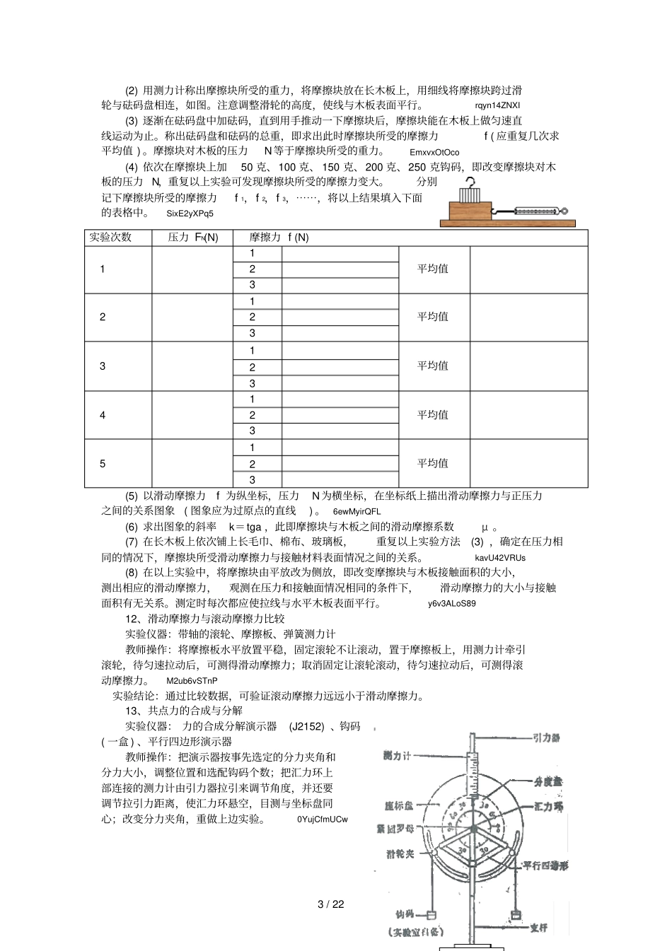
1/22力学实验大全1、力是物体之间的相互作用实验仪器:磁铁、小铁块;细线、钩码(学生用)教师操作:磁铁吸引铁块。学生操作:用细线使放在桌上的钩码上升。实验结论:力是物体对物体的作用。2、测量力的仪器实验仪器:弹簧秤(2只)弹簧秤:(1)构造和原理弹簧秤测力原理是根据胡克定律,即F拉=F弹=kx,故弹簧秤的刻度是均匀的,构造如图。b5E2RGbCAP(2)保养①测力计不能超过弹簧秤的量程。②测量前要注意检查弹簧秤是否需要调零,方法是将弹簧秤竖直挂起来,如其指针不指零位,就需要调零,一般是通过移动指针来调零。p1EanqFDPw③被测力的方向应与弹簧秤轴线方向一致。④读数时应正对平视。⑤测量时,除读出弹簧秤上最小刻度所表示的数值外,还要估读一位。⑥一次测量时间不宜过久,以免弹性疲乏,损坏弹簧秤。教师操作:两只弹簧秤钩在一起拉伸,可检验弹簧秤是否已损坏。3、力的图示实验仪器:刻度尺、圆规4、重力的产生及方向实验仪器:小球、重锤、斜面教师操作:向上抛出小球,小球总是会落到地面。教师操作:小球在桌上滚到桌边后总是会落到地面。实验结论:地球对它附近的一切物体都有力的作用,地球对它周围的物体都有吸引的作用。教师操作:观察重锤线挂起静止时,线的方向。教师操作:观察重锤线的方向与水平桌面、斜面是否垂直。实验结论:重力的方向与水平面垂直且向下,而不是垂直物体表面向下。5、重力和质量的关系实验仪器:弹簧秤、钩码(100g×3只)教师操作:将质量为100g的3只钩码依次挂在弹簧秤上,分别读出它们受到的重力为多少牛,将数据记在表格中,做出相应计算。DXDiTa9E3d质量m(kg)重力G(N)重力与质量的比g(N/kg)0.10.20.3实验结论:物体的质量增大几倍,重力也增大几倍,即物体所受的重力跟它的质量成正比,这个比值始终是9.8N/kg。RTCrpUDGiT6、悬挂法测重心实验仪器:三角板、悬线、不规则形状薄板(人字形梯子、绳子)教师操作:在A点用线将不规则物体悬挂起来;在B点将不规则物体悬挂起来,两次重锤线的交点即是重心。(若条件许可,可用梯子、绳子测出人的重心位置。)7、重心位置会发生改变2/22实验仪器:100元面值人民币学生游戏:人民币放于墙附近,学生5~6人,脚跟、屁股不离墙,腿不打弯,谁够到100元就归谁。游戏结论:没有人能够完成这个动作——重心前移,屁股顶在墙上不能后撤,人会向前倒。8、显示微小形变实验仪器:平面镜及支架(2组)、半导体激光光源;装满红色水带细管的玻璃瓶(椭圆柱体型)教师操作:先沿短轴方向捏压玻璃瓶,细管中水面上升,后沿玻璃瓶长轴方向捏压,细管中水面不但没有上升,反而还下降了。5PCzVD7HxA实验结论:说明玻璃瓶容积改变,发生了形变。教师操作:激光通过二平面镜的反射,射在白墙上,在桌面加力。实验结论:反射光向下移动,说明两平面镜向中间倾斜,桌面发生形变。9、胡克定律——弹力和弹簧伸长的关系(学生实验)实验仪器:弹簧(不同的多根)、直尺、钩码(一盒)、细绳、定滑轮实验目的:探索弹力与弹簧伸长的定量关系,并学习所用的科学方法。实验原理:弹簧受到拉力会伸长,平衡时弹簧产生的弹力和外力大小相等。这样弹力的大小可以通过测定外力而得出(可以用悬挂钩码的方法给弹簧施加拉力);弹簧的伸长可用直尺测出。多测几组数据,用列表或作图的方法探索出弹力和弹簧伸长的定量关系。jLBHrnAILg学生操作:(1)用直尺测出弹簧的原长l0.(2)将弹簧一端固定,另一端用细绳连接,细绳跨过定滑轮后,下面挂上钩码,待弹簧平衡后,记录下弹簧的长度及钩码的重量。改变钩码的质量,再读出几组数据。xHAQX74J0X1234567弹簧原长l0(cm)钩码重量F(N)弹簧现长l(cm)弹簧伸长量x(cm)(3)根据测量数据画出F-x图像。实验结论:在弹性限度内,弹簧的伸长量与受到的拉力成正比。10、影响滑动摩擦力的因素实验仪器:摩擦计(J2109)、弹簧测力计、钩码(一盒)教师操作:将摩擦板水平放置平稳,摩擦块置于其上,用测力计牵引摩擦块,可测得最大静摩擦力,待匀速拉动后,可测得滑动摩擦力。LDAYtRyKfE教师操作:改变摩擦面和在摩擦块上加砝码重做上边实验。实验结论:通过实验数据可验证摩擦力与正压力和摩擦系数有关,与摩擦面大小...

1、当您付费下载文档后,您只拥有了使用权限,并不意味着购买了版权,文档只能用于自身使用,不得用于其他商业用途(如 [转卖]进行直接盈利或[编辑后售卖]进行间接盈利)。
2、本站所有内容均由合作方或网友上传,本站不对文档的完整性、权威性及其观点立场正确性做任何保证或承诺!文档内容仅供研究参考,付费前请自行鉴别。
3、如文档内容存在违规,或者侵犯商业秘密、侵犯著作权等,请点击“违规举报”。

碎片内容

力学试验大全

确认删除?
VIP
微信客服
  • 扫码咨询
会员Q群
  • 会员专属群点击这里加入QQ群
客服邮箱
回到顶部