电脑桌面
添加小米粒文库到电脑桌面
安装后可以在桌面快捷访问

加固工程检验批汇总36VIP免费

加固工程检验批汇总36_第1页
1/36
加固工程检验批汇总36_第2页
2/36
加固工程检验批汇总36_第3页
3/36
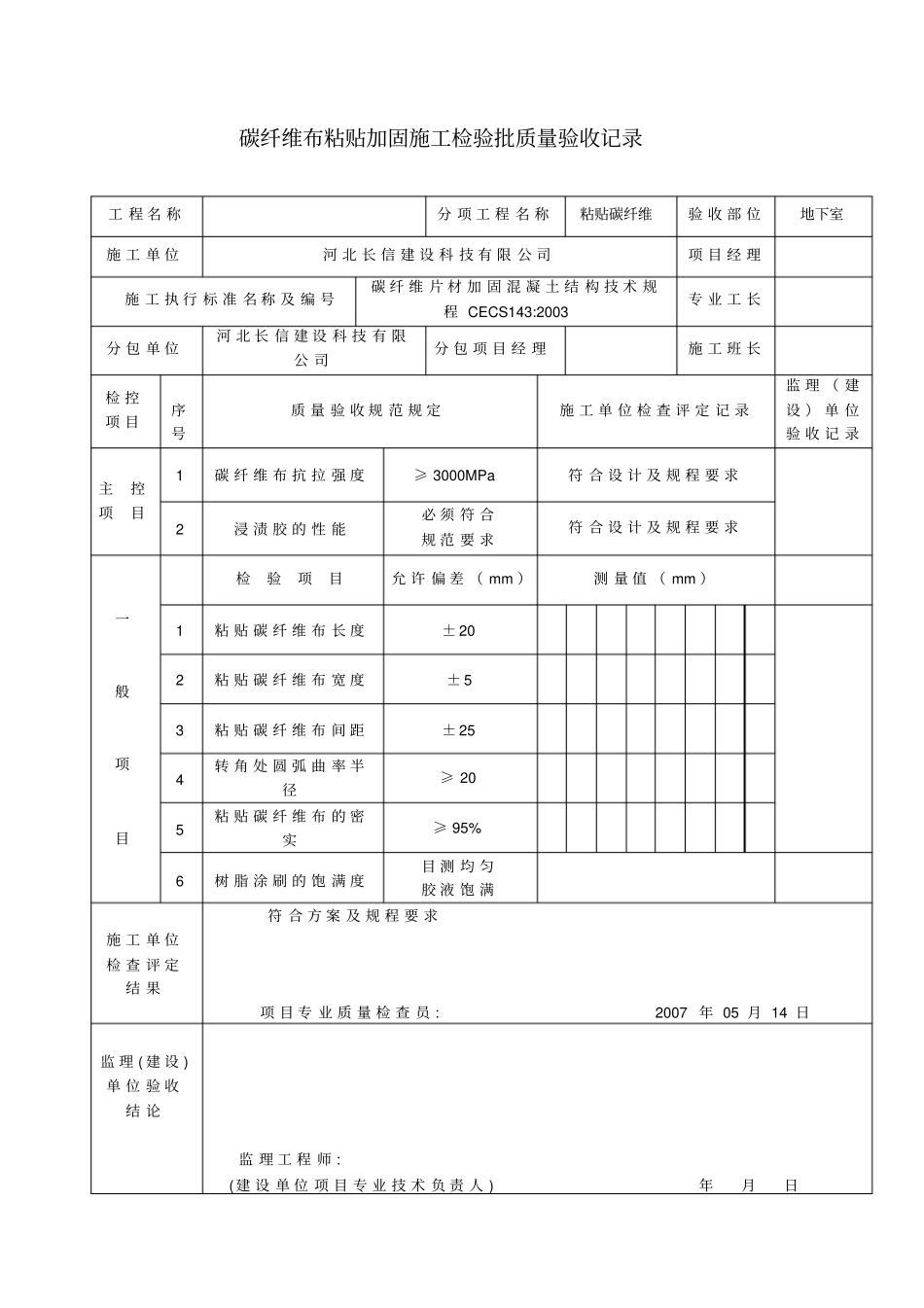
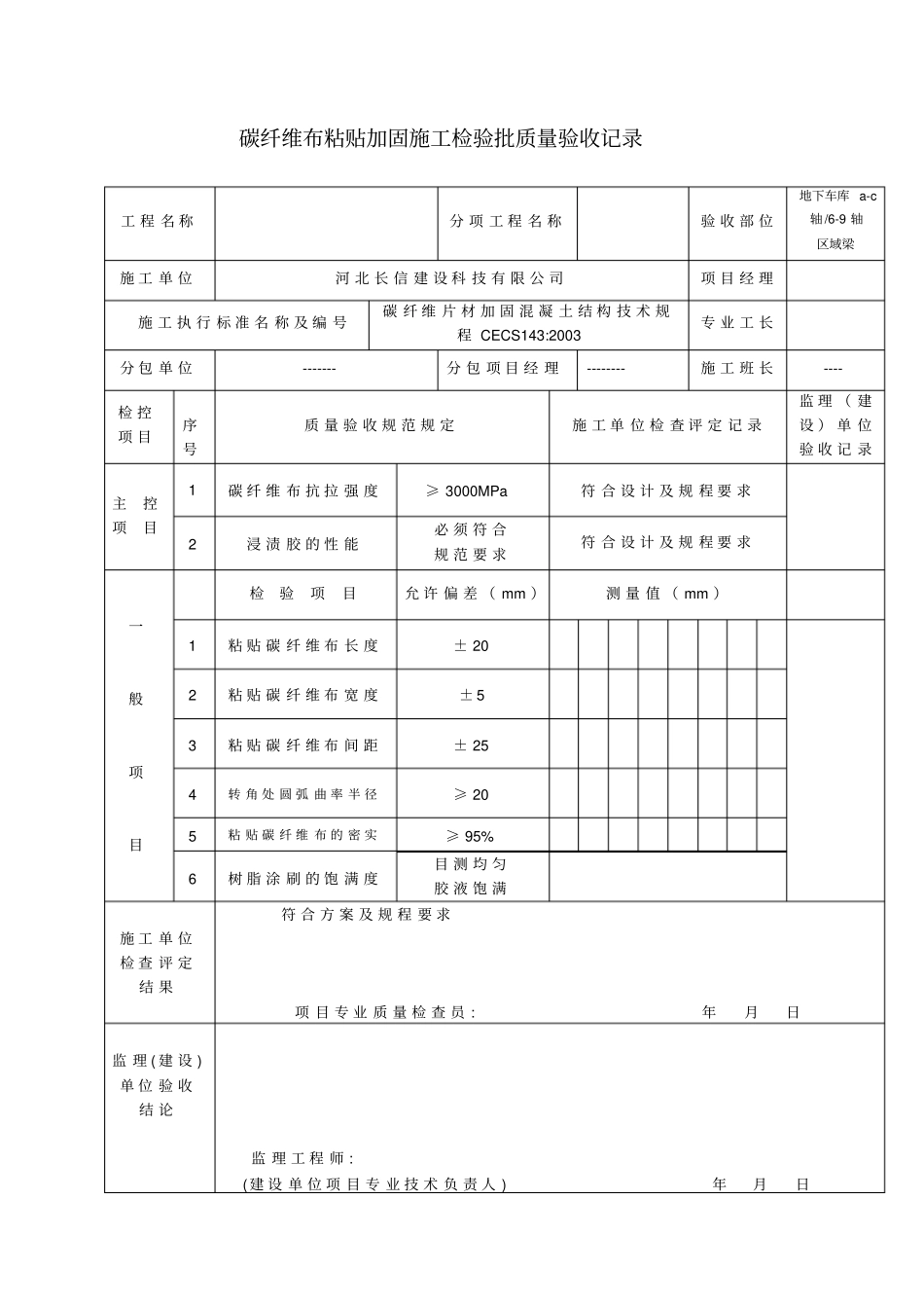
加固工程检验批汇总检验批施工用碳纤维布粘贴加固施工检验批质量验收记录工程名称分项工程名称粘贴碳纤维验收部位地下室施工单位河北长信建设科技有限公司项目经理施工执行标准名称及编号碳纤维片材加固混凝土结构技术规程CECS143:2003专业工长分包单位河北长信建设科技有限公司分包项目经理施工班长检控项目序号质量验收规范规定施工单位检查评定记录监理(建设)单位验收记录主控项目1碳纤维布抗拉强度≥3000MPa符合设计及规程要求2浸渍胶的性能必须符合规范要求符合设计及规程要求一般项目检验项目允许偏差(mm)测量值(mm)1粘贴碳纤维布长度±202粘贴碳纤维布宽度±53粘贴碳纤维布间距±254转角处圆弧曲率半径≥205粘贴碳纤维布的密实≥95%6树脂涂刷的饱满度目测均匀胶液饱满施工单位检查评定结果符合方案及规程要求项目专业质量检查员:2007年05月14日监理(建设)单位验收结论监理工程师:(建设单位项目专业技术负责人)年月日碳纤维布粘贴加固施工检验批质量验收记录工程名称分项工程名称验收部位地下车库a-c轴/6-9轴区域梁施工单位河北长信建设科技有限公司项目经理施工执行标准名称及编号碳纤维片材加固混凝土结构技术规程CECS143:2003专业工长分包单位-------分包项目经理--------施工班长----检控项目序号质量验收规范规定施工单位检查评定记录监理(建设)单位验收记录主控项目1碳纤维布抗拉强度≥3000MPa符合设计及规程要求2浸渍胶的性能必须符合规范要求符合设计及规程要求一般项目检验项目允许偏差(mm)测量值(mm)1粘贴碳纤维布长度±202粘贴碳纤维布宽度±53粘贴碳纤维布间距±254转角处圆弧曲率半径≥205粘贴碳纤维布的密实≥95%6树脂涂刷的饱满度目测均匀胶液饱满施工单位检查评定结果符合方案及规程要求项目专业质量检查员:年月日监理(建设)单位验收结论监理工程师:(建设单位项目专业技术负责人)年月日原材料检验批质量验收记录工程名称兰庭住宅小区5号车库加固子分部工程名称验收部位施工单位临沂信达建筑技术应用有限公司专业工长刘建武项目经理王法江分包单位分包项目经理施工班组长批号及批量见证取样人员执行标准名称及编号建筑结构加固工程施工质量验收规范GB50550-2010检查项目质量验收规范的规定及条文号施工单位自查评定记录监理(建设)单位验收记录主控项目1234567一般项目123456施工单位检查评定结果项目专业质量检查员:年月日监理(建设)单位验收结论专业监理工程师:(建设单位项目专业技术负责人)年月日混凝土原材料检验批质量验收记录工程名称兰庭住宅小区5号车库加固子分部工程名称验收部位施工单位临沂信达建筑技术应用有限公司专业工长刘建武项目经理王法江分包单位分包项目经理施工班组长批号及批量见证取样人员执行标准名称及编号建筑结构加固工程施工质量验收规范GB50550-2010检查项目质量验收规范的规定及条文号施工单位自查评定记录监理(建设)单位验收记录主控项目1水泥进场检验第4.1.1条2外加剂质量及应用第4.1.2条3粉煤灰掺量第4.1.3条4567一般项目1粗细骨料的质量第4.1.4条2拌制混凝土用水第4.1.5条3456施工单位检查评定结果项目专业质量检查员:年月日监理(建设)单位验收结论专业监理工程师:(建设单位项目专业技术负责人)年月日钢筋原材料检验批质量验收记录工程名称兰庭住宅小区5号车库加固子分部工程名称验收部位施工单位临沂信达建筑技术应用有限公司专业工长刘建武项目经理王法江分包单位分包项目经理施工班组长批号及批量见证取样人员执行标准名称及编号建筑结构加固工程施工质量验收规范GB50550-2010检查项目质量验收规范的规定及条文号施工单位自查评定记录监理(建设)单位验收记录主控项目1加固用钢筋进场检验第4.2.1条2加固用型钢、钢板、紧固件进场检验第4.2.2条3预应力加固专用钢材进场检验第4.2.3条4千斤顶张拉用的锚具、夹具和连接器第4.2.4条5绕丝用的钢丝进场检验第4.2.5条6结构加固用的钢丝绳网片进场检验第4.2.6条7结构加固用的钢丝绳网片的连接第4.2.7条一般项目1加固用钢筋第4.2.8条2加固用型钢、钢板、紧固件第4.2.9条3预应力筋及锚固件、夹具第4.2.10条4冷拔低碳退火钢丝第4.2.11条5结构加固用...

1、当您付费下载文档后,您只拥有了使用权限,并不意味着购买了版权,文档只能用于自身使用,不得用于其他商业用途(如 [转卖]进行直接盈利或[编辑后售卖]进行间接盈利)。
2、本站所有内容均由合作方或网友上传,本站不对文档的完整性、权威性及其观点立场正确性做任何保证或承诺!文档内容仅供研究参考,付费前请自行鉴别。
3、如文档内容存在违规,或者侵犯商业秘密、侵犯著作权等,请点击“违规举报”。

碎片内容

加固工程检验批汇总36

您可能关注的文档

确认删除?
VIP
微信客服
  • 扫码咨询
会员Q群
  • 会员专属群点击这里加入QQ群
客服邮箱
回到顶部