电脑桌面
添加小米粒文库到电脑桌面
安装后可以在桌面快捷访问

机械密封弹簧VIP免费

机械密封弹簧_第1页
1/9
机械密封弹簧_第2页
2/9
机械密封弹簧_第3页
3/9
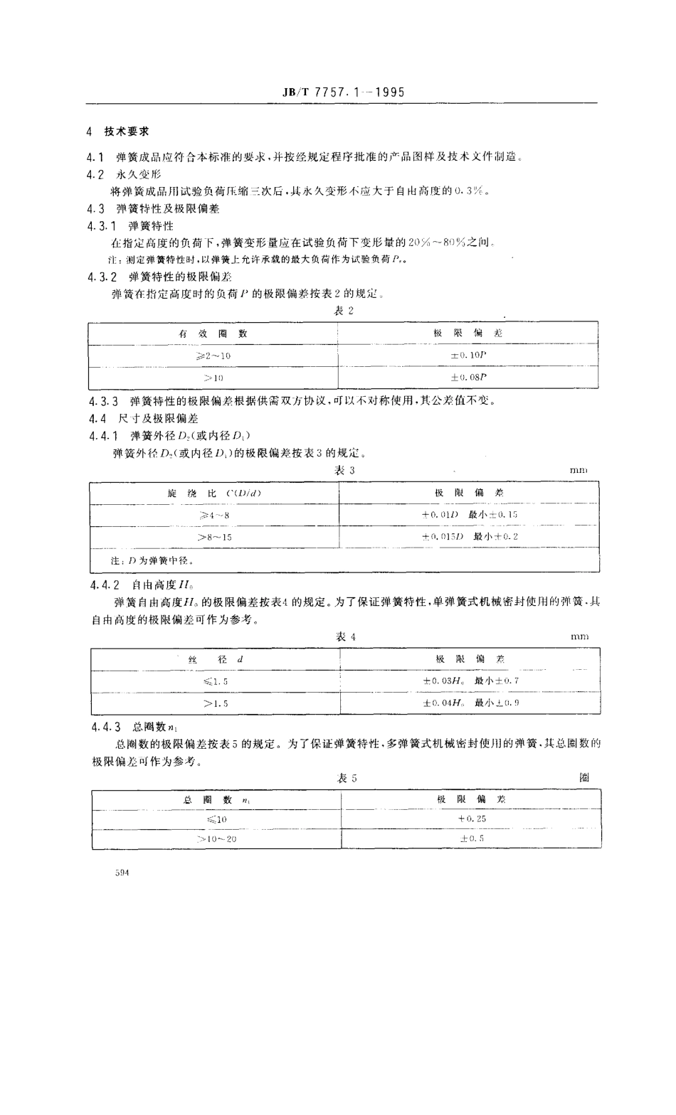
JB!T7757.1一1995前言本标准根据GB1239.2-89《冷卷圆柱螺旋压缩弹簧找术条件》和GB1239.6一,2((圆柱螺旋弹簧设计计算》,并结合机械密封对弹簧的特殊要求对ZBJ22004-88《机械密封用圆柱螺旋弹簧》进行修订的在技术内容上与_L述两个标准基本等效本标准主要在弹簧特性、水久变形、尺寸和极限偏差及验收抽样方法等方面进行f修汀。具体见编制说明。本标准从实施之日起.代桥ZBJ22004-88本标准的附录:1和附录B均为提示的附录、木标准山机械工业部合肥通用机械研究所提出并归口。本标准山天津克兰密封有限公司负责起草本标准主要起}1人:梁淑娴、赵晨、何向东中华人民共和国机械行业标准JB-T7757.1一1995机械密封用圆柱螺旋弹簧代转川s1z2104-881范围本标准规定f机械密封用冷卷圆截面圆柱螺旋压缩弹簧的技术要求、试验方法及检验规则本标准适用于机械密封用冷卷圆截面圆柱螺旋弹簧.弹簧材料的截面直径(以下简称丝径<(大J或等于().5mm.2引用标准下列标准所包含的条文,通过在本标准中引用而构成为本标准的条文。本标准出版时,所小版本均为有效。所有标准都会被修订,使用本标准的各方应探讨使用下列标准最新版本的可能性GB/7'3123一82硅青铜线G19iT3124-82锡青铜线GB1239.2-89冷卷圆柱螺旋压缩弹簧技术条件GB1239.5-89圆柱螺旋弹簧抽样检查YBCI')11一83弹簧川不锈钢丝3分类弹簧结构+M?式分类如表1表1代号My1Myu一万拼一I}1卜一f}id.,f''-47_}4sC一,~M-冈-/厂{入、{两端圈itw月r平UA飞砂{‘包括井一圈、并_0)一一-一一一一一一一一-一-一一一—一干一一-一一一一---一一--一-一一---一--__鹭_垂一i>niinN1!1s0cI7tkl=k115'F1iiiYAMi,1}'F-34M一、P}}e,-l-6}rvvv一二}l.-im}llf}7FBIYrNfiS;t(}1阶}\\钊日撒粉MeIP口中华人民共和国机械工业部1995-06-16批准1996-07-01实施JB%T7757.1一19954技术要求4.1弹簧成品应符合本标准的要求,并按经规定程序批准的产品图样及技术文件制造4.2永久变形将弹簧成品用试验负荷压缩汽次后。其水久变形不应大于自由高度的。.3".4.3弹簧特性及极限偏差4.3门弹簧特性在指定高度的负荷「,弹簧变形量应在试验负荷下变形量的20;+一8%之问_注测定弹簧特性时,以弹簧J二允许承载的最大负荷作为试验负荷r.o4.3.2弹簧特性的极限偏h?弹簧在指定高度时的负荷11的极限偏差按表2的规定表2月一有效圈数极限偏差乡2~工0卞0.10尸)i0+0.O3r4.3.3弹簧特性的极限偏差根据供需双方协议,叮以不对称使用,其公差值不变4.4尺寸及极限偏差4.4.1弹簧外径D(或内径D,弹簧外径n(或内径刀)的极限偏差按表3的规定表31,}比(、(D)d){R.;。far-7.1一8}+0.011)最刁、二。.1i>8-15一+(,,01b1)最卜十。_2一_____________________注:1>为弹簧中径4.4.2自由高度11.弹簧自由高度11。的极限偏差按表4的规定为了保证弹簧特性,单弹簧式机械密封使用的弹簧.其自由高度的极限偏差可作为参考表4丝径d}极限偏差1.5士0.04H.,最小土。.94.4.3总圈数n,总圈数的极限偏差按表5的规定。为了保证弹簧特性,多弹簧式机械密封使用的弹簧,其总圈数的极限偏差可作为参考。表5总圈数11,.lo一)10-z0极限偏差+025士0岛.IB/T7757.119954.4.4弹簧尺寸的极限偏差必要时可以不对称使用,其公差值不变4.4.5垂直度两端面经过磨削的弹簧.在自由状态「,弹簧轴心线对两端面的垂直度取为。.0524H,(30)4.4.6节距r弹簧在压缩到全变形量的80%时,其正常节距圈不应接触口.礴.7压并高度H,,弹簧的压并高度原则上不规定,但对端面磨削约3/4圈的弹簧.当需要规定压并高度时,按式(1)计算的值作为最大值!I,,一111Cl.一、·····,········,,···············,·········⋯⋯(1)式中:I/,一压并高度,m;e,一总圈数;c1最大丝径(材料直径与其极限偏差最大值之和)mnn4.4.8端面磨削两端圈并紧并磨平的弹簧.支承圈磨平部分大于或等于3/4圈·其表面粗糙度Ra为12.5lam,端头厚度不小于1/8,14.5外观弹簧表面应光滑,不应有肉眼可见的有害缺陷,但允许有深度不大于丝径公差之半的个别小伤痕存了〔4.6材料4.6门常用弹簧材料见表6,有必要时可使用表6所列以外的材料表5序号12标准号}!标准名称v...

1、当您付费下载文档后,您只拥有了使用权限,并不意味着购买了版权,文档只能用于自身使用,不得用于其他商业用途(如 [转卖]进行直接盈利或[编辑后售卖]进行间接盈利)。
2、本站所有内容均由合作方或网友上传,本站不对文档的完整性、权威性及其观点立场正确性做任何保证或承诺!文档内容仅供研究参考,付费前请自行鉴别。
3、如文档内容存在违规,或者侵犯商业秘密、侵犯著作权等,请点击“违规举报”。

碎片内容

机械密封弹簧

书海行舟+ 关注
实名认证
内容提供者

热爱教学事业,对互联网知识分享很感兴趣

确认删除?
VIP
微信客服
  • 扫码咨询
会员Q群
  • 会员专属群点击这里加入QQ群
客服邮箱
回到顶部