电脑桌面
添加小米粒文库到电脑桌面
安装后可以在桌面快捷访问

模板支撑计算VIP免费

模板支撑计算_第1页
1/10
模板支撑计算_第2页
2/10
模板支撑计算_第3页
3/10
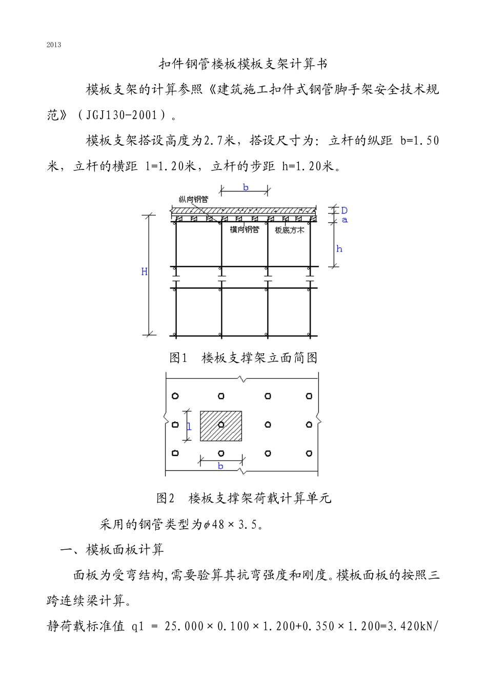
2013扣件钢管楼板模板支架计算书模板支架的计算参照《建筑施工扣件式钢管脚手架安全技术规范》(JGJ130-2001)。模板支架搭设高度为2.7米,搭设尺寸为:立杆的纵距b=1.50米,立杆的横距l=1.20米,立杆的步距h=1.20米。图1楼板支撑架立面简图图2楼板支撑架荷载计算单元采用的钢管类型为48×3.5。一、模板面板计算面板为受弯结构,需要验算其抗弯强度和刚度。模板面板的按照三跨连续梁计算。静荷载标准值q1=25.000×0.100×1.200+0.350×1.200=3.420kN/m活荷载标准值q2=(2.000+1.000)×1.200=3.600kN/m面板的截面惯性矩I和截面抵抗矩W分别为:本算例中,截面惯性矩I和截面抵抗矩W分别为:W=120.00×1.80×1.80/6=64.80cm3;I=120.00×1.80×1.80×1.80/12=58.32cm4;(1)抗弯强度计算f=M/W<[f]其中f——面板的抗弯强度计算值(N/mm2);M——面板的最大弯距(N.mm);W——面板的净截面抵抗矩;[f]——面板的抗弯强度设计值,取25.00N/mm2;M=0.100ql2其中q——荷载设计值(kN/m);经计算得到M=0.100×(1.2×3.420+1.4×3.600)×0.300×0.300=0.082kN.m经计算得到面板抗弯强度计算值f=0.082×1000×1000/64800=1.270N/mm2面板的抗弯强度验算f<[f],满足要求!(2)抗剪计算T=3Q/2bh<[T]其中最大剪力Q=0.600×(1.2×3.420+1.4×3.600)×0.300=1.646kN截面抗剪强度计算值T=3×1646.0/(2×1200.000×18.000)=0.114N/mm2截面抗剪强度设计值[T]=1.60N/mm2抗剪强度验算T<[T],满足要求!(3)挠度计算v=0.677ql4/100EI<[v]=l/250面板最大挠度计算值v=0.677×7.020×3004/(100×3500×583200)=0.189mm,面板的最大挠度小于300.0/250,满足要求!二、模板支撑方木的计算方木按照均布荷载下三跨连续梁计算。1.荷载的计算(1)钢筋混凝土板自重(kN/m):q11=25.000×0.100×0.300=0.750kN/m(2)模板的自重线荷载(kN/m):q12=0.350×0.300=0.105kN/m(3)活荷载为施工荷载标准值与振倒混凝土时产生的荷载(kN/m):经计算得到,活荷载标准值q2=(1.000+2.000)×0.300=0.900kN/m静荷载q1=1.2×0.750+1.2×0.105=1.026kN/m活荷载q2=1.4×0.900=1.260kN/m2.方木的计算按照三跨连续梁计算,最大弯矩考虑为静荷载与活荷载的计算值最不利分配的弯矩和,计算公式如下:均布荷载q=2.743/1.200=2.286kN/m最大弯矩M=0.1ql2=0.1×2.29×1.20×1.20=0.329kN.m最大剪力Q=0.6×1.200×2.286=1.646kN最大支座力N=1.1×1.200×2.286=3.018kN方木的截面力学参数为本算例中,截面惯性矩I和截面抵抗矩W分别为:W=6.00×9.00×9.00/6=81.00cm3;I=6.00×9.00×9.00×9.00/12=364.50cm4;(1)方木抗弯强度计算抗弯计算强度f=0.329×106/81000.0=4.06N/mm2方木的抗弯计算强度小于18.0N/mm2,满足要求!(2)方木抗剪计算最大剪力的计算公式如下:Q=0.6ql截面抗剪强度必须满足:T=3Q/2bh<[T]截面抗剪强度计算值T=3×1646/(2×60×90)=0.457N/mm2截面抗剪强度设计值[T]=1.60N/mm2,方木的抗剪强度计算满足要求!(3)方木挠度计算最大变形v=0.677×1.755×1200.04/(100×10000.00×3645000.0)=0.676mm,方木的最大挠度小于1200.0/250,满足要求!三、板底支撑钢管计算横向支撑钢管按照集中荷载作用下的连续梁计算集中荷载P取纵向板底支撑传递力,P=3.02kN1500150015003.02kN3.02kN3.02kN3.02kN3.02kN3.02kN3.02kN3.02kN3.02kN3.02kN3.02kN3.02kN3.02kN3.02kN3.02kN3.02kNAB支撑钢管计算简图1.8472.173支撑钢管弯矩图(kN.m)13.5940.892支撑钢管变形图(mm)4.594.591.571.571.451.454.474.477.487.486.046.043.023.020.000.003.023.026.046.047.487.484.474.471.451.451.571.574.594.59支撑钢管剪力图(kN)经过连续梁的计算得到最大弯矩Mmax=2.173kN.m最大变形vmax=13.59mm最大支座力Qmax=16.536kN抗弯计算强度f=2.17×106/5080.0=427.68N/mm2支撑钢管的抗弯计算强度大于205.0N/mm2,不满足要求!支撑钢管的最大挠度大于1500.0/150或10mm,不满足要求!四、扣件抗滑移的计算纵向或横向水平杆与立杆连接时,扣件的抗滑承载力按照下式计算(规范5.2.5):R≤Rc其中Rc——扣件抗滑承载力设计值,取8.0kN;R——纵向或横向水平杆传给立杆的竖向作用力设计值;计算中R取最大支座反力,R=...

1、当您付费下载文档后,您只拥有了使用权限,并不意味着购买了版权,文档只能用于自身使用,不得用于其他商业用途(如 [转卖]进行直接盈利或[编辑后售卖]进行间接盈利)。
2、本站所有内容均由合作方或网友上传,本站不对文档的完整性、权威性及其观点立场正确性做任何保证或承诺!文档内容仅供研究参考,付费前请自行鉴别。
3、如文档内容存在违规,或者侵犯商业秘密、侵犯著作权等,请点击“违规举报”。

碎片内容

模板支撑计算

您可能关注的文档

确认删除?
VIP
微信客服
  • 扫码咨询
会员Q群
  • 会员专属群点击这里加入QQ群
客服邮箱
回到顶部