电脑桌面
添加小米粒文库到电脑桌面
安装后可以在桌面快捷访问

丁类建筑消防相关规定VIP免费

丁类建筑消防相关规定_第1页
1/5
丁类建筑消防相关规定_第2页
2/5
丁类建筑消防相关规定_第3页
3/5
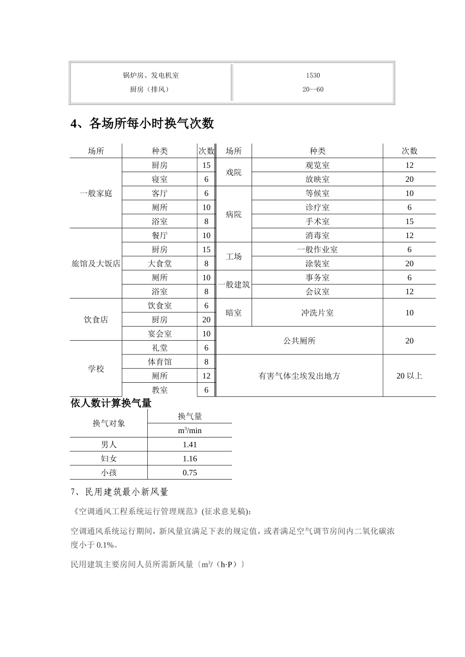
第一章设计参考规范及标准中央空调主要参考以下的规范及标准:一、通用设计规范:1.《采暧通风及空气调节设计规范》(GBJI19-87)2.《采暖通风及至气调节制图标准》(GBJ114-88)3.《建筑设计防火现范》(GBJ116-87)4、《高层民用建筑设计防火现他》(GBJ0045-95)5.《民用建筑节能设计标准(采暖居住建筑部分)》(JGJ26-95)二、专用设计规范:1、《宿舍建筑设计规范》(JGJ36-87)2、《住宅设计规范》(GB50096-99)3.《办公建筑设计规范》(JG67-89)4、〈旅馆建筑设计规范〉(JGJ67-89)5.《旅游旅馆建筑热土与空气调节节能设计标准》(GB50189-93)6、其它专用设计规范三、专用设计标准图集:1.《暖通空调标准图集》2.《暖通空调设计选用手册》(上、下册)3、其它有关标准第二章设计参数一、商业和公共建筑物的空调设计参数ASHRAE建筑物室内设计参数室内空气流速m/s循环空气1/h最小新风1/s每人噪声NC空气过滤器效率%年能耗MJ/m夏季冬季温度℃相对湿度温度℃相对湿度饮食娱咖啡室264021~2320~300.25(1.8m)12~15540~50>35570~4500乐中心餐厅23~2655~6021~2320~300.13~0.158~122.535~40>35570~5700酒吧23~2650~6021~2320~300.15(1.8m)15~20535~50>35570~4500夜总会23~2650~6021~2320~30<0.13(1.5m)20~301235~45>35230~2800厨房29~31-21~23-0.15~0.2512~15全新风40~5010~151140~4500办公楼23~2640~5021~2320~300.13~0.23(4~10I/sm)4~102.5(0.03~1.3l/sm)30~4535~60280~34002、最小新风量和推荐新风量UK每人所占地板面积m2最小1/s推荐1/s不吸烟吸烟3691211.37.15.24.017.010.77.86.022.614.210.48.03、各类建筑物的换气次数UK建筑物换气次数h-1图书馆书架房图书馆公共场所办公室、试验室银行大厅、停车场、浴室电影院、戏院卫生间(排风)餐厅修车场(排风)舞厅宴会厅、洗衣店、厨房洗涤(排风)1--23--44--666--106--88--121010--1210--15锅炉房、发电机室厨房(排风)153020--604、各场所每小时换气次数场所种类次数场所种类次数一般家庭厨房15戏院观览室12寝室6放映室20客厅6病院等候室10厕所10诊疗室6浴室8手术室15旅馆及大饭店餐厅10消毒室12厨房15工场一般作业室6大食堂8涂装室20厕所10一般建筑事务室6浴室8会议室12饮食店饮食室6暗室冲洗片室10厨房20宴会室10公共厕所20学校礼堂6体育馆8有害气体尘埃发出地方20以上厕所12教室6依人数计算换气量换气对象换气量m3/min男人1.41妇女1.16小孩0.757、民用建筑最小新风量《空调通风工程系统运行管理规范》(征求意见稿):空调通风系统运行期间,新风量宜满足下表的规定值,或者满足空气调节房间内二氧化碳浓度小于0.1%。民用建筑主要房间人员所需新风量〔m3/(h·P)〕房间类型新风量旅游旅馆客房3~5星级≥302星级以下≥22餐厅、宴会厅、多功能厅3~5星级≥302星级以下≥20办公楼≥30住宅≥30中小学教室小学≥11初中≥14高中≥17文化娱乐场所影剧院、音乐厅、录像厅≥20游艺厅、舞厅≥30酒吧、茶座、咖啡厅≥10第三章空调负荷计算一、不同窗面积下,冷负荷之分布%玻璃窗所占面积%255075人体、灯光、办公室设备窗户新鲜空气墙362623312274317211225314110二、负荷指标(估算)(仅供参考)建筑类型冷负荷W/m2(Cal/m2)住宅、公寓、标准客房114-138(98-118)西餐厅200-286(170-246)中餐厅257-438(220-376)火锅城、烧烤465-698(400-600)

1、当您付费下载文档后,您只拥有了使用权限,并不意味着购买了版权,文档只能用于自身使用,不得用于其他商业用途(如 [转卖]进行直接盈利或[编辑后售卖]进行间接盈利)。
2、本站所有内容均由合作方或网友上传,本站不对文档的完整性、权威性及其观点立场正确性做任何保证或承诺!文档内容仅供研究参考,付费前请自行鉴别。
3、如文档内容存在违规,或者侵犯商业秘密、侵犯著作权等,请点击“违规举报”。

碎片内容

丁类建筑消防相关规定

书海行舟+ 关注
实名认证
内容提供者

热爱教学事业,对互联网知识分享很感兴趣

确认删除?
VIP
微信客服
  • 扫码咨询
会员Q群
  • 会员专属群点击这里加入QQ群
客服邮箱
回到顶部