电脑桌面
添加小米粒文库到电脑桌面
安装后可以在桌面快捷访问

文明施工检查评分汇总表VIP免费

文明施工检查评分汇总表_第1页
1/7
文明施工检查评分汇总表_第2页
2/7
文明施工检查评分汇总表_第3页
3/7
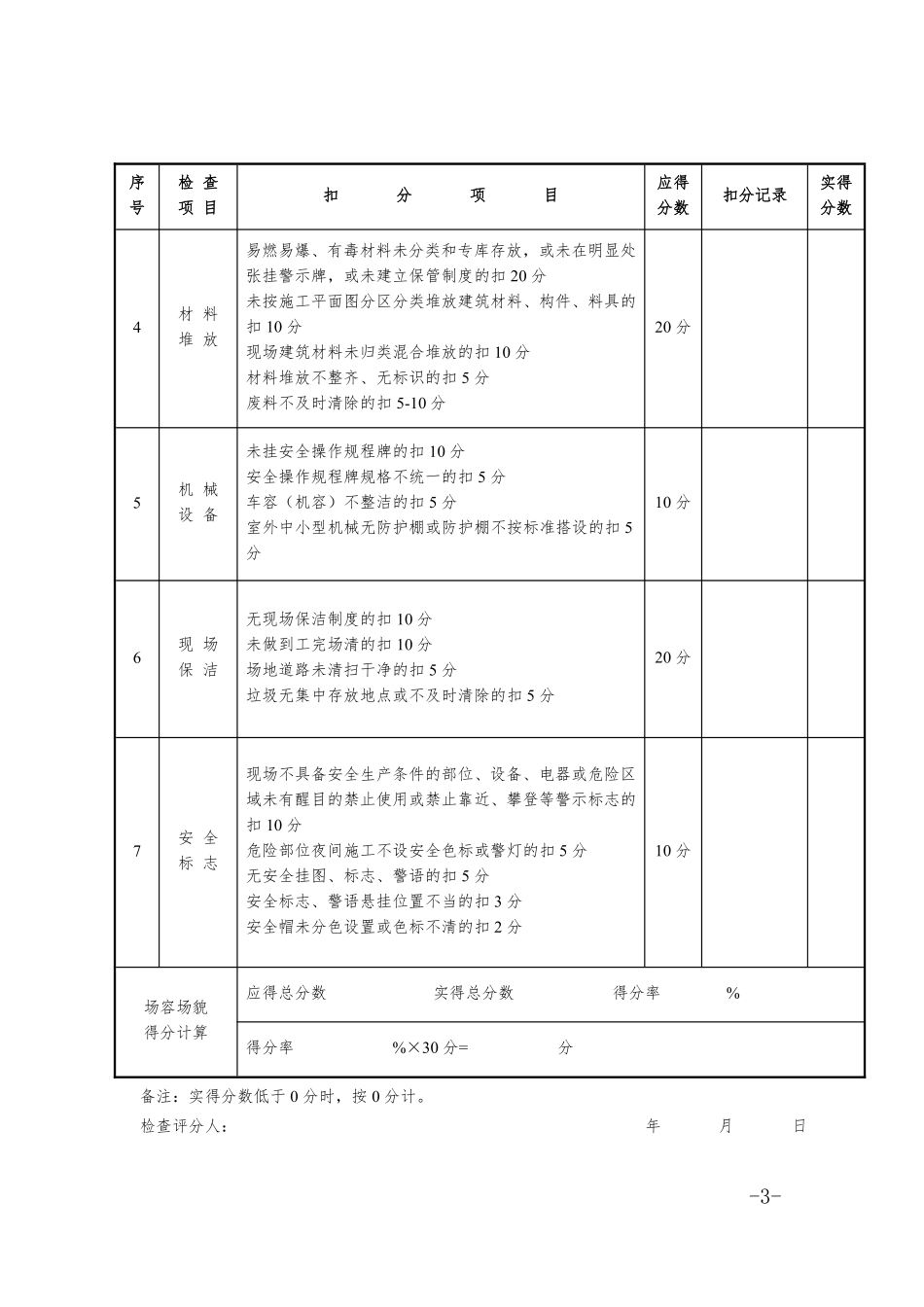
-1-文明施工检查评分汇总表项目名称:施工单位:表1评分情况每次评分分项评分综合得分检查时间场容场貌(30分)工地卫生(30分)环境保护(20分)文明建设(20分)评语检查组组长(签字):年月日备注:分项评分详见文明工地评分表1-1、表1-2、表1-3、表1-4。汇总人:汇总日期:年月日-2-场容场貌检查评分表项目名称:施工单位:表1-1序号检查项目评分标准应得分数扣分记录实得分数1围档封闭无围档的扣20分在市区主要路段围档高度低于2.5米,其他路段低于1.8米的扣10分围挡未使用砌体、彩色压型钢板等硬质材料或未做到安全、稳固的扣10分临街砖砌围墙墙面无压顶刷白或未做到整洁、美观的扣5-10分建筑物四周未使用密目式安全网遮护封闭的扣10分密目式安全网漏挂、脱落或挂设不整齐、不美观的扣10分20分2出入口未设置“五牌一图”的扣10分“五牌一图”不完整的,每缺1项扣2分门头无标志或大门两侧无醒目标语的扣5分未设置门卫室和门卫制度牌的扣5-10分10分3施工场地施工现场作业区与非作业区无明显区域划分和隔离的扣10分出入口和主要施工道路未设置15厘米厚砼路面的扣10分施工场地未平整或空置地面未采用碎石等铺垫的扣5分未对施工现场入口处和场地进行绿化布置的扣5分无排水网络或堵塞不畅扣5分泥浆无集中存放或不及时清除扣5分10分-3-序号检查项目扣分项目应得分数扣分记录实得分数4材料堆放易燃易爆、有毒材料未分类和专库存放,或未在明显处张挂警示牌,或未建立保管制度的扣20分未按施工平面图分区分类堆放建筑材料、构件、料具的扣10分现场建筑材料未归类混合堆放的扣10分材料堆放不整齐、无标识的扣5分废料不及时清除的扣5-10分20分5机械设备未挂安全操作规程牌的扣10分安全操作规程牌规格不统一的扣5分车容(机容)不整洁的扣5分室外中小型机械无防护棚或防护棚不按标准搭设的扣5分10分6现场保洁无现场保洁制度的扣10分未做到工完场清的扣10分场地道路未清扫干净的扣5分垃圾无集中存放地点或不及时清除的扣5分20分7安全标志现场不具备安全生产条件的部位、设备、电器或危险区域未有醒目的禁止使用或禁止靠近、攀登等警示标志的扣10分危险部位夜间施工不设安全色标或警灯的扣5分无安全挂图、标志、警语的扣5分安全标志、警语悬挂位置不当的扣3分安全帽未分色设置或色标不清的扣2分10分场容场貌得分计算应得总分数实得总分数得分率%得分率%×30分=分备注:实得分数低于0分时,按0分计。检查评分人:年月日-4-工地卫生检查评分表项目名称:施工单位:表1-2序号检查项目扣分项目应得分数扣分记录实得分数1制度办公、生活区域未建立卫生责任管理制度的扣10分施工现场未设置醒目的环境卫生宣传牌和责任包干图的扣10分10分2食堂食堂炊事员无健康证的扣15分炊事用具不卫生、炊事员上岗未穿(戴)工作服(帽)的扣10分就餐场所条件差或不卫生的扣10分室内未做水泥地面或有积水的扣10分室内墙面无抹灰、刷白的扣5分室内高度低于2.8米或不设透气窗的扣5分灶台未镶贴瓷砖的扣5分垃圾未及时清理的扣5分无灭蚊蝇、蟑螂等措施的扣5分15分3厕所工地内未设厕所的扣15分高层建筑无随层流动厕所的扣10分厕所无化粪池或将粪便直接排入下水道或河流的扣10分未采用水冲式厕所的扣5分便池未镶贴瓷砖、地面未抹水泥砂浆的扣5分厕所无专人管理或卫生不符合要求的扣5分15分4宿舍宿舍选址或结构存在安全隐患的扣20分在建工程或仓库兼住宿的扣20分有使用“三炉”的扣20分工人睡通铺或一个房间超过30人的扣20分宿舍用电零乱或存在安全隐患的扣10分卧具和日常用品摆放不整齐、不整洁的扣10分室内高度低于2.5米、通风采光不良的扣10分地面无抹水泥砂浆、墙面不刷白的扣5分无灭“四害”措施的扣5分20分-5-序号检查项目扣分项目应得分数扣分记录实得分数5淋浴室工地未设淋浴室或淋浴室结构不牢固的10分沐浴设施存在使用安全隐患的扣10分超过25人才设置一个淋浴喷头的扣5分墙面、地面未贴瓷砖或未抹水泥砂浆的扣5分无专人管理和定时冲刷的扣5分10分6办公室及活动室组装式活动房屋无合格证或办公室用房结构存在安全隐患的扣10分未设办公室、职工活动室或设在在建建筑物内的扣10分办公室不具备必要的办公条件的扣5分室内...

1、当您付费下载文档后,您只拥有了使用权限,并不意味着购买了版权,文档只能用于自身使用,不得用于其他商业用途(如 [转卖]进行直接盈利或[编辑后售卖]进行间接盈利)。
2、本站所有内容均由合作方或网友上传,本站不对文档的完整性、权威性及其观点立场正确性做任何保证或承诺!文档内容仅供研究参考,付费前请自行鉴别。
3、如文档内容存在违规,或者侵犯商业秘密、侵犯著作权等,请点击“违规举报”。

碎片内容

文明施工检查评分汇总表

您可能关注的文档

确认删除?
VIP
微信客服
  • 扫码咨询
会员Q群
  • 会员专属群点击这里加入QQ群
客服邮箱
回到顶部