电脑桌面
添加小米粒文库到电脑桌面
安装后可以在桌面快捷访问

管道支吊架制作安装VIP免费

管道支吊架制作安装_第1页
1/3
管道支吊架制作安装_第2页
2/3
管道支吊架制作安装_第3页
3/3
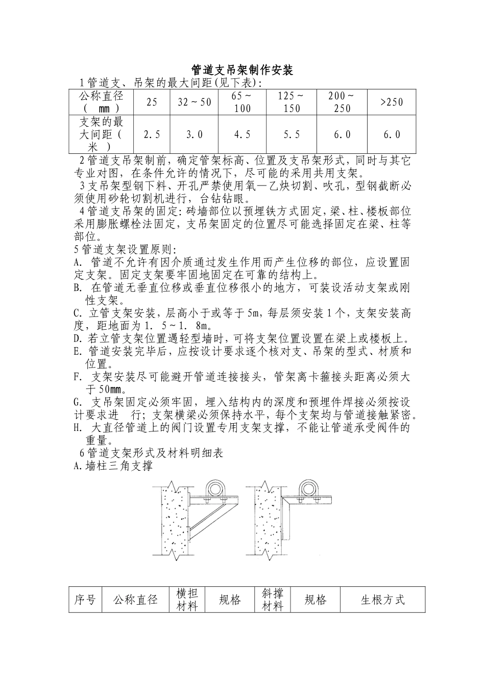
管道支吊架制作安装1管道支、吊架的最大间距(见下表):公称直径(㎜)2532~5065~100125~150200~250>250支架的最大间距(米)2.53.04.55.56.06.02管道支吊架制前,确定管架标高、位置及支吊架形式,同时与其它专业对图,在条件允许的情况下,尽可能的采用共用支架。3支吊架型钢下料、开孔严禁使用氧—乙炔切割、吹孔,型钢截断必须使用砂轮切割机进行,台钻钻眼。4管道支吊架的固定:砖墙部位以预埋铁方式固定,梁、柱、楼板部位采用膨胀螺栓法固定,支吊架固定的位置尽可能选择固定在梁、柱等部位。5管道支架设置原则:A.管道不允许有因介质通过发生作用而产生位移的部位,应设置固定支架。固定支架要牢固地固定在可靠的结构上。B.在管道无垂直位移或垂直位移很小的地方,可装设活动支架或刚性支架。C.立管支架安装,层高小于或等于5m,每层须安装1个,支架安装高度,距地面为1.5~1.8m。D.若立管支架位置遇轻型墙时,可将支架位置设置在梁上或楼板上。E.管道安装完毕后,应按设计要求逐个核对支、吊架的型式、材质和位置。F.支架安装尽可能避开管道连接接头,管架离卡箍接头距离必须大于50。㎜G.支吊架固定必须牢固,埋入结构内的深度和预埋件焊接必须按设计要求进行;支架横梁必须保持水平,每个支架均与管道接触紧密。H.大直径管道上的阀门设置专用支架支撑,不能让管道承受阀件的重量。6管道支架形式及材料明细表A.墙柱三角支撑序号公称直径横担材料规格斜撑材料规格生根方式1DN25-32角钢∠25×3角钢∠25×3M10膨胀螺栓2DN40-50角钢∠30×3角钢∠30×3M10膨胀螺栓3DN65-80角钢∠40×4角钢∠40×4M10膨胀螺栓4DN100-125角钢∠50×5角钢∠50×5M12膨胀螺栓5DN150-200角钢∠75×7角钢∠75×7M12膨胀螺栓B、地下水平支撑序号公称直径横担材料规格斜撑材料规格生根方式1DN70-80角钢∠40×40角钢∠40×40M10膨胀螺栓2DN100槽钢[10#槽钢[10#M12膨胀螺栓3DN150槽钢[12#槽钢[12#M12膨胀螺栓C、卡箍式吊架序号公称直径吊杆材料规格抱卡材料规格生根方式1DN25-32圆钢∠25×3扁钢-25×3M10膨胀螺栓2DN40-50圆钢∠30×3扁钢-30×3M10膨胀螺栓D、管道防晃支架E.管道固定支架序号公称直径横担材料规格支撑材料规格生根方式1DN40角铁4×4角铁4×4M10膨胀螺栓2DN50角铁5×5角铁5×5M12膨胀螺栓3DN100-125槽钢10#槽钢12#M12膨胀螺栓

1、当您付费下载文档后,您只拥有了使用权限,并不意味着购买了版权,文档只能用于自身使用,不得用于其他商业用途(如 [转卖]进行直接盈利或[编辑后售卖]进行间接盈利)。
2、本站所有内容均由合作方或网友上传,本站不对文档的完整性、权威性及其观点立场正确性做任何保证或承诺!文档内容仅供研究参考,付费前请自行鉴别。
3、如文档内容存在违规,或者侵犯商业秘密、侵犯著作权等,请点击“违规举报”。

碎片内容

管道支吊架制作安装

您可能关注的文档

书海行舟+ 关注
实名认证
内容提供者

热爱教学事业,对互联网知识分享很感兴趣

确认删除?
VIP
微信客服
  • 扫码咨询
会员Q群
  • 会员专属群点击这里加入QQ群
客服邮箱
回到顶部