电脑桌面
添加小米粒文库到电脑桌面
安装后可以在桌面快捷访问

室外管沟及井室安装01VIP免费

室外管沟及井室安装01_第1页
1/6
室外管沟及井室安装01_第2页
2/6
室外管沟及井室安装01_第3页
3/6
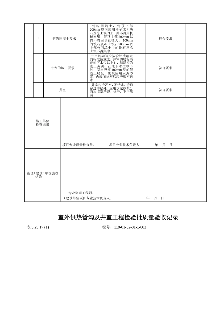
室外供热管沟及井室工程检验批质量验收记录表5.25.17(1)编号:118-01-02-01-1-001室外供热管沟及井室工程检验批质量验收记录表5.25.17(2)编号:118-01-02-01-1-001单位(子单位)工程名称厂外热网工程分部(子分部)工程名称厂外供热管网分项工程名称室外管沟及井室安装验收部位0~497.6m施工单位满洲里玉龙建设有限责任公司项目经理鲁长喜施工执行标准名称及编号电力建设施工验收技术规范(管道篇)DL5031-94专业工长(施工员)白喜俊分包单位分包项目经理施工班组长路明亮类别序号检查项目质量标准单位施工单位自检记录监理(建设)单位验收记录主控项目1管沟的基层处理和井室的地基必须符合设计要求符合设计要求2井盖标识和使用符合设计要求,有明显的文字标识,不得混用符合设计要求3井圈和井盖的安装通车路面或小区道路下选用必须使用重型井圈和井盖安装井盖上表面与路面平,允许偏差±5mm绿化带上和不通车的地方选用可采用轻型井圈和井盖符合设计要求安装应高出地坪50mm53护坡井口周围以2%的坡度向外做水泥砂浆护坡符合要求4重型铸铁或混凝土井圈与墙体结合部处理重型铸铁或混凝土井圈不得直接放在井室的墙上,砖墙上应做不小于80mm的细石混凝土垫层一般项目1管沟及各类井室的坐标、位置标高应符合设计要求符合设计要求2管沟的沟底要求沟底层应是原土层,或是夯实的回填土,沟底应平整,坡度应顺畅,不得有块体符合要求3管沟岩石基底要求沟底应下挖100mm~200mm,填铺细纱或粒径不大于5mm的细土,夯实到沟底标高后,方可进行铺设符合要求类别序号检查项目质量标准单位施工单位自检记录监理(建设)单位验收记录室外供热管沟及井室工程检验批质量验收记录表5.25.17(1)编号:118-01-02-01-1-0024管沟回填土要求管沟回填土,管顶上部200mm以内应用沙子或无块石及冻土块的土,并不得用机械回填;管顶上部500mm以内不得回填直径大于100mm的块石及冻土块;500mm以上部分回填土中的块石及冻土块不得集中。符合要求5井室的施工要求井室的砌筑应按设计或给定的标准图施工。井室的底标高在地下水位以上时,基层应为素土夯实;在地下水位以下时,基层应打100mm厚的混凝土底板。砌筑应用水泥砂浆,内表面抹灰后应严密不透水符合要求6井室井室内应严密,不透水,管道穿过井壁处,应用水泥砂浆分两次填塞严密、抹平,不得渗漏符合要求施工单位检查结果项目专业质量检查员:项目专业技术负责人:年月日监理(建设)单位验收结论专业监理工程师:(建设单位项目专业技术负责人)年月日室外供热管沟及井室工程检验批质量验收记录表5.25.17(2)编号:118-01-02-01-1-002单位(子单位)工程名称厂外热网工程分部(子分部)工程名称厂外供热管网分项工程名称室外管沟及井室安装验收部位497.6m~975.45m施工单位满洲里玉龙建设有限责任公司项目经理鲁长喜施工执行标准名称及编号电力建设施工验收技术规范(管道篇)DL5031-94专业工长(施工员)白喜俊分包单位分包项目经理施工班组长路明亮类别序号检查项目质量标准单位施工单位自检记录监理(建设)单位验收记录主控项目1管沟的基层处理和井室的地基必须符合设计要求符合设计要求2井盖标识和使用符合设计要求,有明显的文字标识,不得混用符合设计要求3井圈和井盖的安装通车路面或小区道路下选用必须使用重型井圈和井盖安装井盖上表面与路面平,允许偏差±5mm绿化带上和不通车的地方选用可采用轻型井圈和井盖符合设计要求安装应高出地坪50mm53护坡井口周围以2%的坡度向外做水泥砂浆护坡符合要求4重型铸铁或混凝土井圈与墙体结合部处理重型铸铁或混凝土井圈不得直接放在井室的墙上,砖墙上应做不小于80mm的细石混凝土垫层一般项目1管沟及各类井室的坐标、位置标高应符合设计要求符合设计要求2管沟的沟底要求沟底层应是原土层,或是夯实的回填土,沟底应平整,坡度应顺畅,不得有块体符合要求3管沟岩石基底要求沟底应下挖100mm~200mm,填铺细纱或粒径不大于5mm的细土,夯实到沟底标高后,方可进行铺设符合要求类别序号检查项目质量标准单位施工单位自检记录监理(建设)单位验收记录室外供热管沟及井室工程检验批质量验收记录表5.25.17(1)编号:118-...

1、当您付费下载文档后,您只拥有了使用权限,并不意味着购买了版权,文档只能用于自身使用,不得用于其他商业用途(如 [转卖]进行直接盈利或[编辑后售卖]进行间接盈利)。
2、本站所有内容均由合作方或网友上传,本站不对文档的完整性、权威性及其观点立场正确性做任何保证或承诺!文档内容仅供研究参考,付费前请自行鉴别。
3、如文档内容存在违规,或者侵犯商业秘密、侵犯著作权等,请点击“违规举报”。

碎片内容

室外管沟及井室安装01

确认删除?
VIP
微信客服
  • 扫码咨询
会员Q群
  • 会员专属群点击这里加入QQ群
客服邮箱
回到顶部