电脑桌面
添加小米粒文库到电脑桌面
安装后可以在桌面快捷访问

郑州停车场系统设计规范VIP免费

郑州停车场系统设计规范_第1页
1/6
郑州停车场系统设计规范_第2页
2/6
郑州停车场系统设计规范_第3页
3/6
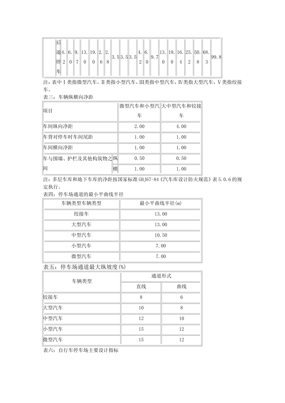
郑州停车场规划设计规则(试行)郑州停车场-郑州龙达电子(www.zzlddzkj.com)提供郑州停车场颁布单位公安部/建设部颁布日期881003实施日期890101第一条本规则适用于大、中城市和重点旅游区郑州停车场的规划设计,小城市可参照执行。第二条专用和公共建筑配建的郑州停车场原则上应在主体建筑用地范围之内。第三条机动车停车场内必须按照国家标准GB5768-86《道路交通标志和标线》设置交通标志,施划交通标线。第四条机动车停车场的出入口应有良好的视野。出入口距离人行过街天桥、地道和桥梁、隧道引道须大于50米;距离交叉路口须大于八十米。第五条机动车停车场车位指标大于50个时,出入口不得少于2个;大于500个时,出入口不得少于3个。出入口之间的净距须大于10米,出入口宽度不得小于7米。公共建筑配建的机动车停车场车位指标,包括吸引外来车辆和本建筑所属车辆的停车位指标。第六条机动车郑州停车场内的停车方式应以占地面积小、疏散方便、保证安全为原则。主要停车方式见图一。第七条机动车停车场车位指标,以小型汽车为计算当量。设计时,应将其他类型车辆按表一所列换算系数换算成当量车型,以当量车型核算车位总指标。第八条机动车停车场主要设计指标应不小于表二规定。第九条在停车场内停放的机动车之间的净距应不小于表三规定。第十条机动车停车场内的主要通道宽度不得小于6米。第十一条机动车停车场通道的最小平曲线半径应不小于表四规定。第十二条机动车停车场通道的最大纵坡度应不大于表五规定。第十三条自行车停车场原则上不设在交叉路口附近。出入口应不少于二个,宽度不小于2.5米。第十四条自行车停车方式应以出入方便为原则。主要停车方式见图二。第十五条自行车停车场主要设计指标应不小于表六规定。第十六条公共自行车停车场的停车位指标是指吸引外来自行车的停车位指标。专用自行车停车场的停车位指标应不小于本单位职工人数的30%。第十七条各类建筑配建的停车场车位指标应不小于表七至表十八规定。第十八条各省、自治区、直辖市公安交通管理部门和城市规划部门可结合当地实际情况制定细则,报当地人民政府批准,并报公安部和建设部备案。第十九条本规则由公安部和建设部负责解释。第二十条郑州停车场本规定自1989年1月1日施行。表一:停车场(库)设计车型外廓尺寸和换算系数车辆类型各类车型外廓尺寸(m)车辆换算系数总长总宽总高机动车微型汽车3.201.601.800.70小型汽车5.002.002.201.00中型汽车8.702.504.002.00大型汽车12.002.504.002.50铰接车18.002.504.003.50自行车1.930.601.15注:(1)三轮摩托车可按微型汽车尺寸计算。(2)二轮摩托车可按自行车尺寸计算。(3)车辆换算系数是按面积换算。表二:机动车停车场设计参数停车方式垂直通道方向的停车带宽(m)平行通道方向的停车带长(m)通道宽(m)单位停车面积(平方米)ⅠⅡⅢⅣⅤⅠⅡⅢⅣⅤⅠⅡⅢⅣⅤⅠⅡⅢⅣⅤ平行式前进停车2.62.83.53.53.55.27.012.716.022.03.04.04.54.55.021.333.673.092.0132.0斜列式30°前进停车3.24.26.48.011.05.25.67.07.07.03.04.05.05.86.024.434.762.376.178.045°前进停车3.95.28.110.414.73.74.04.94.94.93.04.06.06.87.020.028.854.467.589.260°前进停车4.35.99.312.117.33.03.24.04.04.04.05.08.09.510.018.926.953.267.489.260°后退停车4.35.99.312.117.33.03.24.04.04.03.54.56.57.38.018.226.150.262.985.2垂直式前进停车4.26.09.713.019.02.62.83.53.53.56.09.510.013.019.018.730.151.568.399.8后退停车4.26.09.713.019.02.62.83.53.53.54.26.09.713.019.016.425.250.868.399.8注:表中Ⅰ类指微型汽车,Ⅱ类指小型汽车,Ⅲ类指中型汽车,Ⅳ类指大型汽车,Ⅴ类指绞接车。表三:车辆纵横向净距项目微型汽车和小型汽车大中型汽车和铰接车车间纵向净距2.004.00车背对停车时车间尾距1.001.00车间横向净距1.001.00车与围墙、护栏及其他构筑物之间纵0.500.50横1.001.00注:多层车库和地下车库的净距按国家标准GBJ67-84《汽车库设计防火规范》表5.0.6的规定执行。表四:停车场通道的最小平曲线半径车辆类型车辆类型最小平曲线半径(m)绞接车13.00大型汽车13.00中型汽车10.50小型汽车...

1、当您付费下载文档后,您只拥有了使用权限,并不意味着购买了版权,文档只能用于自身使用,不得用于其他商业用途(如 [转卖]进行直接盈利或[编辑后售卖]进行间接盈利)。
2、本站所有内容均由合作方或网友上传,本站不对文档的完整性、权威性及其观点立场正确性做任何保证或承诺!文档内容仅供研究参考,付费前请自行鉴别。
3、如文档内容存在违规,或者侵犯商业秘密、侵犯著作权等,请点击“违规举报”。

碎片内容

郑州停车场系统设计规范

您可能关注的文档

确认删除?
VIP
微信客服
  • 扫码咨询
会员Q群
  • 会员专属群点击这里加入QQ群
客服邮箱
回到顶部