电脑桌面
添加小米粒文库到电脑桌面
安装后可以在桌面快捷访问

建筑施工图设计总说明1 - 副本VIP免费

建筑施工图设计总说明1 - 副本_第1页
1/7
建筑施工图设计总说明1 - 副本_第2页
2/7
建筑施工图设计总说明1 - 副本_第3页
3/7
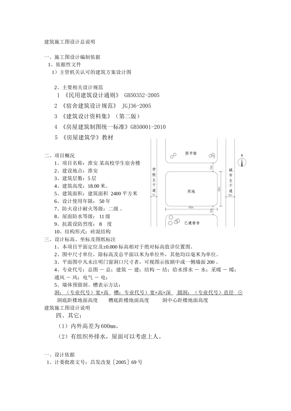
建筑施工图设计总说明一、施工图设计编制依据1、依据性文件1)主管机关认可的建筑方案设计图2、主要相关设计规范1《民用建筑设计通则》GB50352-20052《宿舍建筑设计规范》JGJ36-20053《建筑设计资料集》(第二版)4《房屋建筑制图统一标准》GB50001-20105《房屋建筑学》教材二、项目概况1、项目名称:淮安某高校学生宿舍楼2、建设地点:淮安3、建筑层数:5层4、建筑高度:18.00米。5、建筑面积:建筑面积2400平方米6、设计使用年限:50年7、防火设计耐火等级:二级。8、屋面防水等级:11级9、抗震设防烈度:8度10、结构形式:砖混结构三、设计标高、坐标及图纸标注1、本项目平面定位及±0.000标高相对于绝对标高值详位置图。2、图中尺寸单位,除标高及总平面以米为单位外,其他均以毫米为单位。3、平面图中凡未注明门窗洞口尺寸者,可视图示按剧中或一侧墙面200。4、专业代号:总图-总;建筑-建;结构-结;给水排水-水;采暖-暖;通风-风;电气-电;5、墙体预留洞、槽表示方法:洞:(专业代号)宽×高槽:专业代号)宽×高×深圆洞:(专业代号)直径⊙洞底距楼地面高度槽底距楼地面高度洞中心距楼地面高度建筑施工图设计说明四、其它:(1)内外高差为600mm。(2)有组织外排水,屋面可以考虑上人。一、设计依据1、计委批准文号:昌发改复[2005]69号2、规划许可证编号:2005昌规建字0043号3、设计合同书编号:2005—016号4、地质勘探报告编号:2005—046号5、我国现行建筑设计规范《民用建筑设计通则》(GB50352-2005);《建筑设计防火规范》(GB50016-2006);《居住建筑节能设计标准》(DBJ11-602-2006);《宿舍建筑设计规范》(JGJ36-2005);二、项目概况1、建筑名称:2、建设单位:3、建设地点:淮安市某高校4、建筑面积:3704m2(含阳台面积)该面积数值仅作为参考。5、檐口高度:12.85米6、结构形式:砖混结构。7、使用功能:办公楼8、耐火等级:二级9、设计使用年限:50年10、相对高程:±0.00米,相当于绝对高程,见总平面图11、平面所注尺寸以毫米为单位,所注标高以米为单位。总平面图中所注尺寸以米为单位。三、墙体工程1、墙体的基础部分见结施;2、墙体±0.000以上采用240厚页岩实心砖,M10混合砂浆砌筑,±0.000以下采用MU15页岩砖实心砖,M10水泥砂浆砌筑。3、墙体外保温层采用60厚粘贴聚笨板保温层。见图集:88J2—9∶5页外墙51M2⑩楼梯间墙体内保温层采用20厚胶粉聚苯颗粒保温。墙身防潮层:在室内地坪下约60处做20厚1∶2水泥砂浆内加3%—5%防水剂的墙身防潮层(在此标高为钢筋混凝土构造,或下为砌石构造时可不做),当室内地坪变化处防潮层应在高低关埋土一侧墙身做20厚1∶2水泥砂浆防潮层,如埋土侧为室外,还应刷1.5厚聚酯防水涂料(或其它防潮材料);4、女儿墙为240厚页岩实心砖,60厚砼压顶,做法:88J14—2—W8—25、墙体留洞及封堵А.钢筋混凝土墙上的留洞过梁见结施和设备图;В.砌筑墙体预留洞过梁见结施说明;C.预留洞的封堵:砌筑墙留洞待管道设备安装完毕后,用C15豆石混凝土填实;变形缝处双墙留洞的封堵,应在双墙分别增设套管,套管与穿墙管之间嵌堵嵌缝油膏,防火墙上留洞的封堵为不燃烧材料堵塞密实。6、几点特殊技术要求:A.加气混凝土(条板隔墙)涂塑耐玻纤网格布粘贴部位做法参照88J2—3B1~B10页)B.所有管道井、风道井,管道安装完毕后,在楼板处用后浇板作防火分隔。四、屋面工程1、本工程的屋面防水等级为Ⅲ级,防水层合理使用年限为10年,设防做法为:〈88J1—1〉Ⅲ42、屋面做法及屋面节点索引、露台、雨篷等见各层平面图及有关详图;3、屋面排水组织见屋面平面图,内排水雨水管见水施图,外排雨水斗、雨水管采用88J5—X1—18~21除图中另有注明者外,雨水管的公称直径均为DN110五、门窗工程1、建筑外门窗,公建气密性不小于4级,中空玻璃间隙12mm。2、门窗玻璃的选用应遵照《建筑玻璃应用技术规程》JGJ113和《建筑安全玻璃管理规定》发改运行[2003]2116号及地方主管部门的有关规定;3、门窗立面图中为门窗分格示意图,仅表示门窗的形式、分格、玻璃类型和材料的要求。具体要求需由资质的单位设计安装,经甲方与...

1、当您付费下载文档后,您只拥有了使用权限,并不意味着购买了版权,文档只能用于自身使用,不得用于其他商业用途(如 [转卖]进行直接盈利或[编辑后售卖]进行间接盈利)。
2、本站所有内容均由合作方或网友上传,本站不对文档的完整性、权威性及其观点立场正确性做任何保证或承诺!文档内容仅供研究参考,付费前请自行鉴别。
3、如文档内容存在违规,或者侵犯商业秘密、侵犯著作权等,请点击“违规举报”。

碎片内容

建筑施工图设计总说明1 - 副本

您可能关注的文档

确认删除?
VIP
微信客服
  • 扫码咨询
会员Q群
  • 会员专属群点击这里加入QQ群
客服邮箱
回到顶部