电脑桌面
添加小米粒文库到电脑桌面
安装后可以在桌面快捷访问

送货路线设计问题VIP免费

送货路线设计问题_第1页
1/10
送货路线设计问题_第2页
2/10
送货路线设计问题_第3页
3/10
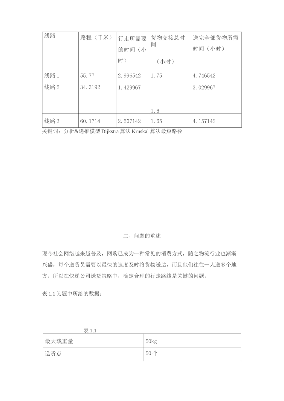
送货路线设计问题现今社会网络越来越普及,网购已成为一种常见的消费方式,随之物流行业也渐渐兴盛,每个送货员需要以最快的速度及时将货物送达,而且他们往往一人送多个地方,请设计方案使其耗时最少。现有一快递公司,库房在图1中的O点,一送货员需将货物送至城市内多处,请设计送货方案,使所用时间最少。该地形图的示意图见图1,各点连通信息见表3,假定送货员只能沿这些连通线路行走,而不能走其它任何路线。各件货物的相关信息见表1,50个位置点的坐标见表2。假定送货员最大载重50公斤,所带货物最大体积1立方米。送货员的平均速度为24公里/小时。假定每件货物交接花费3分钟,为简化起见,同一地点有多件货物也简单按照每件3分钟交接计算。现在送货员要将100件货物送到50个地点。请完成以下问题。1.若将1~30号货物送到指定地点并返回。设计最快完成路线与方式。给出结果。要求标出送货线路。2.假定该送货员从早上8点上班开始送货,要将1~30号货物的送达时间不能超过指定时间,请设计最快完成路线与方式。要求标出送货线路。3.若不需要考虑所有货物送达时间限制(包括前30件货物),现在要将100件货物全部送到指定地点并返回。设计最快完成路线与方式。要求标出送货线路,给出送完所有快件的时间。由于受重量和体积限制,送货员可中途返回取货。可不考虑中午休息时间。以上各问尽可能给出模型与算法送货路线设计模型一.摘要本文是关于快递公司送货路线设计问题,即在给定送货地点和给定设计规范的条件下,确定送货员的最短运行线路,即耗时最少的送货线路。本文为了能够全面的利用所有的数据,决定建立模型一:采用“D-J模型”。在此模型中,运用Dijkstra算法和Kruskal算法相结合求解,然后套用此模型可以得到最优的结果是:送货员所走过的总路程:56.27114573千米;送完全部货物所需时间:3.8446小时。本文为了能够解决更通俗的套用模型,由此建立模型二:“分析&递推模型”。在此模型中利用分析法和递归的思路建立动态的方法求得最优化结果来相结合求解,然后套用此模型可以得到最优的结果是:送货员所走过的总路程:60.04552405千米送完全部货物所需时间:4.001896835小时。在问题一的基础上,加多的时间的限制,利用模型二,求出送货员从早上8点上班开始送货,要将1~30号货物的送达时间不能超过指定时间的最快完成的结果是:送货员所走过的总路程59.2435千米送完全部货物所需时间:3.96848小时。由于受重量和体积限制,为了有规律的进行计算,建立模型三:“分区送货策略模型”。通过对送货点的分成不同的区域,在对其继续单独的利用模型二计算,得到最优的结果为:线路路程(千米)行走所需要的时间(小时)货物交接总时间(小时)送完全部货物所需时间(小时)线路155.772.9965421.754.746542线路234.31921.4299671.63.029967线路360.17142.5071421.654.157142关键词:分析&递推模型Dijkstra算法Kruskal算法最短路径二、问题的重述现今社会网络越来越普及,网购已成为一种常见的消费方式,随之物流行业也渐渐兴盛,每个送货员需要以最快的速度及时将货物送达,而且他们往往一人送多个地方。所以在快递公司送货策略中,确定合理的行走路线是关键的问题。表1.1为题中所给的数据:表1.1最大载重量50kg送货点50个货物件数100件途中的平均速度24km/h业务员工作时间上限无限制每个送货点停留时间3min/件所带货物最大体积1m3处于实际情况的考虑,本研究中对人的最大行程不加限制.本论文试图从最优化的角度,建立起满足设计要求的送货的数学模型,借助于计算机的高速运算与逻辑判断能力,求出满足题意要求的结果。三、附录数据的整理3.1附录数据的整理1)经检验发现“图1快递公司送货地点示意图”中的坐标轴的长度有误,需要修正,具体操作为:把坐标轴的坐标乘以5;2)由表3“相互到达信息”利用excel处理可以得到送货点之间的可以互相到达的送货点的关系。见附录表3-1;3)通过附录表1和表2“50个送货位置点的坐标”可以算出50个送货点之间可以互相达到的距离。见附录表3-2;4)对于“1~30号货物”所送到的“送到地点”和所有的货物的体积和重量的和.见表3-3;5)对表一“各货物...

1、当您付费下载文档后,您只拥有了使用权限,并不意味着购买了版权,文档只能用于自身使用,不得用于其他商业用途(如 [转卖]进行直接盈利或[编辑后售卖]进行间接盈利)。
2、本站所有内容均由合作方或网友上传,本站不对文档的完整性、权威性及其观点立场正确性做任何保证或承诺!文档内容仅供研究参考,付费前请自行鉴别。
3、如文档内容存在违规,或者侵犯商业秘密、侵犯著作权等,请点击“违规举报”。

碎片内容

送货路线设计问题

您可能关注的文档

确认删除?
VIP
微信客服
  • 扫码咨询
会员Q群
  • 会员专属群点击这里加入QQ群
客服邮箱
回到顶部