电脑桌面
添加小米粒文库到电脑桌面
安装后可以在桌面快捷访问

木门窗制作工程检验批质量验收记录表VIP专享VIP免费

木门窗制作工程检验批质量验收记录表_第1页
1/2
木门窗制作工程检验批质量验收记录表_第2页
2/2
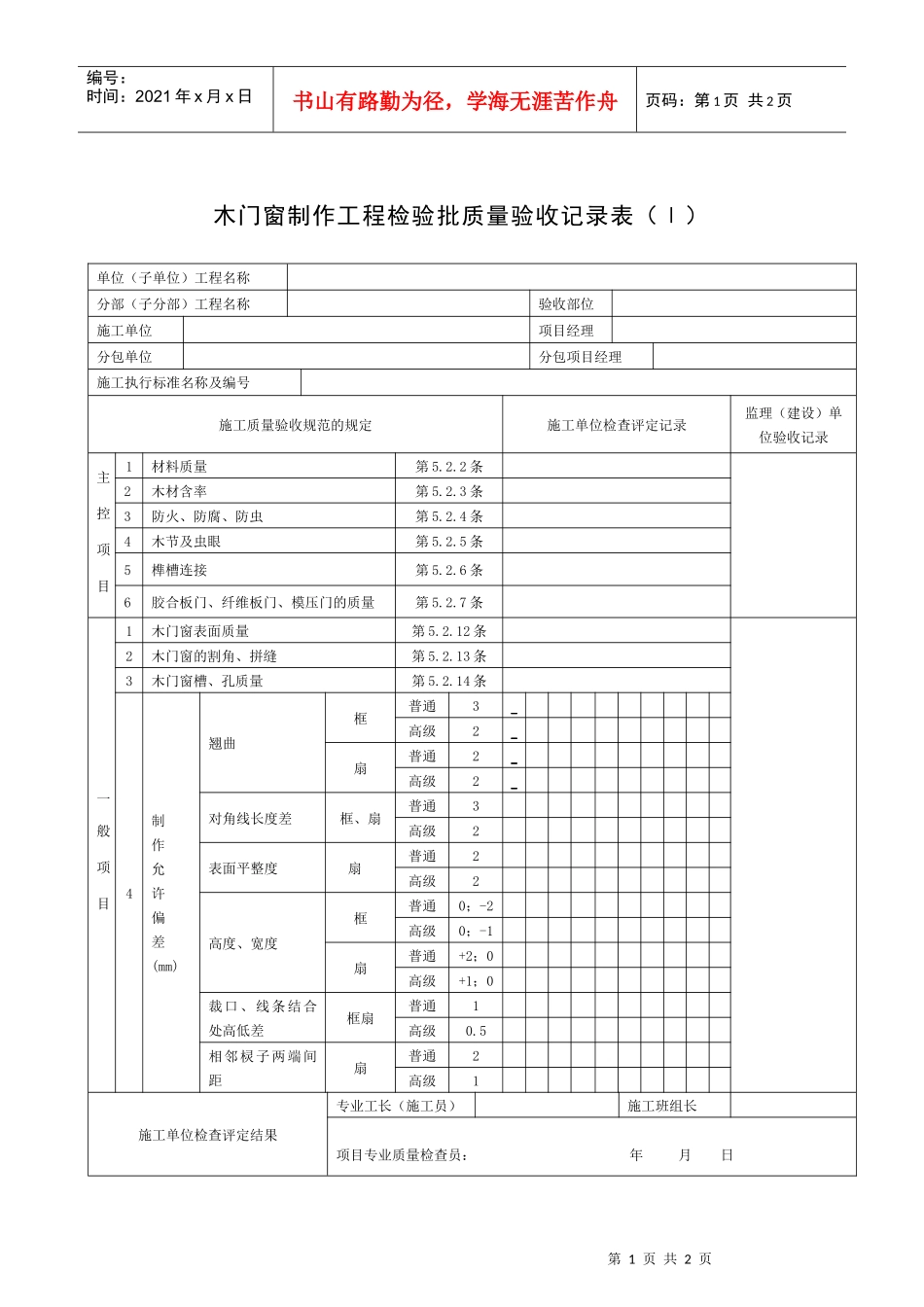
第1页共2页编号:时间:2021年x月x日书山有路勤为径,学海无涯苦作舟页码:第1页共2页木门窗制作工程检验批质量验收记录表(Ⅰ)单位(子单位)工程名称分部(子分部)工程名称验收部位施工单位项目经理分包单位分包项目经理施工执行标准名称及编号施工质量验收规范的规定施工单位检查评定记录监理(建设)单位验收记录主控项目1材料质量第5.2.2条2木材含率第5.2.3条3防火、防腐、防虫第5.2.4条4木节及虫眼第5.2.5条5榫槽连接第5.2.6条6胶合板门、纤维板门、模压门的质量第5.2.7条一般项目1木门窗表面质量第5.2.12条2木门窗的割角、拼缝第5.2.13条3木门窗槽、孔质量第5.2.14条4制作允许偏差(mm)翘曲框普通3高级2扇普通2高级2对角线长度差框、扇普通3高级2表面平整度扇普通2高级2高度、宽度框普通0;-2高级0;-1扇普通+2;0高级+1;0裁口、线条结合处高低差框扇普通1高级0.5相邻棂子两端间距扇普通2高级1施工单位检查评定结果专业工长(施工员)施工班组长项目专业质量检查员:年月日第2页共2页第1页共2页编号:时间:2021年x月x日书山有路勤为径,学海无涯苦作舟页码:第2页共2页监理(建设)单位验收结论专业监理工程师:(建设单位项目专业技术负责人)年月日说明(Ⅰ)主控项目1、木门窗的木材品种、材质等级、规格、尺寸、框扇的线型及人造木板的甲醛含量应符合设计要求。设计未规定材质等级时,所用木材的质量应符合本规范附录A的规定。观察;检查材料进场验收记录和复验报告。2、木门窗应采用烘干的木材,含水率应符合《建筑木门、木窗》JG/Tl22的规定。检查材料进场验收记录。3、木门窗的防火、防腐、防虫处理应符合设计要求。观察;检查材料进场验收记录。4、木门窗的结合处和安装配件处不得有木节或已填补的木节。木门窗如有允许限值以内的死节及直径较大的虫眼时,应用同一材质的木塞加胶填补。对于清漆制品,木塞的木纹和色泽应与制品一致。观察检查。5、门窗框和厚度大于50mm的门窗扇应用双榫连接。榫槽应采用胶料严密嵌合,并应用胶楔加紧。观察和手扳检查。6、胶合板门、纤维板门和模压门不得脱胶。胶合板不得刨透表层单板,不得有戗槎。制作胶合板门、纤维板门时,边框和横楞应在同一平面上,面层、边框及横楞应加压胶结。横楞和上、下冒头应各钻两个以上的透气孔,透气孔应通畅。观察检查。一般项目1、木门窗表面应洁净,不得有刨痕、锤印。观察检查。2、木门窗的割角、拼缝应严密平整。门窗框、扇裁口应顺直,刨面应平整。观察检查。3、木门窗上的槽、孔应边缘整齐,无毛刺。观察检查。

1、当您付费下载文档后,您只拥有了使用权限,并不意味着购买了版权,文档只能用于自身使用,不得用于其他商业用途(如 [转卖]进行直接盈利或[编辑后售卖]进行间接盈利)。
2、本站所有内容均由合作方或网友上传,本站不对文档的完整性、权威性及其观点立场正确性做任何保证或承诺!文档内容仅供研究参考,付费前请自行鉴别。
3、如文档内容存在违规,或者侵犯商业秘密、侵犯著作权等,请点击“违规举报”。

碎片内容

木门窗制作工程检验批质量验收记录表

确认删除?
VIP
微信客服
  • 扫码咨询
会员Q群
  • 会员专属群点击这里加入QQ群
客服邮箱
回到顶部