电脑桌面
添加小米粒文库到电脑桌面
安装后可以在桌面快捷访问

湖南湘松工程机械有限责任公司新建厂区项目节能监理实施细则VIP免费

湖南湘松工程机械有限责任公司新建厂区项目节能监理实施细则_第1页
1/9
湖南湘松工程机械有限责任公司新建厂区项目节能监理实施细则_第2页
2/9
湖南湘松工程机械有限责任公司新建厂区项目节能监理实施细则_第3页
3/9
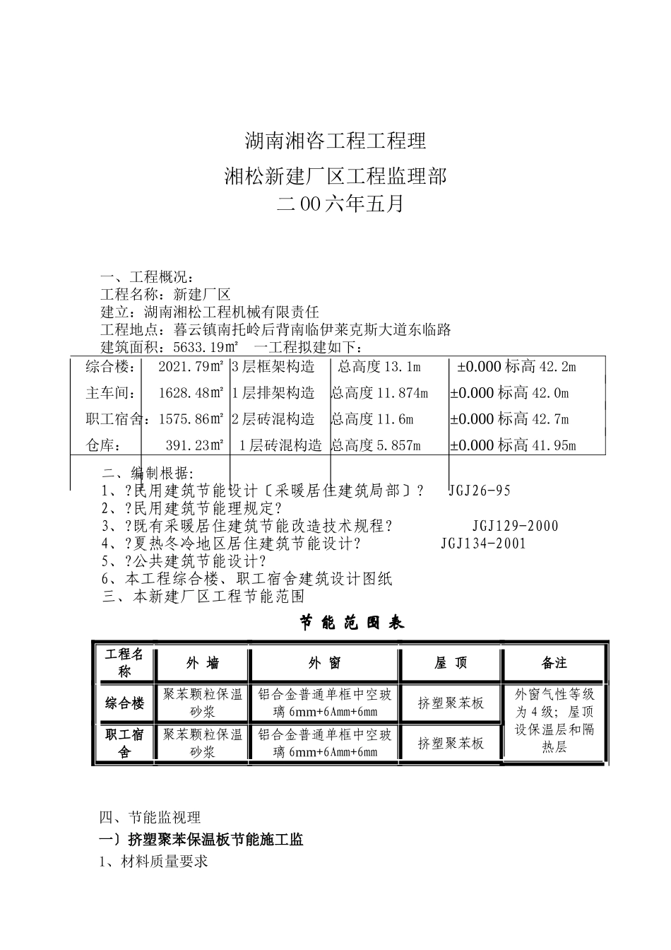
湖南湘松工程机械新建厂区工程节能监理施行细那节能监理施行细那么么编制:审核:湖南湘咨工程工程理湘松新建厂区工程监理部二OO六年五月一、工程概况:工程名称:新建厂区建立:湖南湘松工程机械有限责任工程地点:暮云镇南托岭后背南临伊莱克斯大道东临路建筑面积:5633.19㎡一工程拟建如下:综合楼:2021.79㎡3层框架构造总高度13.1m±0.000标高42.2m主车间:1628.48㎡1层排架构造总高度11.874m±0.000标高42.0m职工宿舍:1575.86㎡2层砖混构造总高度11.6m±0.000标高42.7m仓库:391.23㎡1层砖混构造总高度5.857m±0.000标高41.95m二、编制根据:1、?民用建筑节能设计〔采暖居住建筑局部〕?JGJ26-952、?民用建筑节能理规定?3、?既有采暖居住建筑节能改造技术规程?JGJ129-20004、?夏热冬冷地区居住建筑节能设计?JGJ134-20015、?公共建筑节能设计?6、本工程综合楼、职工宿舍建筑设计图纸三、本新建厂区工程节能范围节能范围表工程名称外墙外窗屋顶备注综合楼聚苯颗粒保温砂浆铝合金普通单框中空玻璃6mm+6Amm+6mm挤塑聚苯板外窗气性等级为4级;屋顶设保温层和隔热层职工宿舍聚苯颗粒保温砂浆铝合金普通单框中空玻璃6mm+6Amm+6mm挤塑聚苯板四、节能监视理一〕挤塑聚苯保温板节能施工监1、材料质量要求1.1、挤塑聚苯板外观质量要求挤塑聚苯板外观质量要求工程内容要求检验露网—不应有自然光条件下,距板0.5米处目测缺棱深度大于10mm的缺棱同条边累计小于150mm用刻度值为1mm的钢直尺测量掉角3个破坏尺寸同时大于10mm不超过2处用刻度值为1mm的钢直尺测量3个破坏尺寸的值不大于30mm裂纹贯穿性裂纹及非贯穿性横向裂纹不应有用标卡尺和刻度值为1mm的钢直尺测量非贯穿性裂纹长度大于50mm或宽度大于0.2mm不应有非贯穿性裂纹,长度大于20mm不超过两处1.2挤塑聚苯板外形尺寸允许偏向1.3挤塑聚苯板性能指标1.4石膏类胶粘剂〔用于聚苯板与墙体连接〕粘结强度不小于1.0Mpa,使用时间:0.5~1.0h;1.51.6中碱玻纤网格布性能如下:1.7嵌缝腻子(用于板缝处理):初凝时间不小于0.5h;抗压强度不小于3.0Mpa,抗折强度不小于1.5Mpa;1.8石膏腻子(用于满刮墙面):终凝时间约3hpa,抗折强度不小于1.0Mpa,粘结强度不小于0.2Mpa;2、作业条件要求2.1材料“三证〞应齐全,并严格按照要求做好报审;2.2屋面防水层及构造工程分别完工和验收完毕,墙面弹出+500mm标高线;2.3外墙门窗口安装完毕〔如外墙也采用聚苯板的情况〕;2.4水暖及装饰工程分别需用的卡、挂钩和窗帘杆固定件等埋件,宜留出位置或埋设完毕.电气工程的线、接线盒等必须埋设完毕,并应完成暗线的穿带线工作;2.5操作地点环境温度不低于5摄式度.3、施工程序构造墙面清理弹出保温板位置线抹冲筋点粘贴防水保温踢脚板粘贴、安装保温板抹门窗口护角板边及板缝处粘贴玻纤布条保温墙面刮腻子构造楼、地面清理弹出保温板位置线抹冲筋点粘贴防水保温踢脚板粘贴、安装保温板抹阴角护角板边及板缝处粘贴玻纤布条保温楼地面刮腻子墙面楼面〔屋顶〕4、施工质量控制要求4.1、保温板与构造面必须粘结结实,无松动现象,保温墙外表平整,无起皮、起皱及裂缝现象;4.2空气层厚度不得小于20mm;4.3板间拼缝宽为5mm,板缝必须用胶粘剂挤实刮平,粘结结实;4.4玻纤条要贴平、粘实,阴角处应拐边100mm;4.5保温板安装的允许偏向及检查保温板安装的允许偏向及检查项次项目允许偏向〔㎜〕检查方法普通高级1外表平整度42用2m靠尺和楔形塞尺检查2立面垂直度53用2m托线板检查3阴角垂直42用2m托线板检查4阴角方正42用200mm方尺和楔形塞尺检查5接缝高差1.51用直尺和楔形塞尺检查二〕聚苯颗粒保温砂浆节能施工监1、材料质量要求1.1、水泥:强度等级为42.5普通硅酸盐水泥应符合?硅酸盐水泥、普通硅酸盐水泥?GB175-1999的规定要求;1.2、中砂:应符合?普通混凝土用砂质量及检验?JGJ52-92的规定,筛除大于2.5mm颗粒,含泥量少于3.1.3、1.4、聚苯颗粒应满足下表性能指标聚苯颗粒技术性能项目单位指标堆积度Kg/m312~21粒度(5mm筛孔筛余)不大于51.5、胶粉料应满足技术性能指标要求如下表胶粉料技术性能项目单位指标初凝时间H不小于4终凝时间H不大于12安定性(蒸煮法)合格拉伸黏结强度(常温28d)Mpa不小于0.6浸水拉伸黏...

1、当您付费下载文档后,您只拥有了使用权限,并不意味着购买了版权,文档只能用于自身使用,不得用于其他商业用途(如 [转卖]进行直接盈利或[编辑后售卖]进行间接盈利)。
2、本站所有内容均由合作方或网友上传,本站不对文档的完整性、权威性及其观点立场正确性做任何保证或承诺!文档内容仅供研究参考,付费前请自行鉴别。
3、如文档内容存在违规,或者侵犯商业秘密、侵犯著作权等,请点击“违规举报”。

碎片内容

湖南湘松工程机械有限责任公司新建厂区项目节能监理实施细则

精品文库+ 关注
实名认证
内容提供者

超级好的教育资料

确认删除?
VIP
微信客服
  • 扫码咨询
会员Q群
  • 会员专属群点击这里加入QQ群
客服邮箱
回到顶部