电脑桌面
添加小米粒文库到电脑桌面
安装后可以在桌面快捷访问

岩土工程勘察收费标准VIP免费

岩土工程勘察收费标准_第1页
1/15
岩土工程勘察收费标准_第2页
2/15
岩土工程勘察收费标准_第3页
3/15
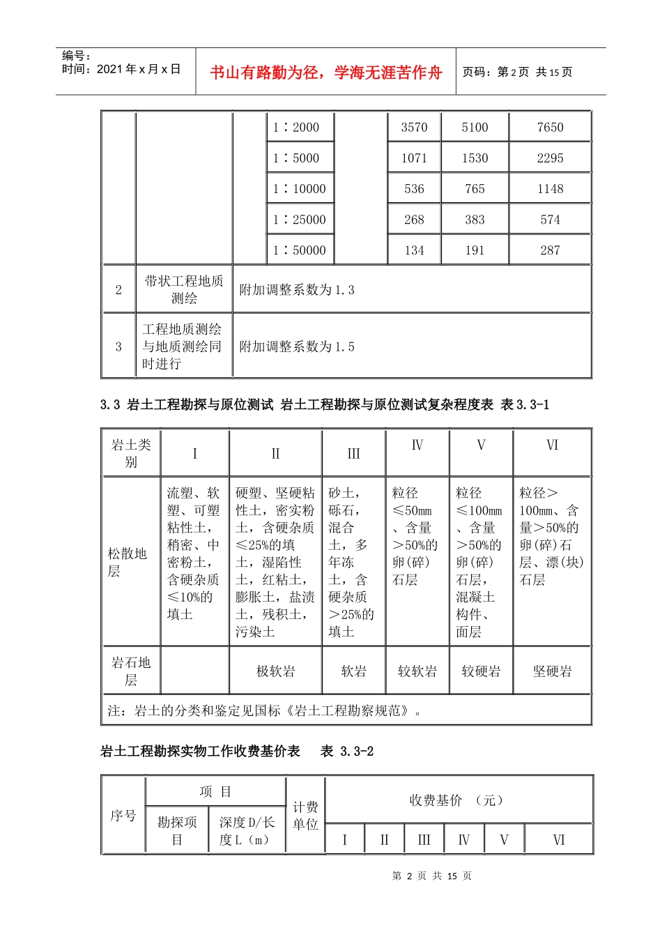
第1页共15页编号:时间:2021年x月x日书山有路勤为径,学海无涯苦作舟页码:第1页共15页3岩土工程勘察3.1技术工作岩土工程勘察技术工作费收费比例表表3.1-1岩土工程勘察等级技术工作费收费比例(%)甲级120乙级100丙级80注:1岩土工程勘察等级见国标《岩土工程勘察规范》;2.利用已有勘察资料提出勘察报告的只收取技术工作费,技术工作费的计费基数为所利用勘察资料的实物工作收费额。3.2工程地质测绘工程地质测绘复杂程度表表3.2-1类别简单中等复杂地质构造岩层产状水平或倾斜很缓有显著的褶皱、断层有复杂的褶皱、断层岩层特征简单,露头良好变化不稳定,露头中等,有较复杂地质现象变化复杂,种类繁多,露头不良,有滑坡、岩溶等复杂地质现象地形地貌地形平坦,植被不发育,易于通行地形起伏较大,河流、灌木较多,通行较困难岭谷山地,林木密集,水网、稻田、沼泽,通行困难工程地质测绘实物工作收费基价表表3.2-2序号项目计费单位收费基价(元)简单中等复杂1工程地质测绘成图比例1∶200km21606522950344251∶500803311475172131∶10005355765011475第2页共15页第1页共15页编号:时间:2021年x月x日书山有路勤为径,学海无涯苦作舟页码:第2页共15页1∶20003570510076501∶50001071153022951∶1000053676511481∶250002683835741∶500001341912872带状工程地质测绘附加调整系数为1.33工程地质测绘与地质测绘同时进行附加调整系数为1.53.3岩土工程勘探与原位测试岩土工程勘探与原位测试复杂程度表表3.3-1岩土类别ⅠⅡⅢⅣⅤⅥ松散地层流塑、软塑、可塑粘性土,稍密、中密粉土,含硬杂质≤10%的填土硬塑、坚硬粘性土,密实粉土,含硬杂质≤25%的填土,湿陷性土,红粘土,膨胀土,盐渍土,残积土,污染土砂土,砾石,混合土,多年冻土,含硬杂质>25%的填土粒径≤50mm、含量>50%的卵(碎)石层粒径≤100mm、含量>50%的卵(碎)石层,混凝土构件、面层粒径>100mm、含量>50%的卵(碎)石层、漂(块)石层岩石地层极软岩软岩较软岩较硬岩坚硬岩注:岩土的分类和鉴定见国标《岩土工程勘察规范》。岩土工程勘探实物工作收费基价表表3.3-2序号项目计费单位收费基价(元)勘探项目深度D/长度L(m)ⅠⅡⅢⅣⅤⅥ第3页共15页第2页共15页编号:时间:2021年x月x日书山有路勤为径,学海无涯苦作舟页码:第3页共15页1钻孔D≤10m467111720730138210<D≤20588914725937747720<D≤306910717631145257330<D≤408212720936853668040<D≤509815124943963980950<D≤6010916827748971190160<D≤80121187307542789100080<D≤1001322043355928621092D>100每增加20m,按前一档收费基价乘以1.2的附加调整系数2探井D≤2m5063781252002502<D≤56378971562503135<D≤10789712019431038810<D≤20103128159256410513D>20每增加10m,按前一档收费基价乘以1.3的附加调整系数3探槽D≤2m340527292120148D>258751041331742154平硐L≤50m3505257359801173134850<L≤100368551772102912311415100<L≤150385578809107812901482150<L≤200403604845112713481550第4页共15页第3页共15页编号:时间:2021年x月x日书山有路勤为径,学海无涯苦作舟页码:第4页共15页200<L≤250420630882117614071617250<L≤300438656919122514661684L>300每增加50m,按前一档收费基价乘以1.1的附加调整系数标准断面为4m2,大于标准断面部分乘以0.6的附加调整系数,另行计算收费取土、水、石试样实物工作收费基价表表3.3-3序号项目计费单位收费基价(元)取样深度≤30m取样深度>30m1取土锤击法厚壁取土器试样规格ф=80~100mmL=150~200mm件4050静压法厚壁取土器ф=80~100mmL=150~200mm6595敞口或自由活塞薄壁取土器ф=75mmL=800mm310460水压固定活塞薄壁取土器ф=75mmL=800mm420620固定活塞薄壁取土器ф=75mmL=800mm360560第5页共15页第4页共15页编号:时间:2021年x月x日书山有路勤为径,学海无涯苦作舟页码:第5页共15页束节式取土器ф=75mmL=200mm150240黄土取土器ф=120mmL=150mm80120回转型单动、双动三重管取土器ф=75mmL=1250mm310460探井取土100150扰动取土152取石取岩芯样25人工取样2003取水40原位测试实物工作收...

1、当您付费下载文档后,您只拥有了使用权限,并不意味着购买了版权,文档只能用于自身使用,不得用于其他商业用途(如 [转卖]进行直接盈利或[编辑后售卖]进行间接盈利)。
2、本站所有内容均由合作方或网友上传,本站不对文档的完整性、权威性及其观点立场正确性做任何保证或承诺!文档内容仅供研究参考,付费前请自行鉴别。
3、如文档内容存在违规,或者侵犯商业秘密、侵犯著作权等,请点击“违规举报”。

碎片内容

岩土工程勘察收费标准

确认删除?
VIP
微信客服
  • 扫码咨询
会员Q群
  • 会员专属群点击这里加入QQ群
客服邮箱
回到顶部