电脑桌面
添加小米粒文库到电脑桌面
安装后可以在桌面快捷访问

高等学校仪器设备管理基本信息集VIP免费

高等学校仪器设备管理基本信息集_第1页
1/11
高等学校仪器设备管理基本信息集_第2页
2/11
高等学校仪器设备管理基本信息集_第3页
3/11
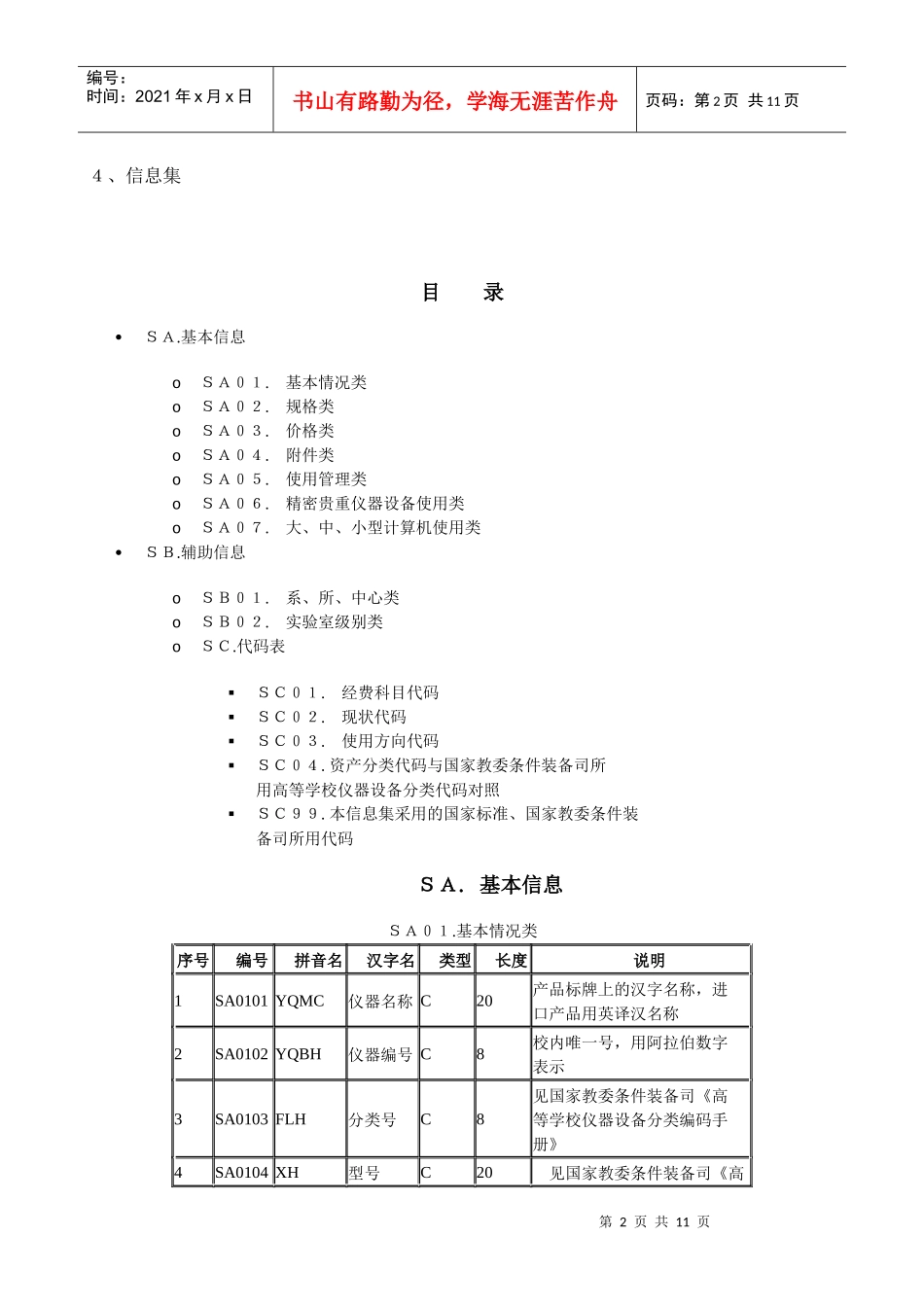
第1页共11页编号:时间:2021年x月x日书山有路勤为径,学海无涯苦作舟页码:第1页共11页高等学校仪器设备管理基本信息集1994-07-04发布1995-01-01实施1、主题内容和适用范围本标准规定了高等学校仪器设备管理信息交换标准,适用于各高等学校建立仪器设备管理信息系统和教育系统内的信息交换。2、编制原则和结构本信息集由三个部分组成:A、基本信息基本信息是以管理对象为主体的信息项,为了便于查阅,按内容分成若干类,按类分段列出,每个信息项具有编号,拼音名,汉字名,类型,长度,说明等六个栏目。⑴编号为该信息项的特征号,长度为六位字符:第一位为字母,代表所属信息集如:S-仪器设备管理信息集第二位为字母,代表属于那个部分A-基本信息B-辅助信息C-代码表第三、四位为二位数字,代表该信息项属于那一类第五、六位为二位数字,为每一类下的顺序号⑵拼音名是与汉字名对应的拼音字头缩写,为了避免出现重码,个别项不一定完全遵守汉字和拼音字头的对应关系。⑶汉字名为该信息项的名称,实际上是经压缩后不超过五个汉字的简称。⑷类型为该信息项的数据类型,本信息集只使用字符型和数字型两种类型。C-字符型N-数字型⑸长度为该信息项内容占有的字符数(一个汉字占二个字符)。⑹说明为该信息项的补充描述。B、辅助信息辅助信息是配合基本信息设置的,即与基本信息密切有关的管理信息,分类列入辅助信息。C、代码表本信息集采用了三种代码。第一种是国家技术监督局已经颁发的国家标准,如世界各国和地区名称代码;第二种是国家教委条件装备司所用代码,如《高等学校仪器设备分类编码手册》;第三种是本信息集制定的代码。代码表中列出了第一种、第二种代码的名称和代号,以及第三种代码的名称和内容。3、本标准的管理本标准由国家教委教育管理信息中心负责管理。第2页共11页第1页共11页编号:时间:2021年x月x日书山有路勤为径,学海无涯苦作舟页码:第2页共11页4、信息集目录SA.基本信息oSA01.基本情况类oSA02.规格类oSA03.价格类oSA04.附件类oSA05.使用管理类oSA06.精密贵重仪器设备使用类oSA07.大、中、小型计算机使用类SB.辅助信息oSB01.系、所、中心类oSB02.实验室级别类oSC.代码表SC01.经费科目代码SC02.现状代码SC03.使用方向代码SC04.资产分类代码与国家教委条件装备司所用高等学校仪器设备分类代码对照SC99.本信息集采用的国家标准、国家教委条件装备司所用代码SA.基本信息SA01.基本情况类序号编号拼音名汉字名类型长度说明1SA0101YQMC仪器名称C20产品标牌上的汉字名称,进口产品用英译汉名称2SA0102YQBH仪器编号C8校内唯一号,用阿拉伯数字表示3SA0103FLH分类号C8见国家教委条件装备司《高等学校仪器设备分类编码手册》4SA0104XH型号C20见国家教委条件装备司《高第3页共11页第2页共11页编号:时间:2021年x月x日书山有路勤为径,学海无涯苦作舟页码:第3页共11页等学校仪器设备分类编码手册》5SA0105CCRQ出厂日期C4前二位为年份,后二位为月份6SA0106GBM国别码C3采用国标GB2659-867SA0107JFKM经费科目C1见代码表SC018SA0108GZRQ购置日期C4前二位为年份,后二位为月份9SA0109CJ厂家C20汉字名、进口产品英译汉名或英文名10SA0110CCH出厂号C10厂家标注在产品上的唯一号11SA0111DJH单据号C16采购凭证单据或进口产品订货合同号SA02.规格类12SA0201GG规格C15桉国务院部委级部门发布的产品订货目录及国际惯例填写13SA0202JMGG精密规格C50按国际惯例,国家科委主管的23种仪器设备按国家科委的规定填写SA03.价格类14SA0301DJ单价N10,2仪器设备(包括附件)购置的人民币价格(原值)以元为单位,取二位小数,进口仪器设备按当时汇率折算人民币价格15SA0302JKDJ进口单价N10,2进口仪器设备一律以美元为单位计算进口单价16SA0303FJZJ附件总价N10,2某仪器设备全部附件总原价,以人民币元为单位,取二位小数17SA0304FJJKJ附件进口价N10,2某仪器设备全部进口附件美元价,取小数二位SA04.附件类18SA0401FJBH附件编号C11前八位为设备编号(主机校内唯一号),后三位为...

1、当您付费下载文档后,您只拥有了使用权限,并不意味着购买了版权,文档只能用于自身使用,不得用于其他商业用途(如 [转卖]进行直接盈利或[编辑后售卖]进行间接盈利)。
2、本站所有内容均由合作方或网友上传,本站不对文档的完整性、权威性及其观点立场正确性做任何保证或承诺!文档内容仅供研究参考,付费前请自行鉴别。
3、如文档内容存在违规,或者侵犯商业秘密、侵犯著作权等,请点击“违规举报”。

碎片内容

高等学校仪器设备管理基本信息集

中小学文库+ 关注
实名认证
内容提供者

精品资料应用尽有

确认删除?
VIP
微信客服
  • 扫码咨询
会员Q群
  • 会员专属群点击这里加入QQ群
客服邮箱
回到顶部