电脑桌面
添加小米粒文库到电脑桌面
安装后可以在桌面快捷访问

钢筋安装工程检验批质量验收记录表ⅡVIP专享VIP免费

钢筋安装工程检验批质量验收记录表Ⅱ_第1页
1/2
钢筋安装工程检验批质量验收记录表Ⅱ_第2页
2/2
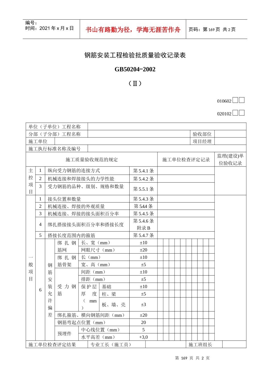
第169页共2页编号:时间:2021年x月x日书山有路勤为径,学海无涯苦作舟页码:第169页共2页钢筋安装工程检验批质量验收记录表GB50204-2002(Ⅱ)010602020102单位(子单位)工程名称分部(子分部)工程名称验收部位施工单位项目经理施工执行标准名称及编号施工质量验收规范的规定施工单位检查评定记录监理(建设)单位验收记录主控项目1纵向受力钢筋的连接方式第5.4.1条2机械连接和焊接接头的力学性能第5.4.2条3受力钢筋的品种、级别、规格和数量第5.5.1条一般项目1接头位置和数量第5.4.3条2机械连接、焊接的外观质量第5.4.4条3机械连接、焊接的接头面积百分率第5.4.5条4绑扎搭接接头面积百分率和搭接长度第5.4.6条附录B5搭接长度范围内的箍筋第5.4.7条6钢筋安装允许偏差绑扎钢筋网长、宽(mm)±10网眼尺寸(mm)±20绑扎钢筋骨架长(mm)±10宽、高(mm)±5受力钢筋间距(mm)±10排距(mm)±5保护层厚度(mm)基础±10柱、梁±5板、墙、壳±3绑扎箍筋、横向钢筋间距(mm)±20钢筋弯起点位置(mm)20预埋件中心线位置(mm)5水平高差(mm)+3,0施工单位检查评定结果专业工长(施工员)施工班组长第170页共2页第169页共2页编号:时间:2021年x月x日书山有路勤为径,学海无涯苦作舟页码:第170页共2页项目专业质量检查员:年月日监理(建设)单位验收结论专业监理工程师:(建设单位项目专业技术负责人):年月日

1、当您付费下载文档后,您只拥有了使用权限,并不意味着购买了版权,文档只能用于自身使用,不得用于其他商业用途(如 [转卖]进行直接盈利或[编辑后售卖]进行间接盈利)。
2、本站所有内容均由合作方或网友上传,本站不对文档的完整性、权威性及其观点立场正确性做任何保证或承诺!文档内容仅供研究参考,付费前请自行鉴别。
3、如文档内容存在违规,或者侵犯商业秘密、侵犯著作权等,请点击“违规举报”。

碎片内容

钢筋安装工程检验批质量验收记录表Ⅱ

确认删除?
VIP
微信客服
  • 扫码咨询
会员Q群
  • 会员专属群点击这里加入QQ群
客服邮箱
回到顶部