电脑桌面
添加小米粒文库到电脑桌面
安装后可以在桌面快捷访问

单向板肋梁楼盖设计计算书参考例题VIP免费

单向板肋梁楼盖设计计算书参考例题_第1页
1/14
单向板肋梁楼盖设计计算书参考例题_第2页
2/14
单向板肋梁楼盖设计计算书参考例题_第3页
3/14
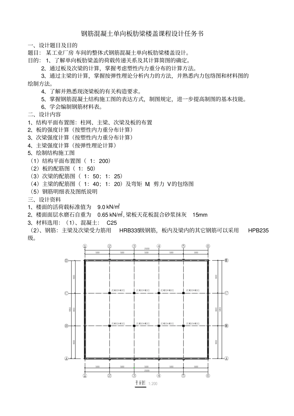
钢筋混凝土单向板肋梁楼盖课程设计任务书一、设计题目及目的题目:某工业厂房车间的整体式钢筋混凝土单向板肋梁楼盖设计。目的:1、了解单向板肋梁盖的荷载传递关系及其计算简图的确定。2、通过板及次梁的计算,掌握考虑塑性内力重分布的计算方法。3、通过主梁的计算,掌握按弹性理论分析内力的方法,并熟悉内力包络图和材料图的绘制方法。4、了解并熟悉现浇梁板的有关构造要求。5、掌握钢筋混凝土结构施工图的表达方式,制图规定,进一步提高制图的基本技能。6、学会编制钢筋材料表。二、设计内容1、结构平面布置图:柱网、主梁、次梁及板的布置2、板的强度计算(按塑性内力重分布计算)3、次梁强度计算(按塑性内力重分布计算)4、主梁强度计算(按弹性理论计算)5、绘制结构施工图(1)结构平面布置图(1:200)(2)板的配筋图(1:50)(3)次梁的配筋图(1:50;1:25)(4)主梁的配筋图(1:40;1:20)及弯矩M、剪力V的包络图(5)钢筋明细表及图纸说明三、设计资料1、楼面的活荷载标准值为9.0kN/m22、楼面面层水磨石自重为0.65kN/m2,梁板天花板混合砂浆抹灰15mm.3、材料选用:(1)、混凝土:C25(2)、钢筋:主梁及次梁受力筋用HRB335级钢筋,板内及梁内的其它钢筋可以采用HPB235级。现浇钢筋混凝土单向板肋梁楼盖设计计算书一、结构平面结构布置:1、确定主梁的跨度为m6.6,次梁的跨度为m0.5,主梁每跨内布置两根次梁,板的跨度为m2.2。楼盖结构布置图如下:2、按高跨比条件,当mmlh55401时,满足刚度要求,可不验算挠度。对于工业建筑的楼盖板,要求mmh80,取板厚mmh80。3、次梁的截面高度应满足121(h~278()181L~mm)417,取mmh400;则21(b~133()31h~mm)200,取mmb200。4、主梁的截面高度应该满足81(h~440()141L~mm)660,mmh400,则21(h~200()31h~mm)300,取mmb250。二、板的设计(按塑性内力重分布计算):1、荷载计算:板的恒荷载标准值:取1m宽板带计算:水磨石面层mkN/65.0165.080mm钢筋混凝土板mkN/0.22508.015mm板底混合砂浆mkN/255.017015.0恒载:mkNgk/905.2活载:mkNqk/919恒荷载分项系数取1.2;因为工业建筑楼盖且楼面活荷载标准值大于mkN/0.4,所以活荷载分项系数取1.3。于是板的设计值总值:qg=kkqg3.12.1mkN/186.152、板的计算简图:80mm厚钢筋混凝土板次梁120200200次梁截面为mmmm400200,现浇板在墙上的支承长度不小于100mm,取板在墙上的支承长度为120mm。按塑性内力重分布设计,板的计算边跨:mmlhllnn2030025.1202028012010022002101,取mml202001(mma120)中跨:mmlln2000200220002板为多跨连续板,对于跨数超过五跨的等截面连续板,其各跨受荷相同,且跨差不超过10%时,均可按五跨等跨度连续板计算。计算简图如下图:23BCCB20202000200020002020q+g=15.186kN/m板的计算简图3、内力计算及配筋:用塑性内力重分布理论计算,则有α系数如下:表1.0支承情况截面位置端支座边跨支座离端第二支座离端第二跨中中间支座中间跨中A1B2C3梁板搁支在墙上01/11两跨连续:-1/10三跨以上连续:-1/111/16-1/141/16板与梁整浇连接-1/161/14梁-1/24梁与柱整浇连接-1/161/14则由20)(lqgM可计算出1M、BM、2M、cM,计算结果如下表:截面位置1B2Cα1/11-1/111/16-1/1420)(lqgM)/(mkN202.2186.15111633.520.2186.15111633.520.2186.1516187.320.2186.1514/143.4由题知:,20,1000mmammbs设则,mmahhs6020800mmNfc/9.11,mmNfy/210根据各跨跨中及支座弯矩可列表计算如下:截面1B2CM(mkN)1MBM2M28.0McMcM8.020)(lqgM5.633-5.6333.873.10-4.433.54201bhfc(mkN)42.84201bhfMcs0.1310.1310.0900.0730.1030.083s211(614.0b)0.1410.1410.0940.0760.1090.0875.01s0.9300.9300.9530.9620.9460.9570/hfMAyss(mm2)480.7480.7322.3255.8317.7293.6选钢筋①~②轴线⑤~⑥轴线8/10@1308/10@1308@1308@130②~⑤轴线8/10@1308/10@1306/8@1306/8@130实际配筋①~②轴线⑤~⑥轴线495mm2495mm2387mm2387mm2②~⑤轴线495mm2495mm2302mm2302mm2位于次梁内跨上的板带,其内区格四周与梁整体连接,故其中间跨的跨中截面(2M、3M)和中间支座(cM)计算弯矩可以减少20%,其他截面则不...

1、当您付费下载文档后,您只拥有了使用权限,并不意味着购买了版权,文档只能用于自身使用,不得用于其他商业用途(如 [转卖]进行直接盈利或[编辑后售卖]进行间接盈利)。
2、本站所有内容均由合作方或网友上传,本站不对文档的完整性、权威性及其观点立场正确性做任何保证或承诺!文档内容仅供研究参考,付费前请自行鉴别。
3、如文档内容存在违规,或者侵犯商业秘密、侵犯著作权等,请点击“违规举报”。

碎片内容

单向板肋梁楼盖设计计算书参考例题

您可能关注的文档

确认删除?
VIP
微信客服
  • 扫码咨询
会员Q群
  • 会员专属群点击这里加入QQ群
客服邮箱
回到顶部