电脑桌面
添加小米粒文库到电脑桌面
安装后可以在桌面快捷访问

各种材料密度VIP免费

各种材料密度_第1页
1/5
各种材料密度_第2页
2/5
各种材料密度_第3页
3/5
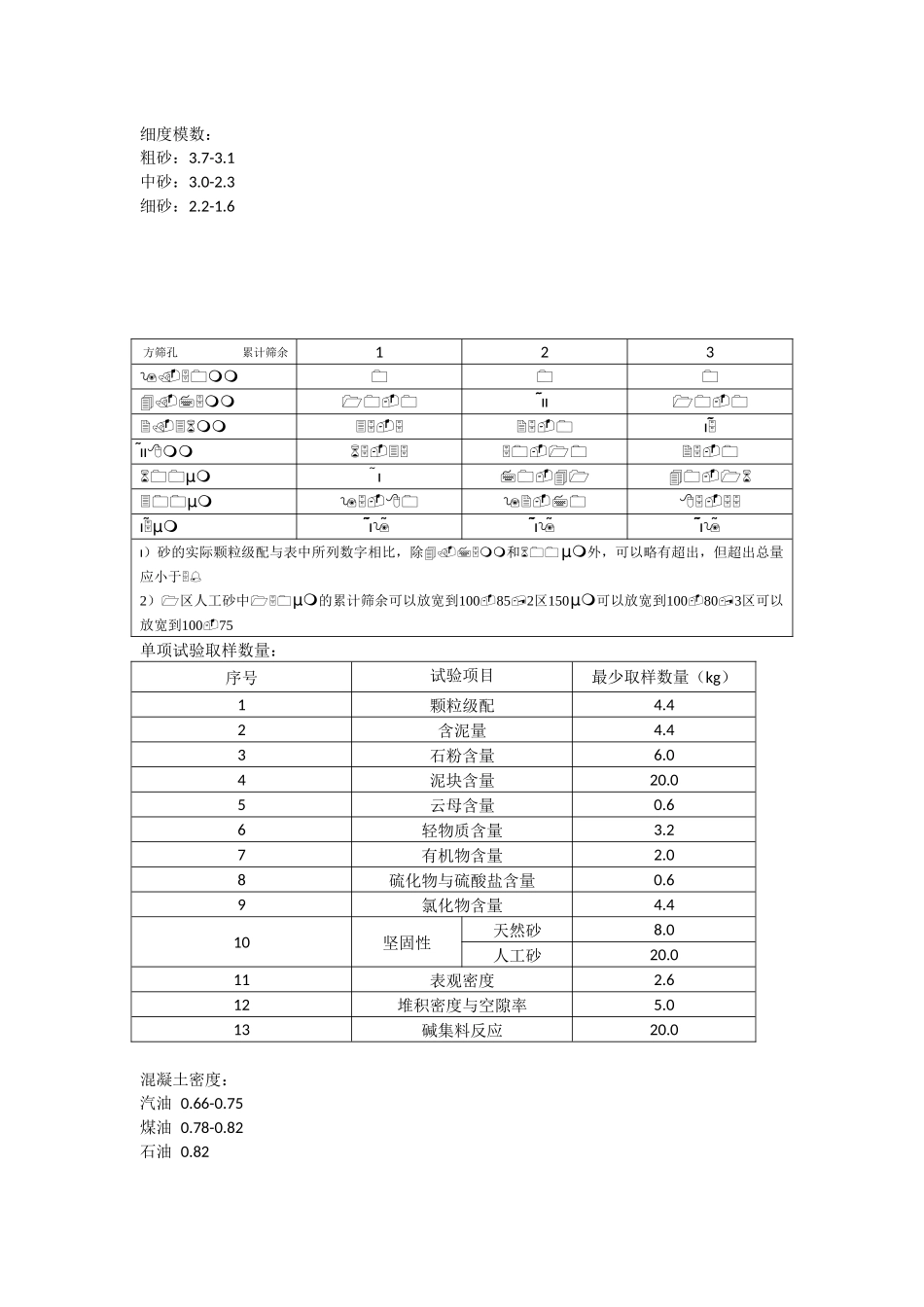
钢筋:热轧光圆钢筋热轧带肋钢筋砂石:石子堆积密度一般取1500-1800kg/m3(与含水率有关)其中试样缩分至大约下表所需试样数量烘干或风干备用:其中试样缩分至大约下表所需试样数量烘干备用:表观密度试验缩分到下面的数量,风干后筛除小于4.75mm的颗粒,然后洗刷干净,分成大致相等的两份备用。砂堆积密度一般取1300-1600kg/m3(与石子材质有关)细度模数:粗砂:3.7-3.1中砂:3.0-2.3细砂:2.2-1.6方筛孔累计筛余123μμμ)砂的实际颗粒级配与表中所列数字相比,除和μ外,可以略有超出,但超出总量应小于)区人工砂中μ的累计筛余可以放宽到区μ可以放宽到区可以放宽到单项试验取样数量:序号试验项目最少取样数量(kg)1颗粒级配4.42含泥量4.43石粉含量6.04泥块含量20.05云母含量0.66轻物质含量3.27有机物含量2.08硫化物与硫酸盐含量0.69氯化物含量4.410坚固性天然砂8.0人工砂20.011表观密度2.612堆积密度与空隙率5.013碱集料反应20.0混凝土密度:汽油0.66-0.75煤油0.78-0.82石油0.82各类机油0.9-0.95水(4)1.0℃灰铸铁7.0白口铸铁7.55可锻铸铁7.3碳钢7.8-7.85铸钢7.8钢材7.85高速钢8.3-8.7不锈钢、合金钢7.9钨钴类硬质合金钢14.4-14.9钨钛钴类质合金钢9.5-12.4硅钢片7.55-7.8紫铜8.9黄铜8.4-8.85铸造黄铜8.62锡青铜8.7-8.9无锡青铜7.5-8.2轧制磷表铜8.8冷拉青铜8.8工业用铝2.7可铸铝合金2.7铝镍合金2.7镍8.9镍铜合金8.8锌铝合金6.3-6.9铸锌6.86锌板7.2铅板11.37锰7.43铬7.19锡7.29金19.32银10.5汞13.55镁合金1.74硅钢片7.55-7.8锡基轴承合金7.34-7.75铅基轴承合金9.33-10.67杉木0.376铁杉、山0.486-0.5云南松.柏木0.588马尾松.榆木0.533-0.548桦木.楠木0.61-0.625.水曲柳0.686柞栎(柞木)0.766软木0.1-0.4胶合板0.56刨花板0.4竹材0.9石墨1.9-2.3混凝土1.8-2.45普通粘土砖1.7粘土耐火砖2.1硅质耐火砖1.8-1.9镁质耐火砖2.6镁质耐火砖2.8高铬质耐火砖2.2-2.5石灰石.滑石2.6-2.8花岗石2.6-3水泥1.2碳化硅3.1金钢砂4普通玻璃2.4-2.7陶瓷2.3-2.45工业橡胶1.3-1.8纯橡胶0.93皮革0.4-1.2聚氯乙烯1.35-1.4聚苯乙烯1.05-1.07聚乙烯0.92-0.95聚丙烯0.9-0.91聚甲醛1.41-1.43氟塑料2.1-2.2无填料的电木1.2胶木板.纤维板1.3-1.4赛璐珞1.35-1.4有机玻璃1.18泡沫塑料0.2酚醛层压塑料1.3-1.45尼龙61.13-1.14尼龙661.14-1.15尼龙10101.04-1.06橡胶夹布传动带0.8-1.2胶木石棉带2.0

1、当您付费下载文档后,您只拥有了使用权限,并不意味着购买了版权,文档只能用于自身使用,不得用于其他商业用途(如 [转卖]进行直接盈利或[编辑后售卖]进行间接盈利)。
2、本站所有内容均由合作方或网友上传,本站不对文档的完整性、权威性及其观点立场正确性做任何保证或承诺!文档内容仅供研究参考,付费前请自行鉴别。
3、如文档内容存在违规,或者侵犯商业秘密、侵犯著作权等,请点击“违规举报”。

碎片内容

各种材料密度

您可能关注的文档

确认删除?
VIP
微信客服
  • 扫码咨询
会员Q群
  • 会员专属群点击这里加入QQ群
客服邮箱
回到顶部