电脑桌面
添加小米粒文库到电脑桌面
安装后可以在桌面快捷访问

排水工程控制要点VIP免费

排水工程控制要点_第1页
1/9
排水工程控制要点_第2页
2/9
排水工程控制要点_第3页
3/9
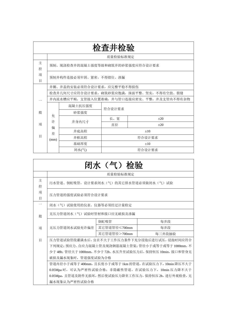
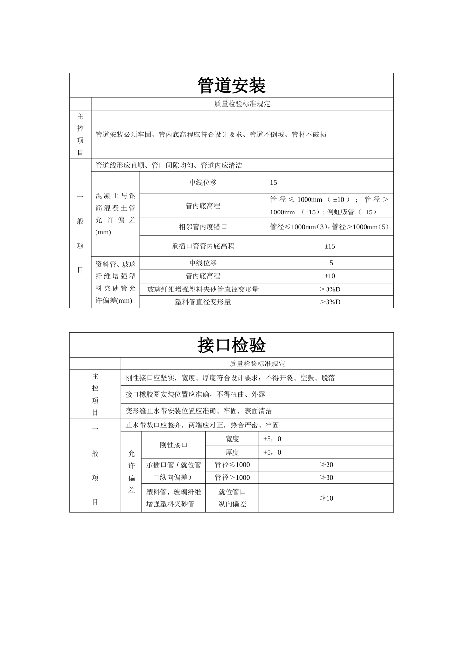
沟槽开挖质量检验标准规定主控项目槽底土不得超挖,如超挖严禁用土回填1.当土质较好,地下水位较低,挖深不大,施工现场有条件的沟漕,基坑开挖施工,可采用放坡明开控土。2.明开挖土的边坡应根据施工现场的土质及挖深,施工期限、地下水位等情况确定。3.明开槽(坑)下台上可设排水沟、施工临时排水管及井点管等。4.明开挖土一般采用挖土机挖土同时配合人工清底。当土方量较小、挖深较浅时,也可采用人工挖土。一般项目沟槽排水应畅通,槽底禁水浸泡、受冻1.沟槽支撑的方式应根据施工现场的土质,地下水和沟槽附近的环境等因素确定。2.沟槽支撑常用材料有撑板、立木、撑杠。3.沟槽支撑的方式有井字撑、排板撑。4.两根撑杠的距离应根据土压力和撑杠、立木等支撑材料的强度确定,一般距离不大于2.5m垂直距离为1~1.5m。每根立木上支撑的撑杠数量不得小于2根。5.支撑时撑杠的丝杠部分插入钢管的长度应大于20cm,并将螺母旋紧。撑杠一般用扒锯与立木或撑板固定牢固。6.管道安装时,可将与管道相碰的撑杠替撑至高出管顶20cm。7.沟槽支撑挖土可用挖掘机挖上层土,吊车配合允许偏差槽底高程0,-20槽底中线,每侧宽度不小于设计规定(槽底宽度除以2)沟槽边坡不陡于设计规定(设计建议1:1~1:1.25)管道基础检验质量检验标准规定主控项目平基管座混凝土强度和配筋必须符合设计要求采用C15级混凝土,以采用低稠底混凝土为宜,平基部位最好采用干硬性混凝土。在地下水位以下施工更不宜用大坍落底混凝土。砂石平基厚度应符合设计要求,管座与基础密接砂石基础铺设前应先对槽底进行检查,不得有积水和软泥、槽底高程及槽宽须符合设计规定。一般项目混凝土抗压强度符合设计要求允许偏差混凝土垫层中线每侧宽度(不小于设计规定);高程(0,-15);厚度(不小于设计规定)混凝土平基中线每侧宽度(+10,0);高程(0,-10);厚度(不小于设计规定)混凝土管座肩宽(+10,0);肩高±20砂石平基厚度+20,-10砂石管座高度不小于设计规定管道安装质量检验标准规定主控项目管道安装必须牢固、管内底高程应符合设计要求、管道不倒坡、管材不破损一般项目管道线形应直顺、管口间隙均匀、管道内应清洁混凝土与钢筋混凝土管允许偏差(mm)中线位移15管内底高程管径≤1000mm(±10);管径>1000mm(±15);倒虹吸管(±15)相邻管内度错口管径≤1000mm(3);管径>1000mm(5)承插口管管内底高程±15资料管、玻璃纤维增强塑料夹砂管允许偏差(mm)中线位移15管内底高程±10玻璃纤维增强塑料夹砂管直径变形量≯3%D塑料管直径变形量≯3%D接口检验质量检验标准规定主控项目刚性接口应坚实,宽度、厚度符合设计要求;不得开裂、空鼓、脱落接口橡胶圈安装位置应准确,不得扭曲、外露变形缝止水带安装位置应准确、牢固,表面清洁一般项目止水带裁口应整齐,两端应对正,热合严密、牢固允许偏差刚性接口宽度+5,0厚度+5,0承插口管(就位管口纵向偏差)管径≤1000≯20管径>1000≯30塑料管,玻璃纤维增强塑料夹砂管就位管口纵向偏差≯10检查井检验质量检验标准规定主控项目预制、现浇检查井的混凝土强度等级和砌筑井的砂浆强度应符合设计要求预制井构件连接必须牢固、紧密,不得错位、渗漏一般项目井圈、井盖的安装必须符合设计要求,应完整平稳不得损伤检查井几何尺寸应符合设计要求,砌筑砂浆应饱满,抹面平整、坚实,不得有空鼓、裂缝井内流水槽应平顺,支管接入位置准确,井与管口连接应密实、平整,井及支管内不得有杂物允许偏差(mm)混凝土抗压强度符合设计要求砂浆强度井身内尺寸长、宽±20直径±20井底高程±10井框高程符合设计要求基础厚度±10闭水(气)符合设计要求闭水(气)检验质量检验标准规定主控项目污水管道、倒虹吸管,设计要求闭水(气)的其它排水管道必须做闭水(气)试验压力管道的强度试验必须符合设计要求一般项目闭水(气)试验使用的仪表、仪器等必须经过计量检定无压力管道闭水(气)试验时管材和接口应无破损及渗漏无压力管道闭水试验允许偏差倒虹吸管每井段其它管道管径≤700mm每井段其它管道管径>700mm每三井段抽验压力管道试验管段灌满水后,宜在不大于工作压力条件下充分浸泡后进...

1、当您付费下载文档后,您只拥有了使用权限,并不意味着购买了版权,文档只能用于自身使用,不得用于其他商业用途(如 [转卖]进行直接盈利或[编辑后售卖]进行间接盈利)。
2、本站所有内容均由合作方或网友上传,本站不对文档的完整性、权威性及其观点立场正确性做任何保证或承诺!文档内容仅供研究参考,付费前请自行鉴别。
3、如文档内容存在违规,或者侵犯商业秘密、侵犯著作权等,请点击“违规举报”。

碎片内容

排水工程控制要点

您可能关注的文档

确认删除?
VIP
微信客服
  • 扫码咨询
会员Q群
  • 会员专属群点击这里加入QQ群
客服邮箱
回到顶部