电脑桌面
添加小米粒文库到电脑桌面
安装后可以在桌面快捷访问

煤矿在用设备及作业场所安全生产检测检验项目VIP免费

煤矿在用设备及作业场所安全生产检测检验项目_第1页
1/15
煤矿在用设备及作业场所安全生产检测检验项目_第2页
2/15
煤矿在用设备及作业场所安全生产检测检验项目_第3页
3/15
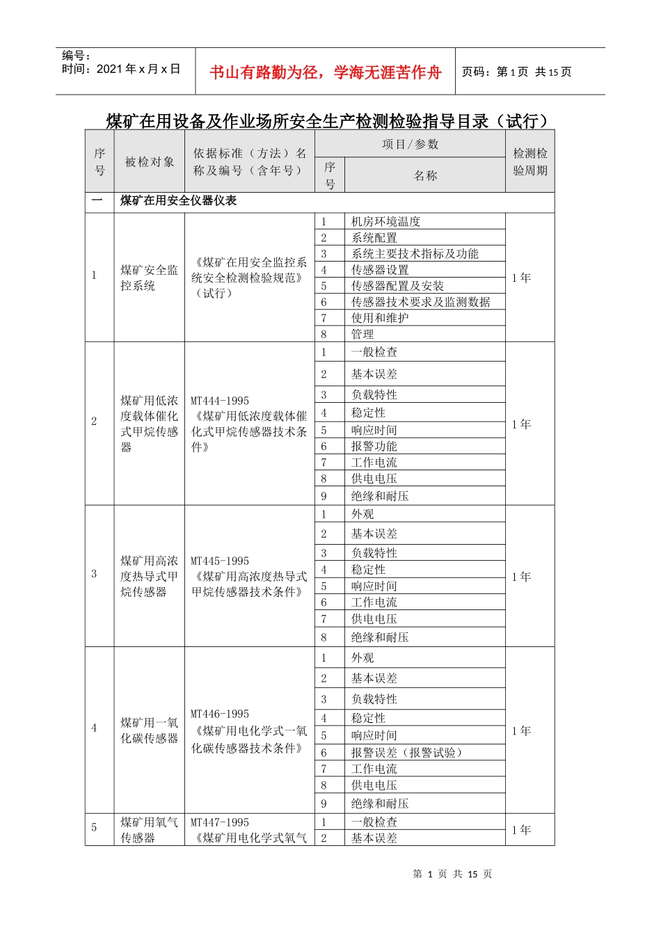
第1页共15页编号:时间:2021年x月x日书山有路勤为径,学海无涯苦作舟页码:第1页共15页煤矿在用设备及作业场所安全生产检测检验指导目录(试行)序号被检对象依据标准(方法)名称及编号(含年号)项目/参数检测检验周期序号名称一煤矿在用安全仪器仪表1煤矿安全监控系统《煤矿在用安全监控系统安全检测检验规范》(试行)1机房环境温度1年2系统配置3系统主要技术指标及功能4传感器设置5传感器配置及安装6传感器技术要求及监测数据7使用和维护8管理2煤矿用低浓度载体催化式甲烷传感器MT444-1995《煤矿用低浓度载体催化式甲烷传感器技术条件》1一般检查1年2基本误差3负载特性4稳定性5响应时间6报警功能7工作电流8供电电压9绝缘和耐压3煤矿用高浓度热导式甲烷传感器MT445-1995《煤矿用高浓度热导式甲烷传感器技术条件》1外观1年2基本误差3负载特性4稳定性5响应时间6工作电流7供电电压8绝缘和耐压4煤矿用一氧化碳传感器MT446-1995《煤矿用电化学式一氧化碳传感器技术条件》1外观1年2基本误差3负载特性4稳定性5响应时间6报警误差(报警试验)7工作电流8供电电压9绝缘和耐压5煤矿用氧气传感器MT447-1995《煤矿用电化学式氧气1一般检查1年2基本误差第2页共15页第1页共15页编号:时间:2021年x月x日书山有路勤为径,学海无涯苦作舟页码:第2页共15页传感器技术条件》3负载能力4稳定性5响应时间6报警功能7工作电流8供电电压9绝缘和耐压6煤矿用温度传感器MT381-1995《煤矿用温度传感器通用技术条件》MT/T782.1-1998《煤矿机电设备温度传感器模拟量信号输出型》MT/T782.2-1998《煤矿机电设备温度传感器开关量信号输出型》1外观1年2结构3供电电压4工作电流5测量范围6绝缘和耐压7基本误差7煤矿用风速传感器MT448-1995《煤矿用超声波旋涡式风速传感器技术条件》1一般检查1年2基本误差3稳定性4工作电流5供电电压6绝缘和耐压8煤矿用差压传感器MT393-1995《矿用差压传感器通用技术条件》1一般检查1年2基本误差3重复性4稳定性5密封性6过载性能7电源波动性8工作电流9供电电压10绝缘和耐压9煤矿用移动式甲烷断电仪MT282-1994《煤矿用移动式甲烷断电仪通用技术条件》1甲烷浓度、电源、报警、断电、故障显示功能检查;防爆外观检查1年2基本误差3响应时间4电源波动性5显示功能第3页共15页第2页共15页编号:时间:2021年x月x日书山有路勤为径,学海无涯苦作舟页码:第3页共15页6报警功能7闭锁和人工解锁功能8自动解锁功能9人工解锁功能10备用电源10煤矿用固定式甲烷断电仪MT283-1994《煤矿用固定式甲烷断电仪通用技术条件》1甲烷浓度、电源、报警、断电、故障显示功能检查;防爆外观检查1年2报警功能3闭锁和人工解锁功能4自动解锁功能5人工解锁功能6备用电源11煤矿用风电甲烷闭锁装置MT631-1996《煤矿用风电甲烷闭锁装置通用技术条件》1一般性检查2功能试验3显示功能4性能试验5高、低浓度转换点试验6风速风量开关试验7报警功能试验8备用电源12便携式热催化甲烷检测报警仪GB13486—2000《便携式热催化甲烷检测报警仪》1外观1年2报警误差3响应时间4工作位置变动5稳定性(不少于9小时)6基本误差7工作时间(不少于9小时)8工作电流9供电电压10声级强度13甲烷氧气两参数检测报警仪GB13486-2000《便携式热催化甲烷检测报警仪》MT704-1997《煤矿用携带型电化学式氧气测定器技术条1外观1年2基本误差3报警误差4响应时间5工作位置变动6工作时间7稳定性第4页共15页第3页共15页编号:时间:2021年x月x日书山有路勤为径,学海无涯苦作舟页码:第4页共15页件》8工作电流9供电电压10声级强度11重复性(仅对氧气检测仪)14煤矿用携带型氧气检测报警仪MT704-1997《煤矿用携带型电化学式氧气测定器技术条件》1外观1年2基本误差3重复性4稳定性5响应时间6报警误差7位置变动8声级强度9工作电流10供电电压15煤矿用一氧化碳检测报警仪MT703-1997《煤矿用便携型电化学式一氧化碳测定器》1外观及通电检查1年2基本误差3报警误差4响应时间5工作电流6供电电压7声级强度8零点及量程漂移(稳定性)16光干涉式甲烷测定器MT28—2005《光干涉式甲烷测定器》1外观1年2基本误差3气密性5稳定性(时间为24小时)6扩散性17煤矿用风速表MT380—1995《...

1、当您付费下载文档后,您只拥有了使用权限,并不意味着购买了版权,文档只能用于自身使用,不得用于其他商业用途(如 [转卖]进行直接盈利或[编辑后售卖]进行间接盈利)。
2、本站所有内容均由合作方或网友上传,本站不对文档的完整性、权威性及其观点立场正确性做任何保证或承诺!文档内容仅供研究参考,付费前请自行鉴别。
3、如文档内容存在违规,或者侵犯商业秘密、侵犯著作权等,请点击“违规举报”。

碎片内容

煤矿在用设备及作业场所安全生产检测检验项目

确认删除?
VIP
微信客服
  • 扫码咨询
会员Q群
  • 会员专属群点击这里加入QQ群
客服邮箱
回到顶部