电脑桌面
添加小米粒文库到电脑桌面
安装后可以在桌面快捷访问

劳动者个人职业健康监护档案VIP免费

劳动者个人职业健康监护档案_第1页
1/39
劳动者个人职业健康监护档案_第2页
2/39
劳动者个人职业健康监护档案_第3页
3/39
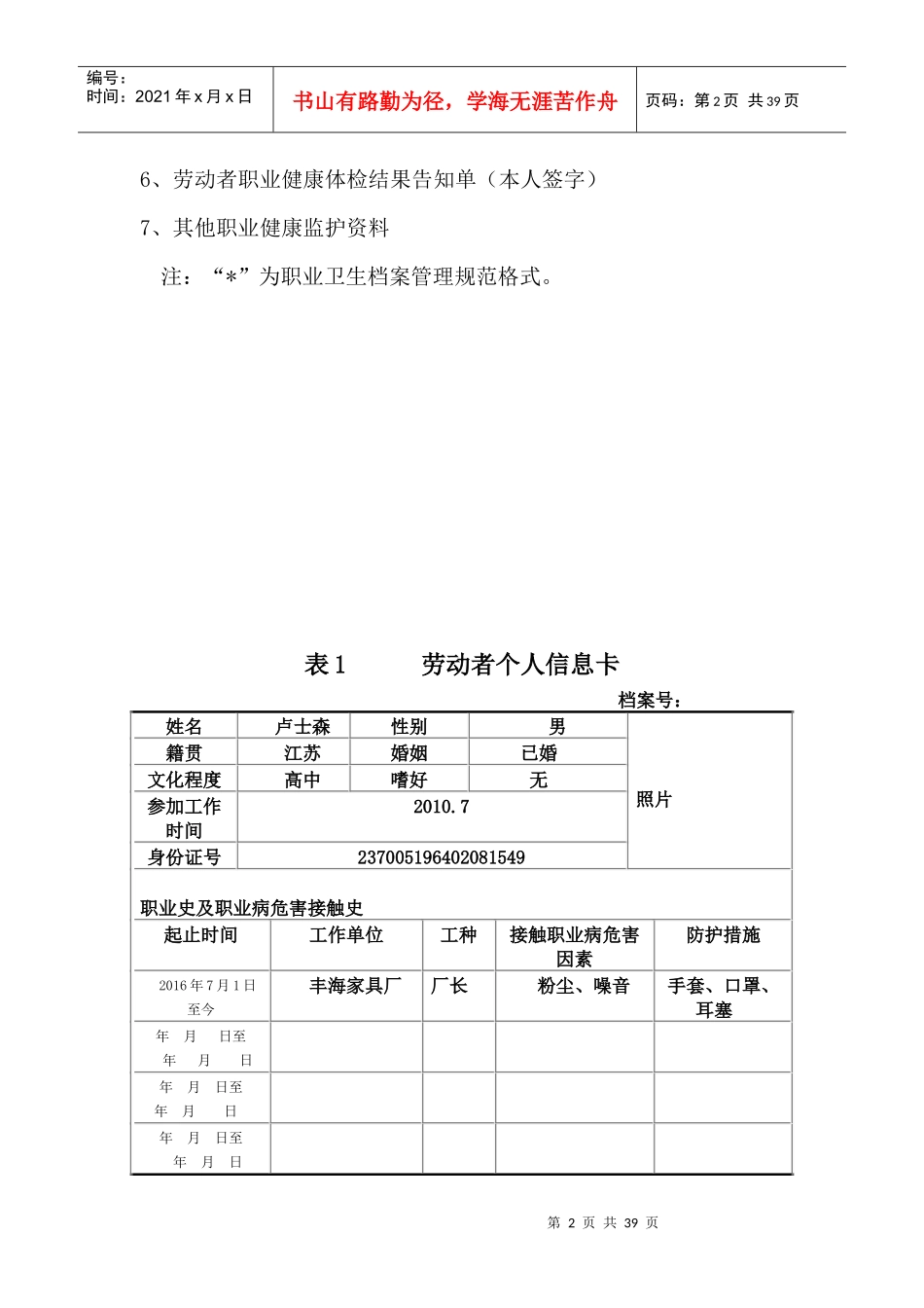
第1页共39页编号:时间:2021年x月x日书山有路勤为径,学海无涯苦作舟页码:第1页共39页档案编号:劳动者个人职业健康监护档案单位:丰海家具厂姓名:卢士森性别:男建档时间:2016.9.22目录1、劳动者个人信息卡(表1)*2、工作场所职业病危害因素检测结果(表2)*3、历次职业健康检查结果及处理情况(表3)*4、历次职业健康体检报告、职业病诊疗等资料5、劳动者本人体检表(一人一档)第2页共39页第1页共39页编号:时间:2021年x月x日书山有路勤为径,学海无涯苦作舟页码:第2页共39页6、劳动者职业健康体检结果告知单(本人签字)7、其他职业健康监护资料注:“*”为职业卫生档案管理规范格式。表1劳动者个人信息卡档案号:姓名卢士森性别男照片籍贯江苏婚姻已婚文化程度高中嗜好无参加工作时间2010.7身份证号237005196402081549职业史及职业病危害接触史起止时间工作单位工种接触职业病危害因素防护措施2016年7月1日至今丰海家具厂厂长粉尘、噪音手套、口罩、耳塞年月日至年月日年月日至年月日年月日至年月日第3页共39页第2页共39页编号:时间:2021年x月x日书山有路勤为径,学海无涯苦作舟页码:第3页共39页既往病史疾病名称诊断时间诊断医院治疗结果备注年月日年月日年月日年月日职业病诊断/鉴定职业病名称诊断/鉴定时间诊断/鉴定机构备注年月日年月日年月日表2工作场所职业病危害因素检测结果劳动者姓名:卢士森档案号:001岗位检测时间检测机构职业病危害因素名称职业病危害因素检测结果防护措施备注厂长2016.9铁力林业医院粉尘、噪音正常手套、口罩、耳塞第4页共39页第3页共39页编号:时间:2021年x月x日书山有路勤为径,学海无涯苦作舟页码:第4页共39页表3历次职业健康检查结果及处理情况劳动者姓名:卢士森档案号:001检查日期检查种类检查结论检查机构岗位人员处理情况本人签字现场处理情况2016.9职业病未见异常铁力林业医院厂长————注:1)检查种类是指上岗前、在岗期间、离岗时、应急、离岗后医学随访、复查、医学观察、职业病诊断等;2)检查结论是指未见异常、复查、疑似职业病、职业禁忌证、其他疾患、职业病等;3)人员处理情况是指调离、暂时脱离工作岗位、复查、医学观察、职业病诊断结果等处理、安置情况及检查、诊断结果;检查结论为未见异常或其他疾患的划“——”;4)现场处理情况是指造成职业损害的作业岗位,现场及个体防护用品整改达标情况,不需整改的可划“——”第5页共39页第4页共39页编号:时间:2021年x月x日书山有路勤为径,学海无涯苦作舟页码:第5页共39页2016年度职业健康检查报告铁力林业医院检字第【2016】023号被检单位丰海家具公司主要职业危害因素噪音、粉尘铁力林业医院体检日期:2016年9月10日报告日期:2016年9月17日联系电话:0458-2288110第6页共39页第5页共39页编号:时间:2021年x月x日书山有路勤为径,学海无涯苦作舟页码:第6页共39页说明1.对本报告有异议的,请于收到之日起十五日内向本单位提出。2.报告不得自行涂改、增删,否则一律无效。3.本报告不得复制,不得作为广告宣传。4.本报告无报告编写人、审核人及批准人签字无效。5.本报告无本单位公章及骑缝章无效。6.体检结果属个人隐私,用人单位应将检查结果单独告知劳动者,不得张榜公布。7.本报告结论只对本次查体有效,不作为其他证明。8.本报告共4页(含封面),报告为一式三份(用人单位、用人单位所在地卫生行政主管部门各一份,职业健康检查机构存档一份)。职业健康检查机构联系方式:1.职业病诊断、体检中心:铁力林业医院办公地址:铁力市联系人:叶女士联系电话:0458-2288110邮政编码:152511第7页共39页第6页共39页编号:时间:2021年x月x日书山有路勤为径,学海无涯苦作舟页码:第7页共39页健康监护查体结果报告报告编号:20160110023委托单位:铁力林业医院用人单位:丰海家具公司主要职业病危害因素名称:噪音,粉尘;体检类别:在职体检体检日期:2016年9月10日体检人数:10人体检地点:铁力林业医院主要职业病危害因素及检查项目:1.噪音,粉尘:症状询问、内科常规检查、血常规、尿常规、血清ALT、心电图、后前位X射线高千伏胸片、肺功能等健康监...

1、当您付费下载文档后,您只拥有了使用权限,并不意味着购买了版权,文档只能用于自身使用,不得用于其他商业用途(如 [转卖]进行直接盈利或[编辑后售卖]进行间接盈利)。
2、本站所有内容均由合作方或网友上传,本站不对文档的完整性、权威性及其观点立场正确性做任何保证或承诺!文档内容仅供研究参考,付费前请自行鉴别。
3、如文档内容存在违规,或者侵犯商业秘密、侵犯著作权等,请点击“违规举报”。

碎片内容

劳动者个人职业健康监护档案

确认删除?
VIP
微信客服
  • 扫码咨询
会员Q群
  • 会员专属群点击这里加入QQ群
客服邮箱
回到顶部