电脑桌面
添加小米粒文库到电脑桌面
安装后可以在桌面快捷访问

四川省工程建设强制性地方标准整合精简结论汇总表VIP免费

四川省工程建设强制性地方标准整合精简结论汇总表_第1页
1/36
四川省工程建设强制性地方标准整合精简结论汇总表_第2页
2/36
四川省工程建设强制性地方标准整合精简结论汇总表_第3页
3/36
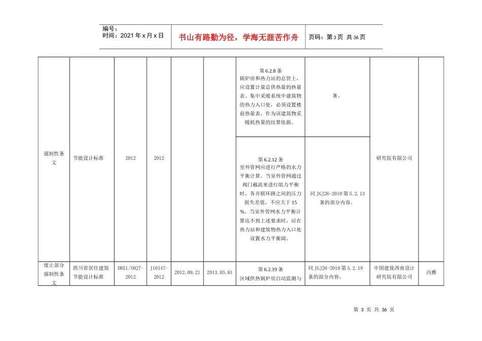
第1页共36页编号:时间:2021年x月x日书山有路勤为径,学海无涯苦作舟页码:第1页共36页表3四川省工程建设强制性地方标准整合精简结论汇总表整合精简结论标准名称标准编号备案号发布日期实施日期强制性条文编号和内容对应的国家、行业标准强制性条文内容主编单位主编人废止部分强制性条文四川省地源热泵系统工程技术实施细则DB51/5067-2010J11538-20102010.02.012010.02.15第4.1.1条地源热泵工程应进行专项勘察;勘察工作应委托具有水文地质(水资源)勘察(查)资质的专业队伍承担,编写专项勘察报告。GB50366第3.1.1条四川省地质工程勘察院钱江澎第5.1.4条地源热泵地下水换热系统必须采取可靠回灌措施,确保置换冷量或热量后的地下水全部回灌到同一含水层,并不得对地下水资源造成浪费和污染。GB50366第5.1.1条四川省住宅建筑通信配套光纤入户工程技术规范DBJ51/004-2012J12008-20122012.03.122012.06.01第4.2.6条通信管道与其它管线及建筑物间的最小净距应符合《通信管道与通道工程设计规范》GB50373中相应要求。GB50373中国建筑西南设计研究院有限公司四川通信科研规划设计有限责任公司熊泽祝第2页共36页第1页共36页编号:时间:2021年x月x日书山有路勤为径,学海无涯苦作舟页码:第2页共36页废止部分强制性条文四川省居住建筑节能设计标准DB51/5027-2012J10147-20122012.09.212013.03.01第6.1.1条集中采暖和(或)空调系统的施工图设计,必须对每一个房间进行热负荷和逐项逐时的冷负荷计算。同JGJ26-2010第5.1.1条。中国建筑西南设计研究院有限公司冯雅第6.1.6条除电力充足和供电政策支持、或者建筑所在地无法利用其他形式的能源外,居住建筑不应采用直接电热采暖.整合JGJ26-2010第5.1.6条及JGJ134-2010第6.0.3条的内容。第6.1.7条集中采暖和(或)空调系统,必须设置分户热计量(分户热量分摊)装置。同JGJ134-2010第6.0.2条的内容。第6.2.3条锅炉的选型,应与当地长期供应的燃料种类相适应。锅炉的设计效率不应低于表6.2.3中规定的限值。同JGJ26-2010第5.2.4条废止部分四川省居住建筑DB51/5027-J10147-2012.09.212013.03.01同JGJ26-2010第5.2.9中国建筑西南设计冯雅第3页共36页第2页共36页编号:时间:2021年x月x日书山有路勤为径,学海无涯苦作舟页码:第3页共36页强制性条文节能设计标准20122012第6.2.8条锅炉房和热力站的总管上,应设置计量总供热量的热量表。集中采暖系统中建筑物的热力入口处,必须设置楼前热量表,作为该建筑物采暖耗热量的结算依据。条。研究院有限公司第6.2.12条室外管网应进行严格的水力平衡计算。当室外管网通过阀门截流来进行阻力平衡时,各并联环路之间的压力损失差值,不应大于15%。当室外管网水力平衡计算达不到上述要求时,应在热力站和建筑物热力入口处设置水力平衡阔。同JGJ26-2010第5.2.13条的部分内容。废止部分强制性条文四川省居住建筑节能设计标准DB51/5027-2012J10147-20122012.09.212013.03.01第6.2.19条区域供热锅炉房自动监测与同JGJ26-2010第5.2.19条的部分内容。中国建筑西南设计研究院有限公司冯雅第4页共36页第3页共36页编号:时间:2021年x月x日书山有路勤为径,学海无涯苦作舟页码:第4页共36页控制系统应具有以下功能:1.应能够全面、及时地了解锅炉的运行状况。2.应能够随时测量室外的温度和整个热网的需求,按照预先设定的程序,通过调节投入燃料量实现锅炉供热量调节,满足整个热网的热量需求,保证供暖质量。3.应能够通过锅炉系统热特性识别和工况优化分析程序,根据前几天的运行参数、室外温度,预测该时段的最佳工况。4.应能够通过对锅炉运行参数的分析,作出及时判断。5.应能够建立各种信息数据库,对运行过程中的各种信息数据进行分析,并应能够根据需要打印各类运行记录,储存历史数据。6.应能够对锅炉房、热力站的动力用电、水泵用电和照明用电应分别计算。废止部分四川省居住建筑DB51/5027-J10147-2012.09.212013.03.01第6.2.20条同JGJ26-2010第5.2.20中国建筑西南设计冯雅第5页共36页第4页共36页编号:时间:2021年x月x日书山有路勤为径,学海无涯苦作舟页码:第5页共36页强制性条文节能设计标准20122012对于未...

1、当您付费下载文档后,您只拥有了使用权限,并不意味着购买了版权,文档只能用于自身使用,不得用于其他商业用途(如 [转卖]进行直接盈利或[编辑后售卖]进行间接盈利)。
2、本站所有内容均由合作方或网友上传,本站不对文档的完整性、权威性及其观点立场正确性做任何保证或承诺!文档内容仅供研究参考,付费前请自行鉴别。
3、如文档内容存在违规,或者侵犯商业秘密、侵犯著作权等,请点击“违规举报”。

碎片内容

四川省工程建设强制性地方标准整合精简结论汇总表

确认删除?
VIP
微信客服
  • 扫码咨询
会员Q群
  • 会员专属群点击这里加入QQ群
客服邮箱
回到顶部