电脑桌面
添加小米粒文库到电脑桌面
安装后可以在桌面快捷访问

压力管道无损检测通用实用工艺VIP免费

压力管道无损检测通用实用工艺_第1页
1/15
压力管道无损检测通用实用工艺_第2页
2/15
压力管道无损检测通用实用工艺_第3页
3/15
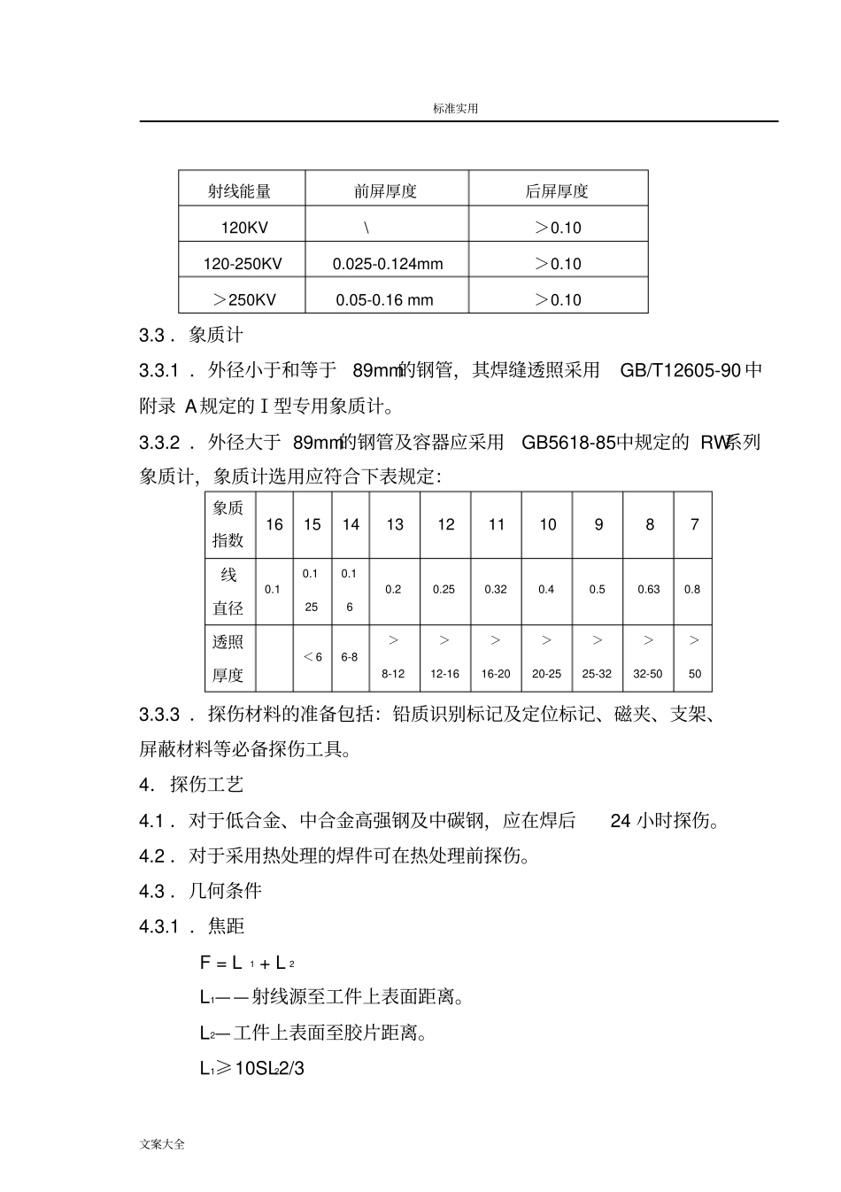
标准实用文案大全目录一.X射线检测工艺⋯⋯⋯⋯⋯⋯⋯⋯⋯⋯⋯⋯⋯⋯⋯⋯1二.超声波检测工艺⋯⋯⋯⋯⋯⋯⋯⋯⋯⋯⋯⋯⋯⋯⋯⋯5三.磁粉检测工艺⋯⋯⋯⋯⋯⋯⋯⋯⋯⋯⋯⋯⋯⋯⋯⋯⋯9四.渗透检测工艺⋯⋯⋯⋯⋯⋯⋯⋯⋯⋯⋯⋯⋯⋯⋯⋯⋯12标准实用文案大全一、X射线检测工艺1.适用范围1.1.本规程旨在为使胶片用工业射线、对焊件的射线透照检测提供统一方法,使射线照相具有符合相应被检件要求和检验技术规范规定的图象质量。1.2.本规程为检查标定提供统一方法,加强检验结果的可追溯性。1.3.本规程不涉及有关焊件或焊缝质量验收。2.引用标准钢管道环缝熔化焊对接接头射线透照工艺和质量分级GB/T12605-90石油天然气钢质管道对接焊缝射线照相及质量分SY4056-933.材料和设备选用3.1.设备选用3.1.1.X射线探伤机应根据被检工件的具体情况而选用XXQ-2005、XXQ-2505或其它性能相近的设备。3.1.2.工件现场不具备220V交流电的情况下,应配备符合探伤机性能参数的发电机。3.2.材料选用3.2.1.射线工业胶片通常选用中等粒度的胶片。3.2.2.增感屏应用铅质增感屏、增感的厚度应符合下表规定。标准实用文案大全射线能量前屏厚度后屏厚度120KV\>0.10120-250KV0.025-0.124mm>0.10>250KV0.05-0.16mm>0.103.3.象质计3.3.1.外径小于和等于89mm的钢管,其焊缝透照采用GB/T12605-90中附录A规定的Ⅰ型专用象质计。3.3.2.外径大于89mm的钢管及容器应采用GB5618-85中规定的RW系列象质计,象质计选用应符合下表规定:象质指数16151413121110987线直径0.10.1250.160.20.250.320.40.50.630.8透照厚度<66-8>8-12>12-16>16-20>20-25>25-32>32-50>503.3.3.探伤材料的准备包括:铅质识别标记及定位标记、磁夹、支架、屏蔽材料等必备探伤工具。4.探伤工艺4.1.对于低合金、中合金高强钢及中碳钢,应在焊后24小时探伤。4.2.对于采用热处理的焊件可在热处理前探伤。4.3.几何条件4.3.1.焦距F=L1+L2L1——射线源至工件上表面距离。L2—工件上表面至胶片距离。L1≥10SL22/3标准实用文案大全S—工件上表面至胶片距离。采用椭圆一次成像时,F≥650mm4.3.2.双壁双投影透照方法偏移的规定。1)水平位移S0=(b+g)L1/L2b——焊缝宽度;g——椭圆间投影间距。2)透照厚度单壁内、外透TA=F+e双壁单影TA=2T+e双壁双影TA=2T+e外径小于或等于89mm钢管焊缝,采用双壁双投影透照时等效厚度为:TA=2T(1+d/D);3)当管外径小于48mm时,偏移的同时应转动机头,以使焊缝位于射线场内。4.4曝光参数的选择4.4.1电压最大值的选择应符合GBT12605-90中图6的规定。4.4.2合适的曝光参数确定应依据具体设备曝光曲线图确定,当实际焦距与曝光曲线图不符时,可按下式计算:T=T×(L1/L2)2L1——制作曝光表面时的焦距;L2——实际焦距4.5分段透照的数量4.5.1采用双壁单投影透照时射线源在钢管外表面的距离,当小于或等于15mm时可不少于3段的透照,即每段中心角1200;当大于15mm时可分为4段的透照,即每段中心角90°。4.5.2对外径大于76mm且小于或等于89mm的钢管,其焊缝以双壁双投影法透照明时,允许椭圆一次成像,但需保证其查出范围不少于周长的90%。标准实用文案大全计算公式如下:L=LI-(L2X4)/L1×100%L——查出范围L1——管外壁周长。L2——底片上不见钢丝区域的一般长度5.管线及工艺管网编号原则5.1编号以介质流向排列5.2片号排序原则:以收弧处为基准,1-2号中心与收弧处重合,片号旋转方向以介质流方向为基准由右手螺旋定则确定。5.3焊工号:应编被检工作实际焊工工号;5.4探伤具体部位及焊口应在探伤部位示意图上注明,以便追溯。6.底片暗室处理6.1暗室处理中应按配方规定配制显影液,要经常搅动胶片,防止压片。6.2显影温度要求显影液18-24℃定影液16-24℃水洗约20℃6.3显影时间要求时间:3-7min定影时间≥15min水洗时间≥30min水洗后,让底片自然干燥或烘干。7记录及表格X射线探伤报告标准实用文案大全二、超声波检测工艺1.适用范围本工艺标准适用于工业及民用建筑安装工程中的管道环向对接焊缝的超声波探伤与评级。2.引用标准压力容器无损检测JB4703-94钢焊缝手工超声波探伤方法和探伤结果分级JB11345-90...

1、当您付费下载文档后,您只拥有了使用权限,并不意味着购买了版权,文档只能用于自身使用,不得用于其他商业用途(如 [转卖]进行直接盈利或[编辑后售卖]进行间接盈利)。
2、本站所有内容均由合作方或网友上传,本站不对文档的完整性、权威性及其观点立场正确性做任何保证或承诺!文档内容仅供研究参考,付费前请自行鉴别。
3、如文档内容存在违规,或者侵犯商业秘密、侵犯著作权等,请点击“违规举报”。

碎片内容

压力管道无损检测通用实用工艺

文库当当响+ 关注
实名认证
内容提供者

该用户很懒,什么也没介绍

确认删除?
VIP
微信客服
  • 扫码咨询
会员Q群
  • 会员专属群点击这里加入QQ群
客服邮箱
回到顶部