电脑桌面
添加小米粒文库到电脑桌面
安装后可以在桌面快捷访问

高三强化训练VIP免费

高三强化训练_第1页
1/8
高三强化训练_第2页
2/8
高三强化训练_第3页
3/8
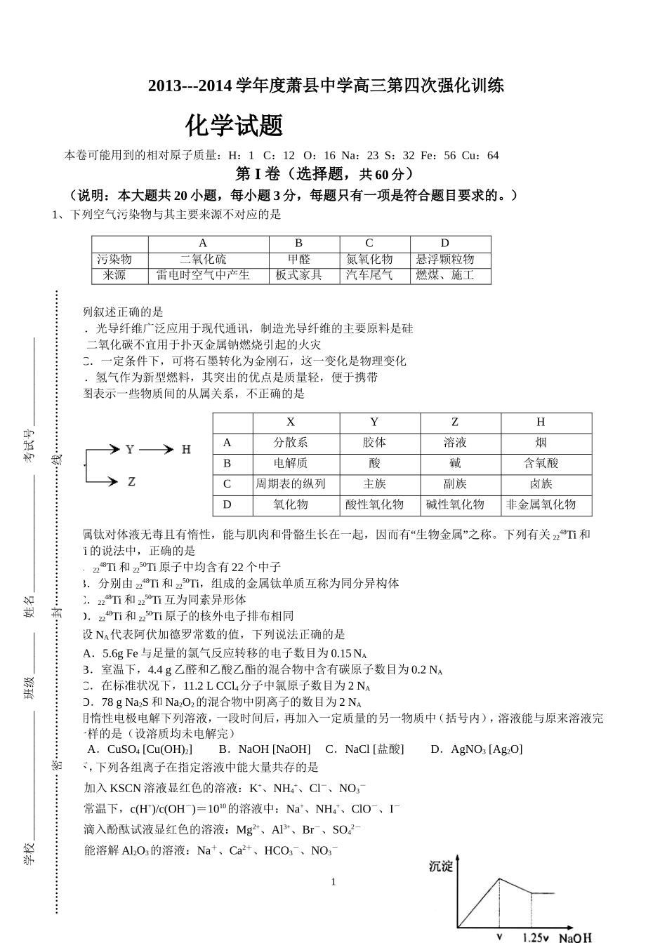
2013---2014学年度萧县中学高三第四次强化训练化学试题本卷可能用到的相对原子质量:H:1C:12O:16Na:23S:32Fe:56Cu:64第I卷(选择题,共60分)(说明:本大题共20小题,每小题3分,每题只有一项是符合题目要求的。)1、下列空气污染物与其主要来源不对应的是2、下列叙述正确的是A.光导纤维广泛应用于现代通讯,制造光导纤维的主要原料是硅B.二氧化碳不宜用于扑灭金属钠燃烧引起的火灾C.一定条件下,可将石墨转化为金刚石,这一变化是物理变化D.氢气作为新型燃料,其突出的优点是质量轻,便于携带3、下图表示一些物质间的从属关系,不正确的是4、金属钛对体液无毒且有惰性,能与肌肉和骨骼生长在一起,因而有“生物金属”之称。下列有关2248Ti和2250Ti的说法中,正确的是A.2248Ti和2250Ti原子中均含有22个中子B.分别由2248Ti和2250Ti,组成的金属钛单质互称为同分异构体C.2248Ti和2250Ti互为同素异形体D.2248Ti和2250Ti原子的核外电子排布相同5、设NA代表阿伏加德罗常数的值,下列说法正确的是A.5.6gFe与足量的氯气反应转移的电子数目为0.15NAB.室温下,4.4g乙醛和乙酸乙酯的混合物中含有碳原子数目为0.2NAC.在标准状况下,11.2LCCl4分子中氯原子数目为2NAD.78gNa2S和Na2O2的混合物中阴离子的数目为2NA6、用惰性电极电解下列溶液,一段时间后,再加入一定质量的另一物质中(括号内),溶液能与原来溶液完全一样的是(设溶质均未电解完)A.CuSO4[Cu(OH)2]B.NaOH[NaOH]C.NaCl[盐酸]D.AgNO3[Ag2O]7、常温下,下列各组离子在指定溶液中能大量共存的是A.加入KSCN溶液显红色的溶液:K+、NH4+、Cl-、NO3-B.常温下,c(H+)/c(OH-)=1010的溶液中:Na+、NH4+、ClO-、I-C.滴入酚酞试液显红色的溶液:Mg2+、Al3+、Br-、SO42-D.能溶解Al2O3的溶液:Na+、Ca2+、HCO3-、NO3-ABCD污染物二氧化硫甲醛氮氧化物悬浮颗粒物来源雷电时空气中产生板式家具汽车尾气燃煤、施工XYZHA分散系胶体溶液烟B电解质酸碱含氧酸C周期表的纵列主族副族卤族D氧化物酸性氧化物碱性氧化物非金属氧化物1学校______________________班级_______姓名____________________考试号_______________………………………………密………………………………封………………………………线……………………………………8、有MgCl2、Al2(SO4)3的混合溶液,向其中不断加入NaOH溶液,得到的沉淀的物质的量与加入的NaOH溶液的体积关系如图所示,则溶液中C(Cl-)与C(SO42-)之比为A.11∶B.23∶C.32∶D.21∶9、W、X、Y、Z均为短周期元素,X的最外层电子数与核外电子总数之比为717∶;X与W同主族;Y的原子序数是W和X的原子序数之和的一半;含Z元素的物质焰色反应为黄色。下列判断正确的是A.元素的电负性:X>WB.氢化物水溶液的酸性:W>XC.元素的第一电离能:Z>Y>XD.原子半径:Z>Y>X10、下列物质的除杂方法中,合理的是①SO2中混有的SO3杂质可以让混合气体通过浓硫酸除去;②K2CO3中混有的少量NaHCO3,可以用加热的方法除去;③乙烯中混有的SO2气体可以通过溴水除去;④金属铜中含有的少量银和锌可以通过电解精炼的方法除去;⑤KNO3中含有的少量NaCl可以通过重结晶的方法除去。A.①②④B.①④⑤C.①②④⑤D.①②③④⑤11、短周期元素X、Y、Z、W、Q在元素周期表中的相对位置如右图所示。下列说法正确的是A.元素X与元素Z的最高正化合价之和的数值等于8B.元素Y、W的气态氢化物的稳定性,前者比后者差C.离子Y2-和Z3+的离子半径,后者比前者大D.元素W的最高价氧化物对应的水化物酸性比Q的强12、瘦肉精学名盐酸克伦特罗,白色或类白色的结晶粉末,无臭、味苦,熔点161℃,溶于水、乙醇,微溶于丙酮,不溶于乙醚。已知其结构简式如下图,有关瘦肉精的说法不正确的是A.化学式为C12H18ON2Cl2B.可以发生取代、加成、水解、酯化、消去反应C.属于芳香族化合物D.遇FeCl3溶液发生显色反应13、关于下列各装置图的叙述中,正确的是2①②③④A.实验室用装置①制取氨气B.装置②中X若为四氯化碳,可用于吸收氨气,并防止倒吸C.装置③可用于制备氢氧化亚铁并观察其颜色D.装置④是原电池,锌电极为负极,...

1、当您付费下载文档后,您只拥有了使用权限,并不意味着购买了版权,文档只能用于自身使用,不得用于其他商业用途(如 [转卖]进行直接盈利或[编辑后售卖]进行间接盈利)。
2、本站所有内容均由合作方或网友上传,本站不对文档的完整性、权威性及其观点立场正确性做任何保证或承诺!文档内容仅供研究参考,付费前请自行鉴别。
3、如文档内容存在违规,或者侵犯商业秘密、侵犯著作权等,请点击“违规举报”。

碎片内容

高三强化训练

精品文库+ 关注
实名认证
内容提供者

小学学习各类资料大全

确认删除?
VIP
微信客服
  • 扫码咨询
会员Q群
  • 会员专属群点击这里加入QQ群
客服邮箱
回到顶部