电脑桌面
添加小米粒文库到电脑桌面
安装后可以在桌面快捷访问

钢筋直螺纹连接施工技术交底VIP免费

钢筋直螺纹连接施工技术交底_第1页
1/4
钢筋直螺纹连接施工技术交底_第2页
2/4
钢筋直螺纹连接施工技术交底_第3页
3/4
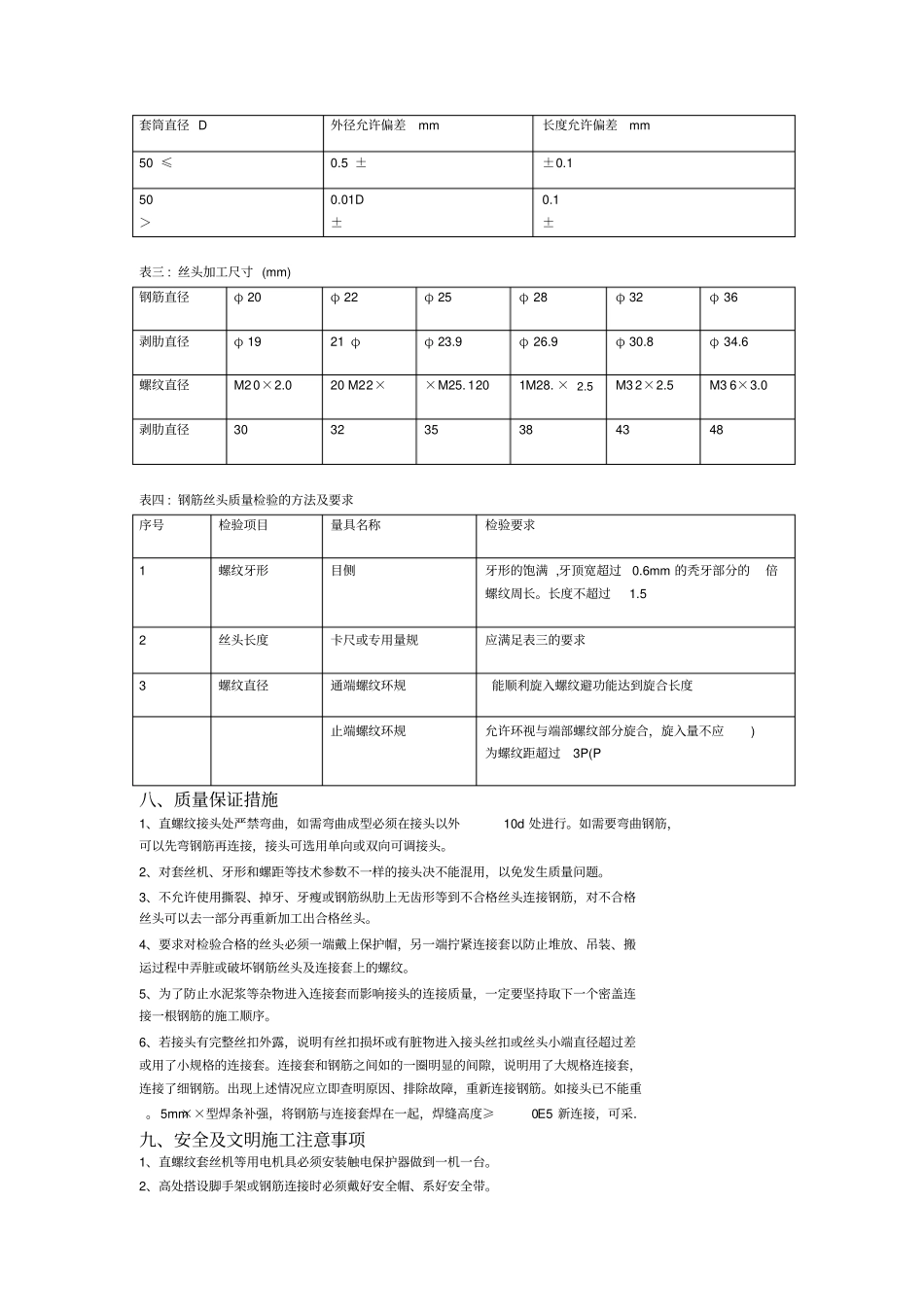
直螺纹连接施工技术交底一、编制依据1、国家行业标准《钢筋机械连接通用技术规程》(JGJ107—2003)。2、供货厂家提供的《剥肋滚压直螺纹钢筋连接技术资料》。3、《金印现代城B区施工图纸》的相关内容。二、应用范围为保证式程质量进度,我公司特编制《剥肋滚压直螺纹钢筋连接指导书》,本指导书依据设计施工图纸,现行的规范规定及相关技术资料,详细的阐述了此项工程的施工工艺。本工艺主要适用于直径20—32的HRB335、HRB400级梁柱、剪力墙钢筋及在特殊部位要求的钢筋。本指导书适用于郑州金印现代城中由河南二建承建的所有单位工程。三、施工准备1、参加剥肋滚压直螺纹钢筋连接施工的操作人员必须经过技术培训,并经考核合格后持证上岗。2、所有钢筋必须有出厂合格证及复验报告,套筒应有出厂合格证,两端应有保护盖,套筒表面应有规格标记,进场时质检员应复检合格后方可用到工程上,钢筋直螺纹加工必须有检验记录。3、供货厂方必须提供有效的《钢筋直螺纹接头型式检验报告》。4、供货厂方必须提供与施工相配套的牙形规、卡规(或环规)和塞规。5、钢筋先调直再下料,切口端面与钢筋轴线垂直,不得有马蹄形或挠曲,不得用气割下料。6、钢筋下料必须符合下列规定:(1)由于设计或施工的需要,有时接头位置无法避开梁端,柱端的箍筋加密区(例如短柱全长均为钢箍筋加密区等),则可根据经验适当放宽,在该处设置接头,但应限制接头钢筋面积百分率不超过50%。(2)接头端口距钢筋受弯点不得小于钢筋直径的10倍长度。(3)钢筋连接套的砼保护层厚度应满足《混凝土结构设计规范》中受力钢筋砼保护层最小厚度的要求,且不得小于15mm,连接套之间的横向净距不宜小于25mm。四、钢筋剥肋滚压直螺纹加工:1、钢筋应先调直再加工,切口端面宜与钢筋轴线垂直,端头弯曲、马蹄严重的应切去。2、按钢筋规格所对应的对刀棒调整好剥肋刀具的位置以及调整剥肋挡块及滚压行程开关位置。保证剥肋段的直径及滚压螺纹的长度符合表一的规定。表一:标准型套筒的几何尺寸(mm)规格螺纹直径套筒外径套筒长度20.002×2295522222×.03160251.×2.5.25356528228.1×.54170325223×.46803605290363×.3、加工丝头时,应采用水溶性切削液,当气温低于0oc时,应掺入15~20%亚硝酸液,严禁用机油作切削液或不加切削液加工丝头。.4、操作工人应按附录中的要求检查丝头的加工质量。每加工10个丝头用通、止环规检查一次,并剔除不合格丝头。5、经自检合格的丝头,应由质检员随机抽样进行检验,以一个工作班内生产的丝头为一个验收批,随机抽检10%,且不得少于10个。当合格率小于95%,应加倍抽检,复检中合格率仍小于95%,应对全部钢筋丝头逐个进行检验,并切去不合格丝头,查明原因并解决后重新加工螺纹。6、检验合格的丝头应加以保护,在其端头加带保护帽或用套筒拧紧,按规格分数堆放整齐。五、钢筋连接1、连接钢筋时,钢筋规格和套筒的规格必须一致,钢筋和套筒的丝扣应干净、完好无损。2、采用预埋接头时,连接套的位置、规格和数量应符合设计要求。带连接套筒的钢筋应固定牢,连接套筒的外露端应有保护盖。在框架顶层钢筋及基础。端头钢筋带有较长弯钩的易采用正反丝套筒,以便于钢筋正确连接就应。3、滚压直螺纹接头的连接,宜用把手长度不小于45cm的管钳拧紧,使钢筋丝头在套管中央位置相互顶紧。4、标准型钢筋接头连接完毕后,套筒每端外露的完整丝扣数不宜超过1.5扣。加长型套筒外露的完整丝扣不受限制。六、现场检验及验收1、工程中应用滚压直螺纹接头时,技术提供单位提交有效的型式检验报告。2、钢筋连接作业开始前及施工过程中,应对每批进场钢筋接头连接工艺检验,工艺检验应符合下列要求:每种规格钢筋的接头试件不应少于三根。○1接头试件的钢筋母材应进行抗拉强度试验。○2三根接头试件的抗拉强度均不小于该级别钢筋抗拉强度的标准值,同时尚应不小于0.9倍○3钢筋母材的实际抗拉强度。计算钢筋实际抗拉强度时,应采用钢筋的实际横霸截面面积。3现场检验应进行外观质量检查和向拉伸强度试验。对接头有特殊要求的结构,应在设计图纸中另行注明相应的检验项目。4、剥肋滚压直螺纹接头的...

1、当您付费下载文档后,您只拥有了使用权限,并不意味着购买了版权,文档只能用于自身使用,不得用于其他商业用途(如 [转卖]进行直接盈利或[编辑后售卖]进行间接盈利)。
2、本站所有内容均由合作方或网友上传,本站不对文档的完整性、权威性及其观点立场正确性做任何保证或承诺!文档内容仅供研究参考,付费前请自行鉴别。
3、如文档内容存在违规,或者侵犯商业秘密、侵犯著作权等,请点击“违规举报”。

碎片内容

钢筋直螺纹连接施工技术交底

您可能关注的文档

确认删除?
VIP
微信客服
  • 扫码咨询
会员Q群
  • 会员专属群点击这里加入QQ群
客服邮箱
回到顶部