电脑桌面
添加小米粒文库到电脑桌面
安装后可以在桌面快捷访问

员工奖惩管理标准VIP免费

员工奖惩管理标准_第1页
1/9
员工奖惩管理标准_第2页
2/9
员工奖惩管理标准_第3页
3/9
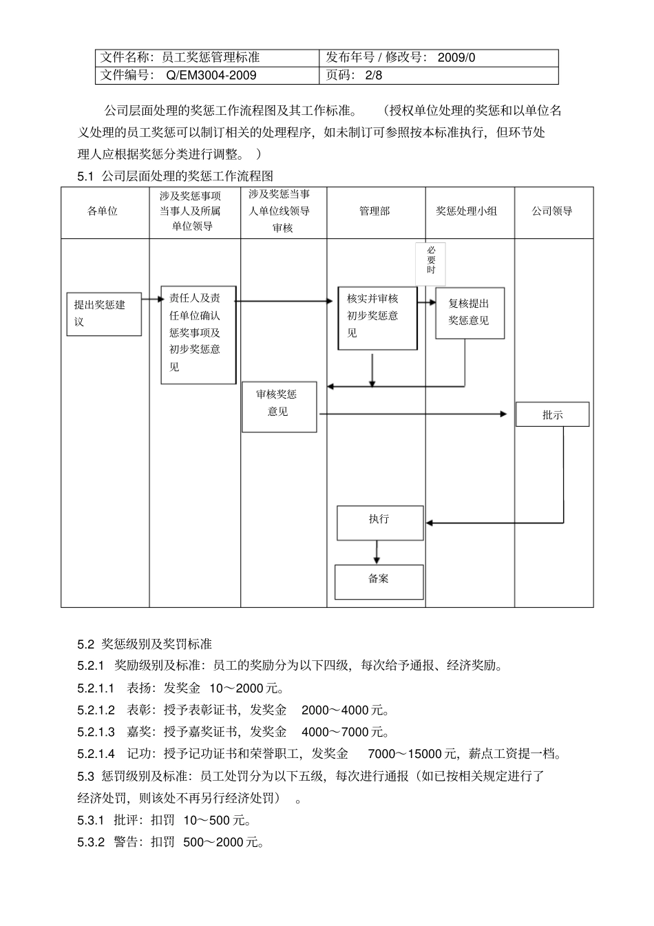
Q/EM3004-2009员工奖惩管理标准1目的文件名称:员工奖惩管理标准发布年号/修改号:2009/0文件编号:Q/EM3004-2009页码:1/8为激励和调动公司员工的工作积极性,规范和约束员工工作行为,规范公司的奖惩管理,特制定本标准。2范围2.1本标准适用于与公司建立正式劳动关系员工的奖惩。2.2员工涉及到奖惩事项,公司相关标准有明确规定的按相关标准处理,无相关规定的参照本标准处理。3定义3.1公司奖惩分为两类:以公司名义处理的员工奖惩和以单位名义处理的员工奖惩。3.2以公司名义处理的员工奖惩包含:公司层面处理的员工奖惩、职能授权单位以公司名义(以下简称授权单位)处理的员工奖惩。3.3以单位名义处理的员工奖惩:指各单位对内部员工进行的奖惩。4职责与权限4.1各单位和员工对涉及奖惩事项的当事人提出奖惩建议。4.2以公司名义处理的员工奖惩职责和权限:4.2.1公司层面处理的员工奖惩事项职责和权限:4.2.1.1管理部负责接收公司层面处理的奖惩材料,组织成立奖惩处理小组;建立公司层面奖惩台账,并执行处理结果。4.2.1.2奖惩处理小组由党委、纪委、工会、分管管理部的线领导、涉及奖惩事项人员单位线领导、管理部及提出奖惩事项单位相关人员组成,负责进行复核并受理申诉。4.2.2授权单位处理的员工奖惩事项职责和权限:4.2.2.1授权单位负责组织处理职能授权范围内的奖惩事项,建立授权单位处理的员工奖惩台账,经济考核或奖励报管理部执行、备案。(授权单位处理的员工奖惩只处理到表扬、批评奖惩级别事项,表扬、批评奖惩级别以上的事项提交到公司层面处理)。4.2.3以公司名义处理的员工经济处罚,考核金额进公司账户。4.3以单位名义处理的员工奖惩事项职责和权限:4.3.1各单位负责处理本单位内部员工的奖惩事项,建立本单位名义处理的员工奖惩台账,经济考核或奖励报管理部执行、备案。(以单位名义处理的员工奖惩只处理到表扬、批评奖惩级别事项,表扬、批评奖惩级别以上的事项提交到公司层面处理)。4.3.2以单位名义处理的员工经济处罚,考核金额由各单位用于单位内部员工奖励。4.4相关单位负责配合奖惩事项核查。5工作程序文件名称:员工奖惩管理标准发布年号/修改号:2009/0文件编号:Q/EM3004-2009页码:2/8公司层面处理的奖惩工作流程图及其工作标准。(授权单位处理的奖惩和以单位名义处理的员工奖惩可以制订相关的处理程序,如未制订可参照按本标准执行,但环节处理人应根据奖惩分类进行调整。)5.1公司层面处理的奖惩工作流程图各单位涉及奖惩事项当事人及所属单位领导涉及奖惩当事人单位线领导审核管理部奖惩处理小组公司领导5.2奖惩级别及奖罚标准5.2.1奖励级别及标准:员工的奖励分为以下四级,每次给予通报、经济奖励。5.2.1.1表扬:发奖金10~2000元。5.2.1.2表彰:授予表彰证书,发奖金2000~4000元。5.2.1.3嘉奖:授予嘉奖证书,发奖金4000~7000元。5.2.1.4记功:授予记功证书和荣誉职工,发奖金7000~15000元,薪点工资提一档。5.3惩罚级别及标准:员工处罚分为以下五级,每次进行通报(如已按相关规定进行了经济处罚,则该处不再另行经济处罚)。5.3.1批评:扣罚10~500元。5.3.2警告:扣罚500~2000元。提出奖惩建议责任人及责任单位确认惩奖事项及初步奖惩意见复核提出奖惩意见批示备案执行核实并审核初步奖惩意见审核奖惩意见必要时文件名称:员工奖惩管理标准发布年号/修改号:2009/0文件编号:Q/EM3004-2009页码:3/85.3.3记过:扣罚2000~7000元。5.3.4解除劳动合同。5.3.5员工行为具有违法违纪行为,移交司法机关依法处理。5.5奖励细则5.5.1有下列事实的,给予表扬:5.5.1.1赢得荣誉:参加各种劳动竞赛技能优秀,或工作业绩突出等获得集团级及以上荣誉者。5.5.1.2工作创新:工作中勇于创新,及时解决技术、质量、管理中存在的焦点和难点问题,得到员工及领导的好评。5.5.1.3业绩品德:拾金不昧,见义勇为,工作业绩优秀,有较强奉献精神或具有其他优秀品德,可树为榜样的。5.5.1.4特殊任务:勇于承担并完成特殊或紧急任务表现优秀者。5.5.1.5事件应急:在抢险救灾或遇突发事件中能妥善处理,防止或挽救集体财产损失和人员伤亡,表现优秀。5.5.1.6...

1、当您付费下载文档后,您只拥有了使用权限,并不意味着购买了版权,文档只能用于自身使用,不得用于其他商业用途(如 [转卖]进行直接盈利或[编辑后售卖]进行间接盈利)。
2、本站所有内容均由合作方或网友上传,本站不对文档的完整性、权威性及其观点立场正确性做任何保证或承诺!文档内容仅供研究参考,付费前请自行鉴别。
3、如文档内容存在违规,或者侵犯商业秘密、侵犯著作权等,请点击“违规举报”。

碎片内容

员工奖惩管理标准

确认删除?
VIP
微信客服
  • 扫码咨询
会员Q群
  • 会员专属群点击这里加入QQ群
客服邮箱
回到顶部