电脑桌面
添加小米粒文库到电脑桌面
安装后可以在桌面快捷访问

塔吊周检月检记录表VIP免费

塔吊周检月检记录表_第1页
1/3
塔吊周检月检记录表_第2页
2/3
塔吊周检月检记录表_第3页
3/3
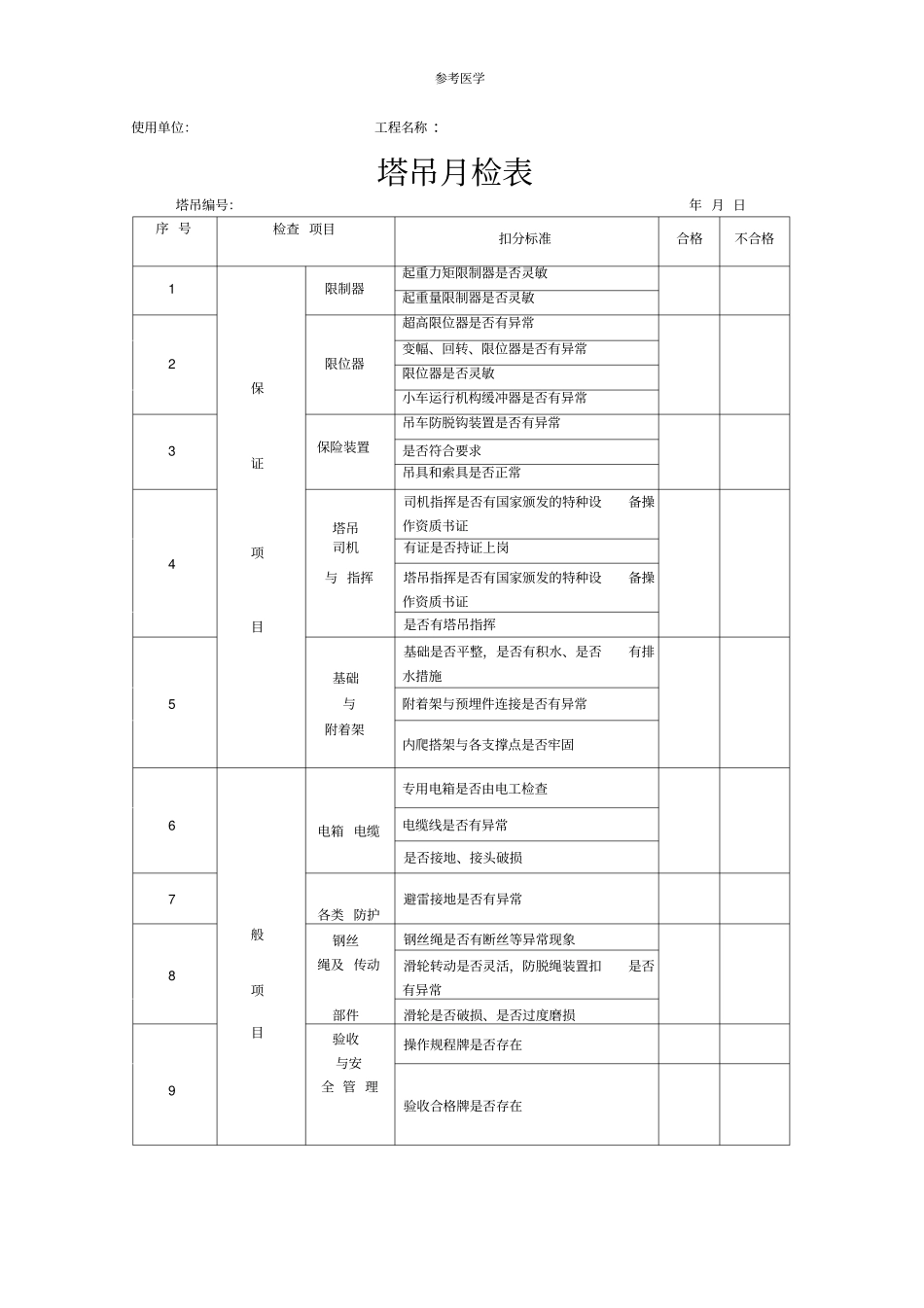
参考医学使用单位:工程名称:塔吊周检表塔吊编号:年月日序号检查项目扣分标准合格不合格1限制器起重力矩限制器是否灵敏起重量限制器是否灵敏超高限位器是否有异常2限位器变幅、回转、限位器是否有异常保限位器是否灵敏小车运行机构缓冲器是否有异常吊车防脱钩装置是否有异常3证保险装置是否符合要求吊具和索具是否正常项塔吊司机指挥是否有国家颁发的特种设备操作资质书证4司机有证是否持证上岗目与指挥塔吊指挥是否有国家颁发的特种设备操作资质书证是否有塔吊指挥基础基础是否平整,是否有积水、是否有排水措施5与附着架与预埋件连接是否有异常附着架内爬搭架与各支撑点是否牢固电箱电缆专用电箱是否由电工检查6电缆线是否有异常是否接地、接头破损7各类防护避雷接地是否有异常般钢丝钢丝绳是否有断丝等异常现象8项绳及传动滑轮转动是否灵活,防脱绳装置扣是否有异常目部件滑轮是否破损、是否过度磨损验收与安全管理操作规程牌是否存在9验收合格牌是否存在参考医学使用单位:工程名称:塔吊月检表塔吊编号:年月日序号检查项目扣分标准合格不合格1限制器起重力矩限制器是否灵敏起重量限制器是否灵敏超高限位器是否有异常2限位器变幅、回转、限位器是否有异常保限位器是否灵敏小车运行机构缓冲器是否有异常吊车防脱钩装置是否有异常3证保险装置是否符合要求吊具和索具是否正常项塔吊司机指挥是否有国家颁发的特种设备操作资质书证4司机有证是否持证上岗目与指挥塔吊指挥是否有国家颁发的特种设备操作资质书证是否有塔吊指挥基础基础是否平整,是否有积水、是否有排水措施5与附着架与预埋件连接是否有异常附着架内爬搭架与各支撑点是否牢固电箱电缆专用电箱是否由电工检查6电缆线是否有异常是否接地、接头破损7各类防护避雷接地是否有异常般钢丝钢丝绳是否有断丝等异常现象8项绳及传动滑轮转动是否灵活,防脱绳装置扣是否有异常目部件滑轮是否破损、是否过度磨损验收与安全管理操作规程牌是否存在9验收合格牌是否存在参考医学(注:表格素材和资料部分来自网络,供参考。只是收取少量整理收集费用,请预览后才下载,期待你的好评与关注)

1、当您付费下载文档后,您只拥有了使用权限,并不意味着购买了版权,文档只能用于自身使用,不得用于其他商业用途(如 [转卖]进行直接盈利或[编辑后售卖]进行间接盈利)。
2、本站所有内容均由合作方或网友上传,本站不对文档的完整性、权威性及其观点立场正确性做任何保证或承诺!文档内容仅供研究参考,付费前请自行鉴别。
3、如文档内容存在违规,或者侵犯商业秘密、侵犯著作权等,请点击“违规举报”。

碎片内容

塔吊周检月检记录表

您可能关注的文档

确认删除?
VIP
微信客服
  • 扫码咨询
会员Q群
  • 会员专属群点击这里加入QQ群
客服邮箱
回到顶部