电脑桌面
添加小米粒文库到电脑桌面
安装后可以在桌面快捷访问

大型工装设计合同VIP免费

大型工装设计合同_第1页
1/5
大型工装设计合同_第2页
2/5
大型工装设计合同_第3页
3/5
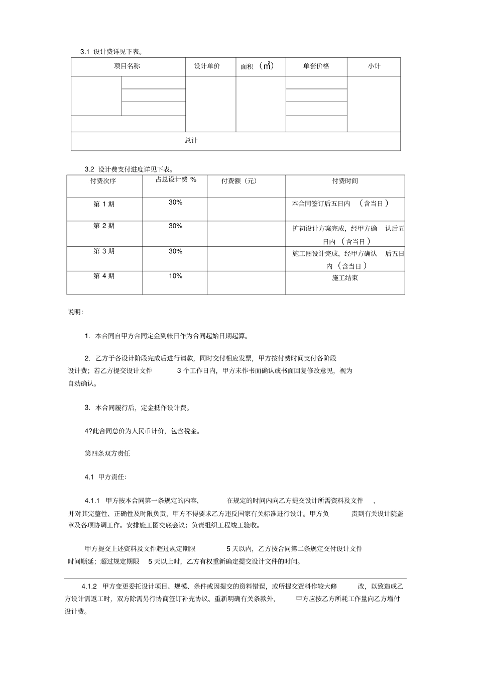
建设装饰工程设计合同发包人:(甲方)设计人:(乙方)依据《中华人民共和国合同法》及相关法律法规,甲乙双方在平等自愿,协商一致的基础上,就甲方委托乙方承担______________________________________________________________________室内装饰设计的有关事宜,达成以下协议,并签订本合同。冃U言鉴于甲方的本设计项目由甲方(全称)____________________________________具体实施,为此由甲方对本项目设计进行全面实施指导、督促、确认、签收。甲方指定______________________先生/小姐为本设计项目之甲方代表。甲方表示同意。为有利本项目设计工作顺利实施,乙方委派___________________先生/小姐为本项目负责人,负责与甲方人员的沟通、协调工作。第一条本合同设计项目的内容乙方根据甲方提供的建筑资料,完成本项目设计(方案至施工图)。项目名称及面积:甲方应向乙方提交的有关资料及文件:序号资料及文件名称份数内容提交时间1设计任务书1包含此次设计工作的范围、内容、时间及成果要求2相关建筑施工图纸1建筑图纸(土建图纸、结构图、电气图、给排水、空调图以及其他相关图纸),电子文件及书面文件第二条乙方应向甲方交付的设计资料及文件:2.1成果要求:分类序号图纸名称图幅比例备注概念设计1平面设计家具布置图A32装修风格意向图片A3方案深化设计1平面设计调整家具布置图A323D/手绘效果图及定稿装修风格意向图片A33材料说明A3扩初设计1平面布置图A32天花及灯位布置图A33地面铺装图A34主要空间立面图A35主要空间效果图A317主要材料配置表(文字、照片)A3施工图设计1设计说明A32平面布置图A33天花及灯位布置图A34开关、插座及网络端口布置图A35地面铺装(材料说明、尺寸)A36各空间立面图A39设计节点大样A310材料配置表(文字、照片)A3注:以上设计成果均提供文本文件2份(A3彩图)及电子文件一份。22时间要求分类序号工作阶段时间安排备注概念设计1设计时间10天根据甲方《设计任务书》进行设计2汇报时间方案深化设计1设计时间15天根据甲方书面确认后的概念设计进行深化2汇报时间扩初设计1设计时间9天根据甲方书面确认后的方案设计进行深化2交图时间施工图设计1设计时间25天根据甲方书面确认后的方案设计进行深化2现场交底乙方需派人员到现场与施工队交底施工阶段1现场协调硬装完工第三条本合同设计收费为人民币__________________________(RMB_________元)详见如下:3.1设计费详见下表。项目名称设计单价面积(m2)单套价格小计总计3.2设计费支付进度详见下表。付费次序占总设计费%付费额(元)付费时间第1期30%本合同签订后五日内(含当日)第2期30%扩初设计方案完成,经甲方确认后五日内(含当日)第3期30%施工图设计完成,经甲方确认后五日内(含当日)第4期10%施工结束说明:1.本合同自甲方合同定金到帐日作为合同起始日期起算。2.乙方于各设计阶段完成后进行请款,同时交付相应发票,甲方按付费时间支付各阶段设计费;若乙方提交设计文件3个工作日内,甲方未作书面确认或书面回复修改意见,视为自动确认。3.本合同履行后,定金抵作设计费。4?此合同总价为人民币计价,包含税金。第四条双方责任4.1甲方责任:4.1.1甲方按本合同第一条规定的内容,在规定的时问内向乙方提交设计所需资料及文件,并对其完整性、正确性及时限负责,甲方不得要求乙方违反国家有关标准进行设计。甲方负责到有关设计院盖章及各项协调工作。安排施工图交底会议;负责组织工程竣工验收。甲方提交上述资料及文件超过规定期限5天以内,乙方按合同第二条规定交付设计文件时间顺延;超过规定期限5天以上时,乙方有权重新确定提交设计文件的时问。4.1.2甲方变更委托设计项目、规模、条件或因提交的资料错误,或所提交资料作较大修改,以致造成乙方设计需返工时,双方除需另行协商签订补充协议、重新明确有关条款外,甲方应按乙方所耗工作量向乙方增付设计费。4.1.3甲方要求乙方比合同规定时间提前交付设计资料及文件时,如果乙方能够做到,甲方应根据乙方提前投入的工作量,向乙方支付赶工费。4.2乙方责任:4.2.1乙方应按国家技术规范、标准、规程及甲方提出的设计要求,进行设计,并对其负责...

1、当您付费下载文档后,您只拥有了使用权限,并不意味着购买了版权,文档只能用于自身使用,不得用于其他商业用途(如 [转卖]进行直接盈利或[编辑后售卖]进行间接盈利)。
2、本站所有内容均由合作方或网友上传,本站不对文档的完整性、权威性及其观点立场正确性做任何保证或承诺!文档内容仅供研究参考,付费前请自行鉴别。
3、如文档内容存在违规,或者侵犯商业秘密、侵犯著作权等,请点击“违规举报”。

碎片内容

大型工装设计合同

您可能关注的文档

确认删除?
VIP
微信客服
  • 扫码咨询
会员Q群
  • 会员专属群点击这里加入QQ群
客服邮箱
回到顶部