电脑桌面
添加小米粒文库到电脑桌面
安装后可以在桌面快捷访问

太阳能光伏发电专业技术期末试卷及答案VIP免费

太阳能光伏发电专业技术期末试卷及答案_第1页
1/6
太阳能光伏发电专业技术期末试卷及答案_第2页
2/6
太阳能光伏发电专业技术期末试卷及答案_第3页
3/6
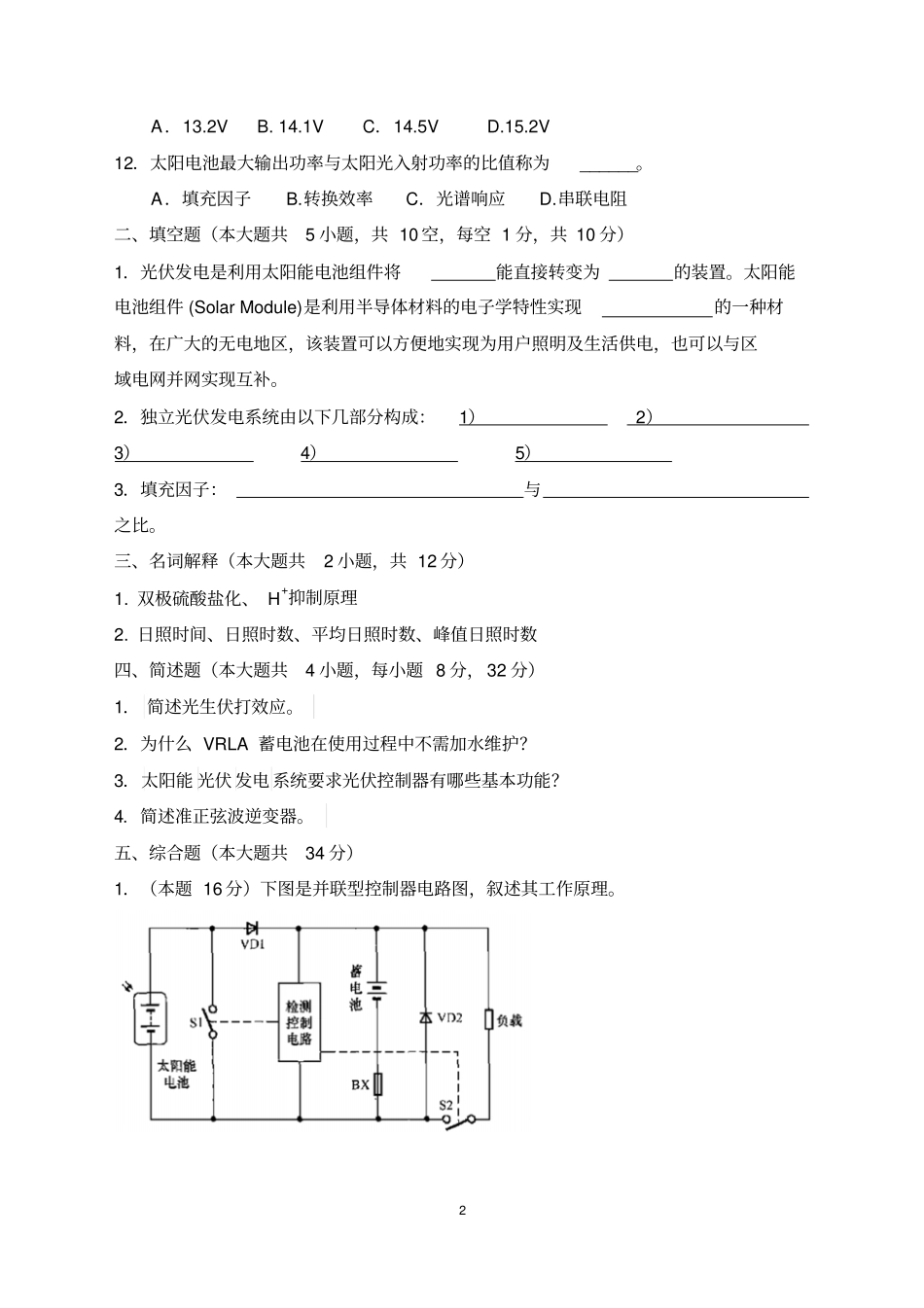
12011级《太阳能光伏发电技术》试卷一、单项选择题(本大题共12小题,每小题1分,共12分)1.在地球大气层之外,地球与太阳平均距离处,垂直于太阳光方向的单位面积上的辐射能基本上为一个常数。这个辐射强度称为______。A.大气质量B.太阳常数C.辐射强度D.太阳光谱2.太阳能光伏发电系统的最核心的器件是______。A.控制器B.逆变器C.太阳电池D.蓄电池3.太阳能光伏发电系统中,______指在电网失电情况下,发电设备仍作为孤立电源对负载供电这一现象。A.孤岛效应B.光伏效应C.充电效应D.霍尔效应4.在太阳电池外电路接上负载后,负载中便有电流过,该电流称为太阳电池的______。A.短路电流B.开路电流C.工作电流D.最大电流5.地面用太阳电池标准测试条件为在温度为25℃下,大气质量为AM1.5的阳光光谱,辐射能量密度为_____W/m2。A.1000B.1367C.1353D.11306.蓄电池放电时输出的电量与充电时输入的电量之比称为容量______。A.输入效率B.填充因子C.工作电压D.输出效率7.蓄电池使用过程中,蓄电池放出的容量占其额定容量的百分比称为_____。A.自放电率B.使用寿命C.放电速率D.放电深度8.在太阳能光伏发电系统中,太阳电池方阵所发出的电力如果要供交流负载使用的话,实现此功能的主要器件是______。A.稳压器B.逆变器C.二极管D.蓄电池9.当日照条件达到一定程度时,由于日照的变化而引起较明显变化的是______。A.开路电压B.工作电压C.短路电流D.最佳倾角10.太阳能光伏发电系统中,太阳电池组件表面被污物遮盖,会影响整个太阳电池方阵所发出的电力,从而产生______。A.霍尔效应B.孤岛效应C.充电效应D.热斑效应11.当控制器对蓄电池进行充放电控制时,要求控制器具有输入充满断开和恢复接通的功能。如对12V密封型铅酸蓄电池控制时,其恢复连接参考电压值为______。2A.13.2VB.14.1VC.14.5VD.15.2V12.太阳电池最大输出功率与太阳光入射功率的比值称为______。A.填充因子B.转换效率C.光谱响应D.串联电阻二、填空题(本大题共5小题,共10空,每空1分,共10分)1.光伏发电是利用太阳能电池组件将能直接转变为的装置。太阳能电池组件(SolarModule)是利用半导体材料的电子学特性实现的一种材料,在广大的无电地区,该装置可以方便地实现为用户照明及生活供电,也可以与区域电网并网实现互补。2.独立光伏发电系统由以下几部分构成:1)2)3)4)5)3.填充因子:与之比。三、名词解释(本大题共2小题,共12分)1.双极硫酸盐化、H+抑制原理2.日照时间、日照时数、平均日照时数、峰值日照时数四、简述题(本大题共4小题,每小题8分,32分)1.简述光生伏打效应。2.为什么VRLA蓄电池在使用过程中不需加水维护?3.太阳能光伏发电系统要求光伏控制器有哪些基本功能?4.简述准正弦波逆变器。五、综合题(本大题共34分)1.(本题16分)下图是并联型控制器电路图,叙述其工作原理。32.(本题18分)设计太阳能路灯系统。济南地区,负载输入电压24V功耗34.5W,每天工作时数8.5h,保证连续阴雨天数7天。两个连续阴雨天数之间的设计最短天数为20天。济南地区峰值日照时数约为3.424h。42011级《太阳能光伏发电技术》答案一.选择题1.B2.C3.A4.C5.A6.D7.D8.B9.C10.D11.A12.B二.填空题1.太阳能电能P-V转换2.光伏阵列光伏控制器蓄电池组逆变器.负载3.太阳电池的最大功率开路电压和短路电流乘积三、名词解释1.双极硫酸盐化:蓄电池放电过程将化学能转变为电能输出,负极失去电子被氧化为硫酸铅,正极得到电子还原为硫酸铅。由于两极活性物质均转化为PbSO4,所以常称为“双极硫酸盐化”理论。H+抑制原理:蓄电池在充电末期,负极产生的氢气通过改变负极合金配方,采用新的合金材料(如铅钙合金),使氢在这种材料上放电(得电子)的电位提高了。这样氢离子在阴极放电得到抑制,不易产生氢气了。这种阴极合金工艺称为H+抑制原理。2.日照时间:是指太阳光在一天当中从日出到日落实际的照射时间。日照时数时:指在某个地点,一天当中太阳光达到一定副照度(一般以气象台测定的120W/m2为标准)时一直到小于此辐照度所经过的时间,日照时数小于日照时间。平均日照时数:是指某地...

1、当您付费下载文档后,您只拥有了使用权限,并不意味着购买了版权,文档只能用于自身使用,不得用于其他商业用途(如 [转卖]进行直接盈利或[编辑后售卖]进行间接盈利)。
2、本站所有内容均由合作方或网友上传,本站不对文档的完整性、权威性及其观点立场正确性做任何保证或承诺!文档内容仅供研究参考,付费前请自行鉴别。
3、如文档内容存在违规,或者侵犯商业秘密、侵犯著作权等,请点击“违规举报”。

碎片内容

太阳能光伏发电专业技术期末试卷及答案

文库当当响+ 关注
实名认证
内容提供者

该用户很懒,什么也没介绍

确认删除?
VIP
微信客服
  • 扫码咨询
会员Q群
  • 会员专属群点击这里加入QQ群
客服邮箱
回到顶部