电脑桌面
添加小米粒文库到电脑桌面
安装后可以在桌面快捷访问

太阳能报验资料VIP免费

太阳能报验资料_第1页
1/17
太阳能报验资料_第2页
2/17
太阳能报验资料_第3页
3/17
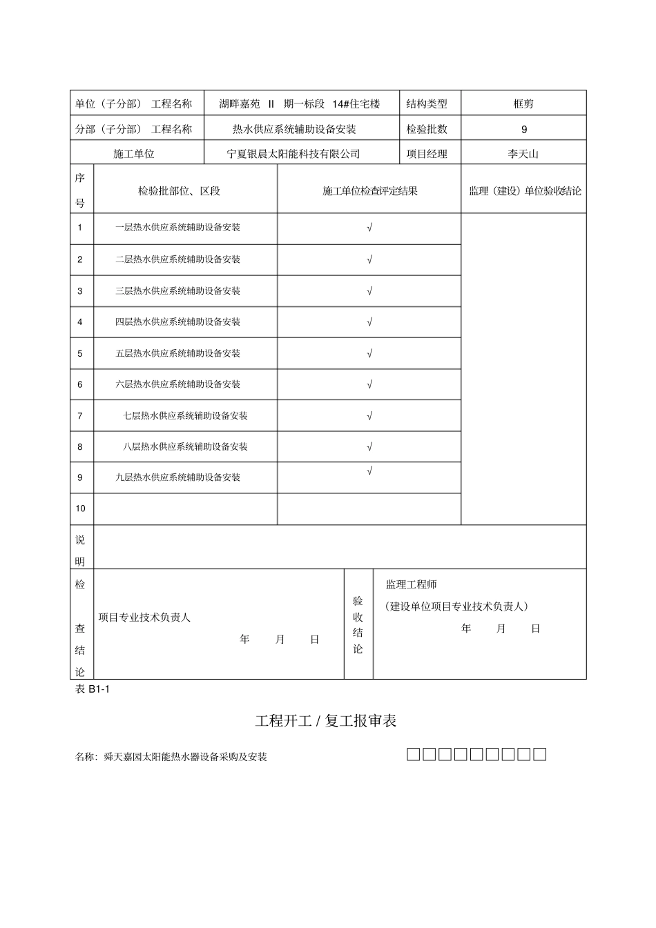
表B1-6供热管道及阀门检验报验申请表工程名称:"湖畔嘉园"二期一组团19#楼致:银川正源工程监理有限公司(监理单位)我单位已完成了供热管道及阀门检验工程,按设计文件及有关规范进行了自检,质量合格,请予审查和验收。附件:1.工程质量控制资料2.安全和功能检验(检测)报告3.观感质量验收记录4.隐蔽工程验收记录5.供热管道及阀门安装检验分项检验批质量验收记录6.工程质量验收记录7.其它承包单位(章):宁夏银晨太阳能科技有限公司项目经理:日期:审查意见:□所报隐蔽工程的技术资料□齐全/□不齐全,□符合/□不符合要求,经现场检测、核查□合格/□不合格,□同意/□不同意隐蔽。□所拟分项工程的检验批技术资料□齐全/□不齐全,□符合/□不符合要求,经现场检核查□合格/□不合格。□所报分部(子分部)工程的分项工程技术资料□齐全/□不齐全,□符合/□不符合要求,经现场检测、核查□合格/□不合格。□所报分项工程的各验收批的验收资料□完整/□不完整,□全部/□未全部达到合格要求,所以核查为□合格/□不合格。□所报分部(子分部)工程的技术资料□齐全/□不齐全,□符合/□不符合要求,经现场检测、核查□合格/□不合格。项目监理机构总/专业监理工程师日期热水供应系统辅助设备安装分项工程质量验收记录单位(子分部)工程名称湖畔嘉苑II期一标段14#住宅楼结构类型框剪分部(子分部)工程名称热水供应系统辅助设备安装检验批数9施工单位宁夏银晨太阳能科技有限公司项目经理李天山序号检验批部位、区段施工单位检查评定结果监理(建设)单位验收结论1一层热水供应系统辅助设备安装√2二层热水供应系统辅助设备安装√3三层热水供应系统辅助设备安装√4四层热水供应系统辅助设备安装√5五层热水供应系统辅助设备安装√6六层热水供应系统辅助设备安装√7七层热水供应系统辅助设备安装√8八层热水供应系统辅助设备安装√9九层热水供应系统辅助设备安装√10说明检查结论项目专业技术负责人年月日验收结论监理工程师(建设单位项目专业技术负责人)年月日表B1-1工程开工/复工报审表名称:舜天嘉园太阳能热水器设备采购及安装□□□□□□□□□致:河南宏业建设管理有限公司(监理单位)我方承担的太阳能热水器设备采购及安装工程,已完成了以下各项工作,具备了开工/复工条件,特此申请施工,请核查并签发开工/复工指令。附:1.开工/复工报告承包单位(章)宁夏银晨太阳能科技有限公司项目经理日期审查意见:项目监理机构总监理工程师日期开工/复工报告工程名称:舜天嘉园太阳能热水器设备采购及安装工程名称舜天嘉园太阳能热水器设备采购及安装建设单位舜天房地产开发有限公司监理单位河南宏业建设管理有限公司工程地点银川市西夏区施工单位宁夏银晨太阳能科技有限公司开工日期2012年7月23日开工条件说明:1、施工组织设计已审批;2、设备采购已到施工现场,工程材料待进;3、现场准备包括:水电、机械、材料等已就绪;4、项目部管理人员及施工班组人员已到位。项目总监理工程师或建设单位项目负责人意见:签名:年月日表B1-3分包单位资格报审表工程名称:“湖畔嘉苑”二期一组团住宅楼□□□□□□□□□致:宁夏正源建设监理有限公司(监理单位)经考察,我方认为拟选择的宁夏银晨太阳能科技有限公司(分包单位)具有承担下列工程的施工能力,可以保证本工程项目按合同的规定进行施工。分包后,我方仍承担总包单位的全部责任。请予以审查和批准。附件:1.分包单位资质材料2.分包单位业绩材料分包工程名称(部位)工程数量拟分包工程合同额分包工程占全部工程太阳能热水系统258台合计承包单位(章)项目经理日期专业监理工程师审查意见:专业监理工程师日期总监理工程师审核意见:项目监理机构总监理工程师日期资质文件表B1-11工程材料/构配件/设备报审表工程名称:舜天嘉园太阳能热水器设备采购及安装□□□□□□□□□致:河南宏业建设管理有限公司(监理单位)我方于2012年7月23日进场的工程材料/构配件/设备数量如下(见附件)。现将质量证明文件及自检结果报上,拟用于下述部位:分体平板型太阳能热水器、角钢、不锈钢波纹管用于太阳能热水安装工...

1、当您付费下载文档后,您只拥有了使用权限,并不意味着购买了版权,文档只能用于自身使用,不得用于其他商业用途(如 [转卖]进行直接盈利或[编辑后售卖]进行间接盈利)。
2、本站所有内容均由合作方或网友上传,本站不对文档的完整性、权威性及其观点立场正确性做任何保证或承诺!文档内容仅供研究参考,付费前请自行鉴别。
3、如文档内容存在违规,或者侵犯商业秘密、侵犯著作权等,请点击“违规举报”。

碎片内容

太阳能报验资料

确认删除?
VIP
微信客服
  • 扫码咨询
会员Q群
  • 会员专属群点击这里加入QQ群
客服邮箱
回到顶部