电脑桌面
添加小米粒文库到电脑桌面
安装后可以在桌面快捷访问

安全文明施工措施及环境保护VIP免费

安全文明施工措施及环境保护_第1页
1/21
安全文明施工措施及环境保护_第2页
2/21
安全文明施工措施及环境保护_第3页
3/21
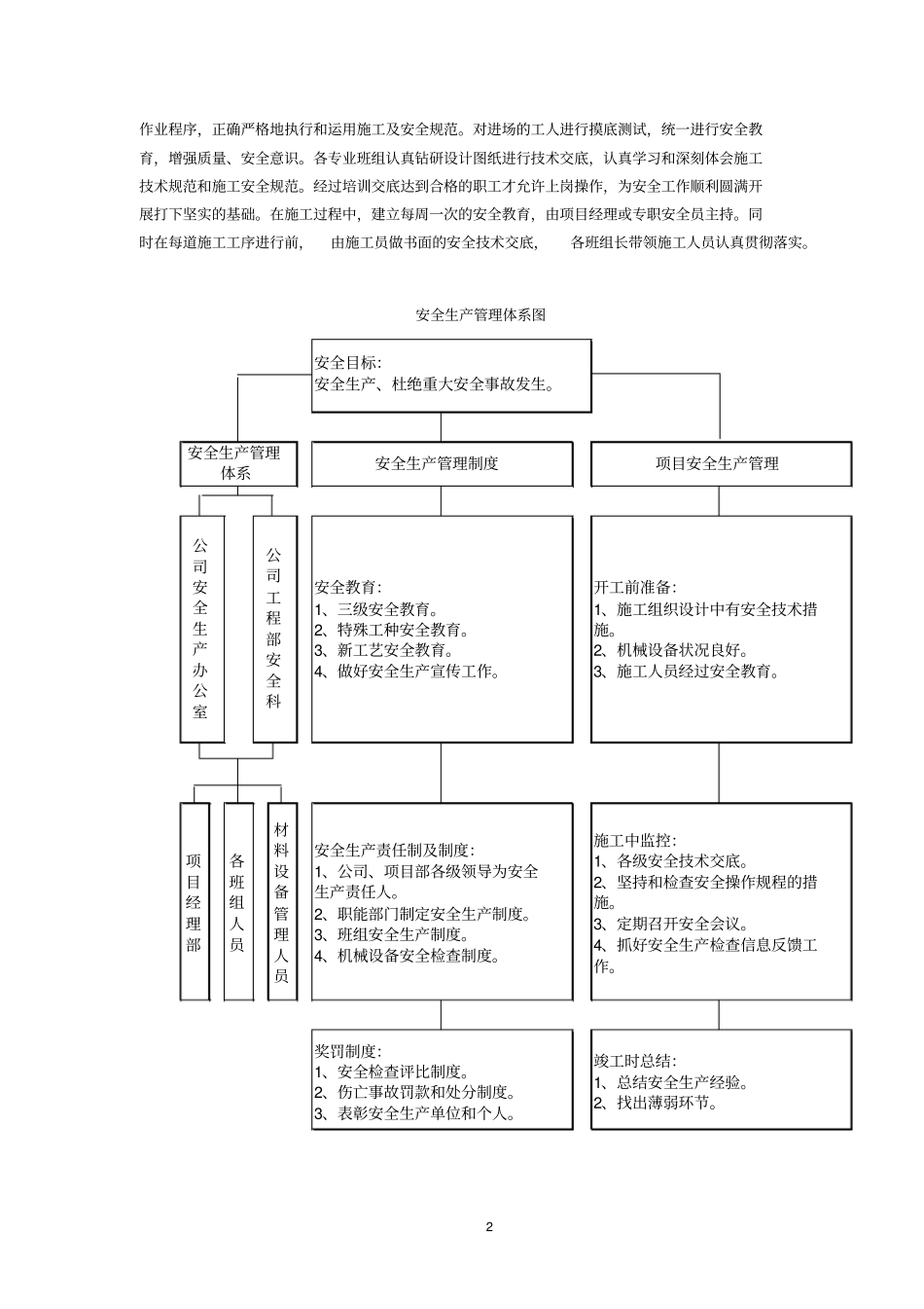
1安全生产和文明施工措施1.1工程概况江帆花园东区拆迁安置房二标段工程;工程建设地点:沙钢立交桥、杨锦公路西侧;属于框架结构;地上6层;无阁楼层;建筑高度:19.76m;标准层层高:2.9m;总建筑面积:48910平方米;总工期:364天。本工程由张家港市城市投资发展有限公司投资建设,苏州立诚建筑设计院有限公司设计,苏州立诚建筑设计院有限公司地质勘察,江苏众信工程投资项目管理咨询有限公司监理,张家港市锦丰建筑安装工程有限公司组织施工;由蒋志军担任项目经理,曹亚平担任技术负责人。1.2安全生产管理体系1.2.1安全生产目标本工程的安全生产目标:严格控制月轻伤率在1.2‰以内,项目确保实现“五无”目标,即无死亡事故,无重大伤人事故,无重大机械事故,无重大火灾事故,无中毒事故。创现场文明施工管理达标工地标准。1.2.2安全生产管理体系1、建立安全保证体系。为搞好本工地安全生产工作,我项目部将成立专门安全领导小组,工地设立安全监督小组,班组设安全员,形成一个健全的三级安全保证体系。负责工地日常的安全工作,定期组织安全检查。2、健全安全生产责任制、安全生产管理制度。明确各管理人员、施工技术人员和生产工人在本工程中的安全责任。3、强化安全教育。坚持“三级安全教育”,规范“三级安全交底”制度,施工中坚持“班组安全活动”制度。4、改善施工劳动条件。积极改进施工工艺和操作方法,改善劳动环境条件、减轻劳动强度,消除危险因素。5、实行人身安全保险。所有施工人员均参与人身安全保险。6、加强施工安全监控。及时反馈监测信息,进行科学的信息化施工,确保施工安全(包括地面建筑物、道路、地下管线安全、气象信息等)。项目部安全工作领导小组领导全面的安全工作,主要职责是开展安全教育,贯彻宣传各类法规、通知和上级部门的文件精神,制订各类管理条例,每周对各项目工程进行安全工作检查、评比,处理有关较大的安全问题。项目部成立安全管理小组,并设专职安全员,主要职责是负责进行对工人的安全技术交底,贯彻上级精神,每天检查工程施工安全工作,每周召开工程安全会议一次。制订具体的安全规程和违章处理措施,并向公司安全领导小组汇报一次。各作业班组设立兼职安全员,主要是带领各班组认真操作,对每个工人耐心指导,发现问题即时处理并及时向工地安全管理小组汇报工作。1.2.3安全检查制度在施工过程中,除正常的安全检查外,公司每两月检查一次,分公司每月检查一次,项目部每月检查二次,项目部安全员每天检查。发现问题落实到人,限期整改,消除隐患,确保施工安全。1.2.4安全教育制度按照公司的安全教育制度,加强宣传教育,制订科学合理的施工方案,现场组织切合实际的2作业程序,正确严格地执行和运用施工及安全规范。对进场的工人进行摸底测试,统一进行安全教育,增强质量、安全意识。各专业班组认真钻研设计图纸进行技术交底,认真学习和深刻体会施工技术规范和施工安全规范。经过培训交底达到合格的职工才允许上岗操作,为安全工作顺利圆满开展打下坚实的基础。在施工过程中,建立每周一次的安全教育,由项目经理或专职安全员主持。同时在每道施工工序进行前,由施工员做书面的安全技术交底,各班组长带领施工人员认真贯彻落实。安全生产管理体系图安全生产管理制度项目安全生产管理安全教育:1、三级安全教育。2、特殊工种安全教育。3、新工艺安全教育。4、做好安全生产宣传工作。开工前准备:1、施工组织设计中有安全技术措施。2、机械设备状况良好。3、施工人员经过安全教育。项目经理部各班组人员材料设备管理人员安全生产责任制及制度:1、公司、项目部各级领导为安全生产责任人。2、职能部门制定安全生产制度。3、班组安全生产制度。4、机械设备安全检查制度。施工中监控:1、各级安全技术交底。2、坚持和检查安全操作规程的措施。3、定期召开安全会议。4、抓好安全生产检查信息反馈工作。奖罚制度:1、安全检查评比制度。2、伤亡事故罚款和处分制度。3、表彰安全生产单位和个人。竣工时总结:1、总结安全生产经验。2、找出薄弱环节。公司安全生产办公室公司工程部安全科安全生产管理体系安全目标:安全生产、杜...

1、当您付费下载文档后,您只拥有了使用权限,并不意味着购买了版权,文档只能用于自身使用,不得用于其他商业用途(如 [转卖]进行直接盈利或[编辑后售卖]进行间接盈利)。
2、本站所有内容均由合作方或网友上传,本站不对文档的完整性、权威性及其观点立场正确性做任何保证或承诺!文档内容仅供研究参考,付费前请自行鉴别。
3、如文档内容存在违规,或者侵犯商业秘密、侵犯著作权等,请点击“违规举报”。

碎片内容

安全文明施工措施及环境保护

您可能关注的文档

确认删除?
VIP
微信客服
  • 扫码咨询
会员Q群
  • 会员专属群点击这里加入QQ群
客服邮箱
回到顶部